Operation CHARM: Car repair manuals for everyone.
Manuals through 2025 now available!

Our trusted friends have launched a new website named LEMON, which has newer manuals. It also contains all the CHARM manuals.

LEMON is the spiritual successor to CHARM, I recommend you try it!

Link: lemon-manuals.la or lemon-manuals.org.ua

(Some people have issue connecting. LEMON is investigating. For now, use Firefox or change your DNS server)

Or, hide this message: temporarily or permanently

Engine Does Not Start





THEFT DETERRENT / KEYLESS ENTRY: SMART ACCESS SYSTEM WITH PUSH-BUTTON START (for Start Function): Engine does not Start
- Engine does not Start

DESCRIPTION

1. ENGINE START SYSTEM FUNCTION

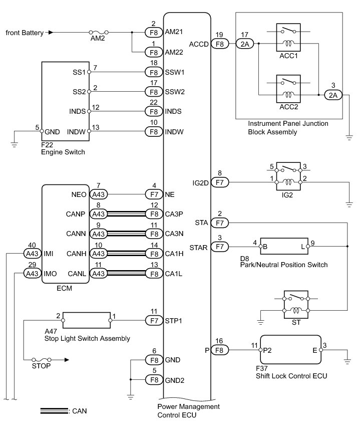
(a) If the engine switch is pressed with the shift lever in P or N and the brake pedal depressed, the power management control ECU determines that this is an engine start request.

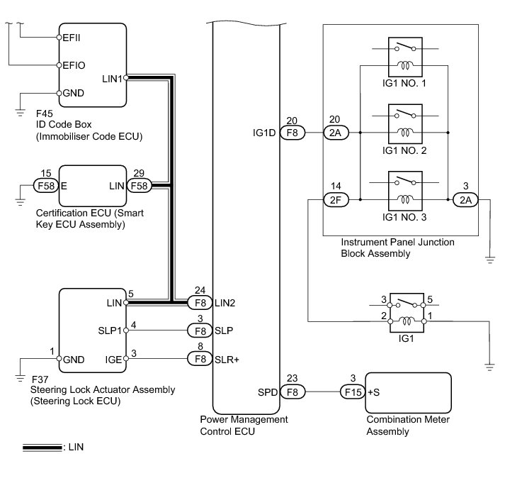
(b) The certification ECU (smart key ECU assembly) and other ECUs perform key verification via LIN communication.

(c) The power management control ECU activates the ACC relay.

(d) The power management control ECU activates the IG1 NO. 1, IG1 NO.2, IG1 NO. 3, ACC1, ACC2, IG1 and IG2 relays.

(e) The certification ECU (smart key ECU assembly) outputs a steering UNLOCK signal. The signal is sent to the power management control ECU via the steering lock ECU.

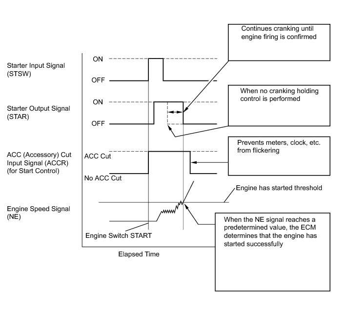
(f) The power management control ECU activates the starter relay.

HINT
When the power management ECU operates the starter relay, it performs cranking holding control.

(g) The power management control ECU deactivates the ACC relay until the power management control ECU detects an engine start.

HINT
Whether the engine has started is judged based on the engine speed signals sent from the ECM.





WIRING DIAGRAM









INSPECTION PROCEDURE

1. EMERGENCY ENGINE START CONTROL

(a) If there is a malfunction in the stop light switch or STOP fuse, their signals may not be correctly transmitted to the power management control ECU. This may result in the engine not starting even if the engine switch is pressed while the brake pedal is depressed and the shift lever is in P.

To activate the starter:

(1) Turn the engine switch from off to on (ACC).

(2) Press and hold the engine switch for 15 seconds.

HINT
After the certification ECU (smart key ECU assembly), steering lock ECU and/or ECM are/is replaced, perform the registration procedure for the engine immobilizer system Engine Immobilizer System.

PROCEDURE

1. CHECK IF ENGINE STARTS

(a) Place the electrical key on the driver seat.

(b) Move the shift lever to P.

(c) Depress the brake pedal.

(d) Check that the engine switch indicator light is green. Then press the engine switch to check if the engine starts.

OK:

Engine can be started.

NG -- CHECK FOR DTC

OK -- END (ENGINE START PERMISSION CONDITIONS WERE NOT SATISFIED)

2. CHECK FOR DTC

(a) Connect the Techstream to the DLC3.

(b) Turn the engine switch on (IG).

(c) Turn the Techstream on.

(d) Enter the following menus: Body Electrical / each ECU / Trouble Code.

(e) Check for DTCs.

OK:

DTC is not output.

NG -- GO TO DIAGNOSTIC TROUBLE CODE CHART
OK -- Continue to next step.

3. READ VALUE USING TECHSTREAM

(a) Enter the following menus: Body Electrical / Smart Access / Data List.

(b) Read the Data List according to the display on the Techstream.

Smart Access





OK:

OK (No malfunction) appears on the screen.

NG -- GO TO STEERING LOCK SYSTEM B2782
OK -- Continue to next step.

4. CHECK POWER SOURCE CONDITION

(a) Check if the power source mode changes.

(1) When the key is inside the vehicle and the shift lever is in P, check that the power source mode changes.

Result:





D -- GO TO OTHER FLOW CHART (Power Source Mode does not Change to ON (ACC)) Power Source Mode Does Not Change to ON (ACC)

C -- GO TO OTHER FLOW CHART (Power Source Mode does not Change to ON (IG)) Power Source Mode Does Not Change to ON (IG)

B -- GO TO OTHER FLOW CHART (Power Source Mode does not Change to ON (IG and ACC)) Power Source Mode Does Not Change to ON (IG and ACC)
A -- Continue to next step.

5. CHECK CRANKING FUNCTION

(a) Check the engine cranking function.

(1) When there is fuel in the fuel tank, the key is inside the vehicle, and the shift lever is in P, check that depressing the brake pedal and pressing the engine switch cranks the engine.

OK:

Engine cranks.

NG -- INSPECT PARK/NEUTRAL POSITION SWITCH ASSEMBLY

OK -- GO TO SFI SYSTEM Symptom Related Diagnostic Procedures

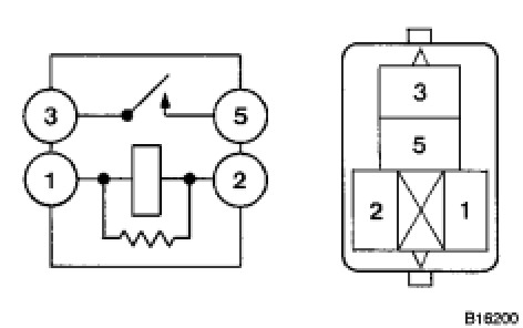
6. INSPECT PARK/NEUTRAL POSITION SWITCH ASSEMBLY

(a) Disconnect the D8 connector.





(b) Measure the resistance according to the value(s) in the table below.

Standard Resistance:





Text in Illustration





NG -- REPAIR OR REPLACE HARNESS OR CONNECTOR OR ST RELAY OR PARK/NEUTRAL POSITION SWITCH
OK -- Continue to next step.

7. INSPECT STARTER RELAY ASSEMBLY

(a) Remove the ST relay from the engine room relay block assembly.





(b) Measure the resistance according to the value(s) in the table below.

Standard Resistance:





NG -- REPAIR OR REPLACE HARNESS OR CONNECTOR OR ST RELAY OR PARK/NEUTRAL POSITION SWITCH
OK -- Continue to next step.

8. CHECK HARNESS AND CONNECTOR (POWER MANAGEMENT CONTROL ECU - BODY GROUND)

(a) Disconnect the F7 connector from the power management control ECU.





(b) The shift lever is in P or N.

(c) Measure the resistance according to the value(s) in the table below.

Standard Resistance:





Text in Illustration





NG -- REPAIR OR REPLACE HARNESS OR CONNECTOR OR ST RELAY OR PARK/NEUTRAL POSITION SWITCH
OK -- Continue to next step.

9. READ VALUE USING TECHSTREAM (STOP LIGHT SWITCH ASSEMBLY)

(a) Enter the following menus: Body Electrical / Power Source Control / Data List.

(b) Read the Data List according to the display on the Techstream.

Power Source Control





OK:

ON (brake pedal depressed) and OFF (brake pedal released) appear on the screen.

NG -- INSPECT STOP LIGHT SWITCH ASSEMBLY
OK -- Continue to next step.

10. READ VALUE USING TECHSTREAM (STEERING UNLOCK SWITCH)

(a) Enter the following menus: Body Electrical / Power Source Control / Date List.

(b) Read the Data List according to the display on the Techstream.

Power Source Control





OK:

ON (steering is unlocked) and OFF (steering is unlocked) appear on the screen.

NG -- CHECK HARNESS AND CONNECTOR (POWER MANAGEMENT CONTROL ECU - STEERING LOCK ECU)
OK -- Continue to next step.

11. CHECK STEERING LOCK

(a) Turn the engine switch from off to on (ACC) and check that the steering lock moves to the unlocked position when the engine switch is on (ACC).

OK:

Lock moves to unlocked position.

NG -- GO TO STEERING LOCK SYSTEM Problem Symptoms Table
OK -- Continue to next step.

12. READ VALUE USING TECHSTREAM (L CODE)

(a) Enter the following menus: Body Electrical / Smart Access / Data List.

(b) Read the Data List according to the display on the Techstream.

Smart Access





OK:

OK appears on the screen.

NG -- GO TO ENGINE IMMOBILIZER SYSTEM How To Proceed With Troubleshooting
OK -- Continue to next step.

13. READ VALUE USING TECHSTREAM (ENGINE START REQUEST)

(a) Enter the following menus: Body Electrical / Smart Access / Data List.

(b) Read the Data List according to the display on the Techstream.

Smart Access





OK:

OK appears on the screen.

NG -- REPLACE CERTIFICATION ECU (SMART KEY ECU ASSEMBLY) Removal
OK -- Continue to next step.

14. READ VALUE USING TECHSTREAM (S CODE)

(a) Enter the following menus: Body Electrical / Smart Access / Data List.

(b) Read the Data List according to the display on the Techstream.

Smart Access





OK:

OK (S code certification result normal) appears on the screen.

NG -- GO TO ENGINE IMMOBILIZER SYSTEM How To Proceed With Troubleshooting
OK -- Continue to next step.

15. READ VALUE USING TECHSTREAM (STARTER REQUEST SIGNAL)

(a) Enter the following menu: Body Electrical / Power Source Control / Data List.

(b) Read the Data List according to the value(s) in the table below.

Power Source Control





OK:

ON (ST relay on) and OFF (ST relay off) appear on the screen.

NG -- REPLACE POWER MANAGEMENT CONTROL ECU Removal

OK -- GO TO SFI SYSTEM Symptom Related Diagnostic Procedures

16. INSPECT STOP LIGHT SWITCH ASSEMBLY B2284

NG -- REPLACE STOP LIGHT SWITCH ASSEMBLY Removal
OK -- Continue to next step.

17. CHECK HARNESS AND CONNECTOR (STOP LIGHT SWITCH ASSEMBLY - POWER MANAGEMENT CONTROL ECU)

(a) Disconnect the F7 connector from the power management control ECU.





(b) Measure the resistance according to the value(s) in the table below.

Standard Resistance:





(c) Reconnect the F7 connector to the power management control ECU.

(d) Measure the voltage according to the value(s) in the table below.

Standard Voltage:





Text in Illustration





NG -- REPAIR OR REPLACE HARNESS OR CONNECTOR

OK -- REPLACE POWER MANAGEMENT CONTROL ECU Removal

18. CHECK HARNESS AND CONNECTOR (POWER MANAGEMENT CONTROL ECU - STEERING LOCK ECU) B2285

NG -- REPAIR OR REPLACE HARNESS OR CONNECTOR
OK -- Continue to next step.

19. INSPECT STEERING LOCK ACTUATOR ASSEMBLY

(a) Reconnect the F37 connector to the steering lock actuator assembly (steering lock ECU).





(b) Measure the resistance according to the value(s) in the table below.

Standard Resistance:





Text in Illustration





NG -- REPLACE STEERING LOCK ACTUATOR ASSEMBLY (STEERING LOCK ECU) Disassembly

OK -- REPLACE POWER MANAGEMENT CONTROL ECU Removal

20. REPAIR OR REPLACE HARNESS OR CONNECTOR OR ST RELAY OR PARK/NEUTRAL POSITION SWITCH

(a) Replace with a new or normally functioning part. Repair or replace any damaged wire harness or connector.

NEXT -- Continue to next step.

21. READ VALUE USING TECHSTREAM (STARTER REQUEST SIGNAL)

(a) Enter the following menus: Body Electrical / Power Source Control / Data List.

(b) Read the Data List according to the display on the Techstream.

Power Source Control





NOTICE:
Check that the engine switch indicator is illuminated in green and push the engine switch.

OK:

ON (ST relay on) and OFF (ST relay off) appear on the screen.

NG -- REPLACE POWER MANAGEMENT CONTROL ECU Removal
OK -- Continue to next step.

22. CHECK IF ENGINE STARTS

(a) Place the electrical key on the driver seat.

(b) Move the shift lever to P.

(c) Depress the brake pedal.

(d) Check that the engine switch indicator light is green. Then press the engine switch to check if the engine starts.

OK:

Engine can be started.

NG -- CHECK HARNESS AND CONNECTOR (MALFUNCTION IN RELAY CONTACT SIDE CIRCUIT)

OK -- END