Operation CHARM: Car repair manuals for everyone.
Manuals through 2025 now available!

Our trusted friends have launched a new website named LEMON, which has newer manuals. It also contains all the CHARM manuals.

LEMON is the spiritual successor to CHARM, I recommend you try it!

Link: lemon-manuals.la or lemon-manuals.org.ua

(Some people have issue connecting. LEMON is investigating. For now, use Firefox or change your DNS server)

Or, hide this message: temporarily or permanently

System Description





AIR CONDITIONING: AIR CONDITIONING SYSTEM: SYSTEM DESCRIPTION

1. GENERAL

The air conditioning system has the following controls:





2. NEURAL NETWORK CONTROL

* In previous automatic air conditioning systems, the A/C amplifier determined the required outlet air temperature and blower air volume in accordance with the calculation formula that has been obtained based on information received from the sensors.

However, because the senses of a person are rather complex, a given temperature is sensed differently, depending on the environment in which the person is situated. For example, a given amount of solar radiation can feel comfortably warm in a cold climate, or extremely uncomfortable in a hot climate. Therefore, as a technique for effecting a higher level of control, a neural network has been adopted in the automatic air conditioning system. With this technique, the data that has been collected under varying environmental conditions is stored in the A/C amplifier. The A/C amplifier can then effect control to provide enhanced air conditioning comfort.

* The neural network control consists of neurons in the input layer, intermediate layer, and output layer. The input layer neurons process the input data of the outside temperature, the amount of sunlight, and the room temperature based on the outputs of the switches and sensors, and output them to the intermediate layer neurons. Based on this data, the intermediate layer neurons adjust the strength of the links among the neurons. The sum of these is then calculated by the output layer neurons in the form of the required outlet temperature, solar correction, target airflow volume, and outlet mode control volume. Accordingly, the A/C amplifier controls the servo motors and blower motor in accordance with the control volumes that have been calculated by the neural network control.





3. MODE POSITION AND DAMPER OPERATION

(a) Mode Position and Damper Operation





Functions of Main Dampers:





4. AIR OUTLETS AND AIRFLOW VOLUME

(a) Air Outlets and Airflow Volume









The size of the circle o indicates the proportion of airflow volume.

*1: Greater airflow volume at the upper area

*2: Greater airflow volume at the lower area

*3: Greater airflow volume at the front

*4: Greater airflow volume at the rear

*5: Greater airflow volume at the defroster

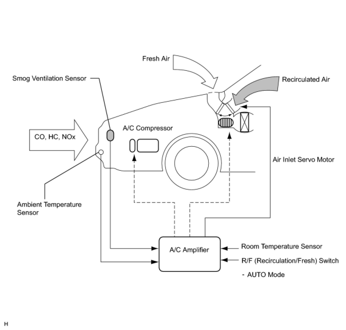
5. AUTOMATIC RECIRCULATION CONTROL

(a) When the automatic recirculation control is operating, the A/C amplifier automatically changes the air inlet mode to the fresh air or recirculation air mode based on signals from the smog ventilation sensor, ambient temperature, and room temperature sensors when the AUTO air inlet mode is selected.





(1) The A/C amplifier detects harmful elements (CO, HC, and NOx) based on smog ventilation sensor signals and automatically switches the air inlet mode to the recirculate air mode to prevent such harmful elements from entering the cabin.

(2) The A/C amplifier detects cabin temperature based on a room temperature sensor signal and automatically switches the air inlet mode to the recirculate air mode to prevent the cabin temperature from becoming too high.

(3) The A/C amplifier detects the outside temperature based on an ambient temperature sensor signal and automatically switches the air inlet mode to the fresh air mode to prevent the windshield from fogging up.

NOTICE:
The smog ventilation sensor cannot detect elements such as the smoke from a bonfire or factory exhaust, foul or animal odors, and dirt or dust particles. Therefore, the air inlet modes are not switched in accordance with those elements.

6. BLOWER MOTOR

The blower motor has a built-in blower controller, and is controlled with duty control from the A/C amplifier.

7. BUS CONNECTOR

(a) A BUS connector is used in the wire harness connection that connects the servo motor from the A/C amplifier.





(b) The BUS connector has a built-in communication/driver IC which communicates with each servo motor connector, actuates the servo motor, and has a position detection function. This enables bus communication for the servo motor wire harness, for a more lightweight construction and a reduced number of wires.





8. SERVO MOTOR

(a) The pulse pattern type servo motor consists of a printed circuit board and servo motor. The printed circuit board has three contact points, and transmits to the A/C amplifier two ON-OFF signals for the difference of the pulse phase. The BUS connector detects the damper position and movement direction with this signal.





9. A/C COMPRESSOR

(a) General

(1) The A/C compressor is a continuously variable capacity type in which its capacity can be varied in accordance with the cooling load of the air conditioning.

(2) This compressor consists of the A/C pulley, shaft, lug plate, swash plate, piston, shoe, crank chamber, cylinder, and solenoid valve.

(3) A solenoid valve that adjusts the suction pressure so that the compressor capacity can be controlled as desired is provided.

(b) Solenoid Valve Operation

(1) The crank chamber is connected to the discharge passage. A solenoid valve is provided between the discharge passage (LO pressure) and the discharge passage (HI pressure).

(2) The solenoid valve operates under duty cycle control in accordance with the signals from A/C amplifier.

(3) When the solenoid valve closes (solenoid coil is energized), a difference in pressure is created and the pressure in the crank chamber decreases. Then, the pressure that is applied to the right side of the piston becomes greater than the pressure that is applied to the left side of the piston. This compresses the spring and tilts the swash plate. As a result, the piston stroke increases and the discharge capacity increases.

(4) When the solenoid valve opens (solenoid coil is not energized), the difference in pressure disappears. Then, the pressure that is applied to the left side of the piston becomes the same as the pressure that is applied to the right side of the piston. Thus, the spring elongates and eliminates the tilt of the swash plate. As a result, there is no piston stroke and the discharge capacity is reduced.

10. LOCK SENSOR

The lock sensor sends A/C pulley speed signals to the A/C amplifier. The A/C amplifier determines whether the magnetic clutch is locked or not by using those signals and engine speed signals.

11. ROOM TEMPERATURE SENSOR

The room temperature sensor detects the cabin temperature based on changes in the resistance of its built-in thermistor and sends a signal to the A/C amplifier.

12. AMBIENT TEMPERATURE SENSOR

The ambient temperature sensor detects the outside temperature based on changes in the resistance of its built-in thermistor and sends a signal to the A/C amplifier.

13. SOLAR SENSOR

(a) The solar sensor consists of a photo diode, two amplifier circuits for the solar sensor, and frequency converter circuit for the light control sensor.

(b) A solar sensor detects (in the form of changes in the current that flows through the built-in photo diode) the changes in the amount of sunlight from the LH and RH sides (2 directions) and outputs these sunlight strength signals to the A/C amplifier.





14. EVAPORATOR TEMPERATURE SENSOR

The evaporator temperature sensor detects the temperature of the cool air immediately past the evaporator in the form of resistance changes, and outputs it to the A/C amplifier.

15. A/C PRESSURE SENSOR

The A/C pressure sensor detects the refrigerant pressure and outputs it to the A/C amplifier in the form of voltage changes.

16. SMOG VENTILATION SENSOR

(a) The smog ventilation sensor detects harmful elements such as CO, HC, and NOx, which are present in the air outside of the vehicle. The sensor outputs it to the A/C amplifier.

(b) The sensitivity of the smog ventilation sensor can be adjusted. Adjustment can be done using the heater control panel or multi-display.