Operation CHARM: Car repair manuals for everyone.
Manuals through 2025 now available!

Our trusted friends have launched a new website named LEMON, which has newer manuals. It also contains all the CHARM manuals.

LEMON is the spiritual successor to CHARM, I recommend you try it!

Link: lemon-manuals.la or lemon-manuals.org.ua

(Some people have issue connecting. LEMON is investigating. For now, use Firefox or change your DNS server)

Or, hide this message: temporarily or permanently

Power Source Mode does not Change to ON (READY)





THEFT DETERRENT / KEYLESS ENTRY: SMART ACCESS SYSTEM WITH PUSH-BUTTON START (for Start Function): Power Source Mode does not Change to ON (READY)
- Power Source Mode does not Change to ON (READY)

DESCRIPTION

When the electronic key is in the cabin and the power switch is pressed, the power management control ECU receives a signal and changes the power source mode. In addition, when the power switch is pressed with park (P) selected and the brake pedal depressed, the hybrid system turns on (READY).

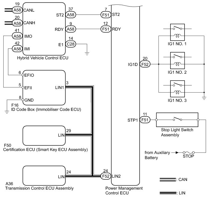
WIRING DIAGRAM









INSPECTION PROCEDURE

NOTICE:
* When the power management control ECU is replaced with a new one and the cable from the negative (-) auxiliary battery terminal is connected, the power source mode becomes on (IG) mode. When the auxiliary battery is removed and reinstalled, power source mode that was selected when the auxiliary battery was removed is restored.
* Inspect the fuses for circuits related to this system before performing the following inspection procedure.

PROCEDURE

1. CHECK HYBRID SYSTEM (READY ON)

(a) Place the electrical key on the driver seat.

(b) Depress the brake pedal.

(c) Check that the power switch indicator light is green. Then press the power switch to check if the hybrid system turns on (READY).

OK:

Power source mode becomes on (READY).

NG -- CHECK LIN COMMUNICATION SYSTEM

OK -- END (HYBRID SYSTEM PERMISSION CONDITIONS WERE NOT SATISFIED)

2. CHECK LIN COMMUNICATION SYSTEM

(a) Check if LIN communication DTCs are output.

OK:

LIN communication DTC is not output.

NG -- GO TO LIN COMMUNICATION SYSTEM LIN Communication System
OK -- Continue to next step.

3. CHECK FOR DTC

(a) Turn the power switch off.

(b) Connect the Techstream to the DLC3.

(c) Turn the power switch on (IG).

(d) Turn the Techstream on.

(e) Enter the following menus: Powertrain / Hybrid Control / DTC.

(f) Check for DTCs.

OK:

DTC is not output.

NG -- GO TO HYBRID CONTROL SYSTEM (DIAGNOSTIC TROUBLE CODE CHART) Hybrid Control System
OK -- Continue to next step.

4. CHECK FOR DTC

(a) Enter the following menus: Body Electrical / Power Source Control / DTC.

(b) Check for DTCs.

OK:

DTC is not output.

NG -- GO TO DIAGNOSTIC TROUBLE CODE CHART Smart Access System With Push-Button Start (for Start Function)
OK -- Continue to next step.

5. CHECK POWER SOURCE CONDITION

(a) Check the power source mode change.

(1) When the key is inside the vehicle and park (P) has been selected, check that pressing the power switch causes the power source mode to change.

Result:





B -- GO TO OTHER FLOW CHART (Power Source Mode does not Change to ON (IG and ACC)) Power Source Mode does not Change to ON (IG and ACC)

C -- GO TO OTHER FLOW CHART (Power Source Mode does not Change to ON (IG)) Power Source Mode does not Change to ON (IG)

D -- GO TO OTHER FLOW CHART (Power Source Mode does not Change to ON (ACC)) Power Source Mode does not Change to ON (ACC)
A -- Continue to next step.

6. READ VALUE USING TECHSTREAM (STOP LIGHT SWITCH ASSEMBLY)

(a) Read the Data List according to the display on the Techstream.

Power Source Control





OK:

ON (brake pedal is depressed) and OFF (brake pedal is released) appear on the screen.

NG -- INSPECT STOP LIGHT SWITCH ASSEMBLY
OK -- Continue to next step.

7. READ VALUE USING TECHSTREAM (L CODE)

(a) Enter the following menus: Body Electrical / Smart Access / Data List.

(b) Read the Data List according to the display on the Techstream.

Smart Access





OK:

OK appears on the screen.

NG -- REPLACE TRANSMISSION CONTROL ECU ASSEMBLY
OK -- Continue to next step.

8. READ VALUE USING TECHSTREAM (ENGINE START REQUEST)

(a) Read the Data List according to the display on the Techstream.

Smart Access





OK:

OK appears on the screen.

NG -- REPLACE CERTIFICATION ECU (SMART KEY ECU ASSEMBLY)
OK -- Continue to next step.

9. READ VALUE USING TECHSTREAM (S CODE)

(a) Read the Data List according to the display on the Techstream.

Smart Access





OK:

OK appears on the screen.

NG -- REPLACE CERTIFICATION ECU (SMART KEY ECU ASSEMBLY)
OK -- Continue to next step.

10. CHECK ID CODE BOX (IMMOBILISER CODE ECU)

(a) Measure the voltage according to the value(s) in the table below.





(1) Waveform 1









(2) Waveform 2





OK:

The waveform is displayed as shown in illustration.

Text in Illustration





NG -- REPLACE ID CODE BOX (IMMOBILISER CODE ECU)
OK -- Continue to next step.

11. CHECK HARNESS AND CONNECTOR (POWER MANAGEMENT CONTROL ECU - HYBRID VEHICLE CONTROL ECU) B2275

NG -- REPAIR OR REPLACE HARNESS AND CONNECTOR
OK -- Continue to next step.

12. CHECK POWER MANAGEMENT CONTROL ECU B2275

NG -- REPLACE POWER MANAGEMENT CONTROL ECU Removal

OK -- GO TO HYBRID CONTROL SYSTEM How To Proceed With Troubleshooting

13. INSPECT STOP LIGHT SWITCH ASSEMBLY B2284

NG -- REPLACE STOP LIGHT SWITCH ASSEMBLY Removal
OK -- Continue to next step.

14. CHECK HARNESS AND CONNECTOR (STOP LIGHT SWITCH ASSEMBLY - POWER MANAGEMENT CONTROL ECU) B2284

NG -- REPAIR OR REPLACE HARNESS OR CONNECTOR (POWER MANAGEMENT CONTROL ECU - STOP LIGHT SWITCH ASSEMBLY)

OK -- REPLACE POWER MANAGEMENT CONTROL ECU Removal

15. REPLACE TRANSMISSION CONTROL ECU ASSEMBLY

(a) Replace the transmission control ECU assembly Removal.

NEXT -- Continue to next step.

16. CHECK HYBRID SYSTEM (READY ON)

(a) Place the electrical key on the driver seat.

(b) Depress the brake pedal.

(c) Check that the power switch indicator light is green. Then press the power switch to check if the hybrid system turns on (READY).

OK:

Power source mode becomes on (READY).

NG -- REPLACE ID CODE BOX (IMMOBILISER CODE ECU)

OK -- END (TRANSMISSION CONTROL ECU ASSEMBLY WAS DEFECTIVE)

17. REPLACE CERTIFICATION ECU (SMART KEY ECU ASSEMBLY)

(a) Replace the certification ECU (smart key ECU assembly) Removal.

NEXT -- Continue to next step.

18. CHECK HYBRID SYSTEM (READY ON)

(a) Place the electrical key on the driver seat.

(b) Depress the brake pedal.

(c) Check that the power switch indicator light is green. Then press the power switch to check if the hybrid system turns on (READY).

OK:

Power source mode becomes on (READY).

NG -- REPLACE ID CODE BOX (IMMOBILISER CODE ECU)

OK -- END (CERTIFICATION ECU (SMART KEY ECU ASSEMBLY) WAS DEFECTIVE)

19. REPAIR OR REPLACE HARNESS AND CONNECTOR

(a) Repair or replace the harness or connector.

NEXT -- Continue to next step.

20. CHECK POWER MANAGEMENT CONTROL ECU B2275

NG -- REPLACE POWER MANAGEMENT CONTROL ECU
OK -- Continue to next step.

21. CHECK HYBRID SYSTEM READY ON

(a) Place the electrical key on the driver seat.

(b) Depress the brake pedal.

(c) Check that the power switch indicator light is green. Then press the power switch to check if the hybrid system turns on (READY).

OK:

Power source mode becomes on (READY).

NG -- CHECK RELAY CONTACT SIDE CIRCUIT

OK -- REPLACE HYBRID VEHICLE CONTROL ECU Removal