Operation CHARM: Car repair manuals for everyone.
Manuals through 2025 now available!

Our trusted friends have launched a new website named LEMON, which has newer manuals. It also contains all the CHARM manuals.

LEMON is the spiritual successor to CHARM, I recommend you try it!

Link: lemon-manuals.la or lemon-manuals.org.ua

(Some people have issue connecting. LEMON is investigating. For now, use Firefox or change your DNS server)

Or, hide this message: temporarily or permanently

Removal





HYBRID / BATTERY CONTROL: SUB RADIATOR: REMOVAL

1. REMOVE NO. 1 ENGINE UNDER COVER

2. DRAIN COOLANT (for Inverter) Coolant (for Inverter)

3. REMOVE NO. 2 FAN SHROUD

HINT
Removal.

4. REMOVE RADIATOR SIDE DEFLECTOR RH Removal

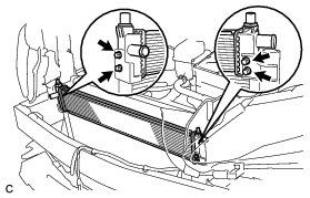
5. REMOVE RADIATOR ASSEMBLY

(a) Disengage the 2 clips and disconnect the 2 water hoses.





(b) Remove the 4 bolts and radiator assembly.