Operation CHARM: Car repair manuals for everyone.
Manuals through 2025 now available!

Our trusted friends have launched a new website named LEMON, which has newer manuals. It also contains all the CHARM manuals.

LEMON is the spiritual successor to CHARM, I recommend you try it!

Link: lemon-manuals.la or lemon-manuals.org.ua

(Some people have issue connecting. LEMON is investigating. For now, use Firefox or change your DNS server)

Or, hide this message: temporarily or permanently

Part 1





NETWORKING: CAN COMMUNICATION SYSTEM: Check CAN Bus Lines for Short Circuit
- Check CAN Bus Lines for Short Circuit

DESCRIPTION

There may be a short circuit in the CAN No. 1 bus main wire and/or CAN branch wire when the resistance between terminals 6 (CANH) and 14 (CANL) of the DLC3 is below 54 Ohms.





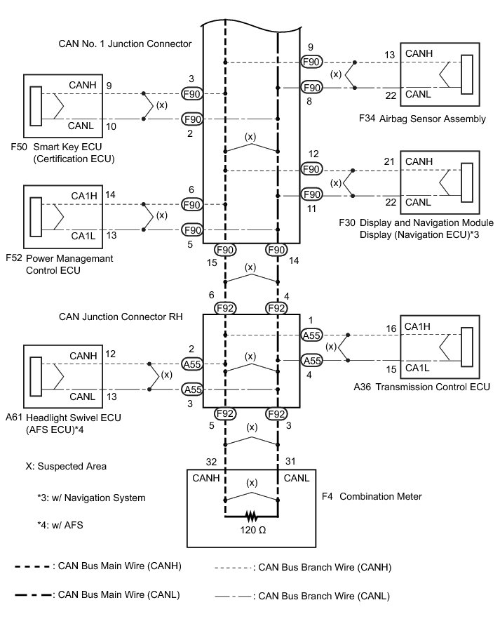
WIRING DIAGRAM









INSPECTION PROCEDURE

NOTICE:
* Turn the power switch off before measuring the resistances between CAN bus main wires and between CAN bus branch wires.
* Turn the power switch off before inspecting CAN bus wires for a ground short.
* After the power switch is turned off, check that the key reminder warning system and light reminder warning system are not operating.
* Before measuring the resistance, leave the vehicle as is for at least 1 minute and do not operate the power switch, any other switches or the doors. If any doors need to be opened in order to check connectors, open the doors and leave them open.

HINT
* Operating the power switch, any other switches or a door triggers related ECU and sensor communication on the CAN. This communication will cause the resistance value to change.
* Even after DTCs are cleared, if a DTC is stored again after driving the vehicle for a while, the malfunction may be occurring due to vibration of the vehicle. In such a case, wiggling the ECUs or wire harness while performing the inspection below may help determine the cause of the malfunction.

PROCEDURE

1. CHECK FOR SHORT IN CAN BUS WIRES (HYBRID VEHICLE CONTROL ECU)

(a) Turn the power switch off.

(b) Disconnect the hybrid vehicle control ECU connector.





Text in Illustration





(c) Measure the resistance according to the value(s) in the table below.

Standard Resistance:





NG -- CHECK FOR SHORT IN CAN BUS WIRES (COMBINATION METER)

OK -- REPLACE HYBRID VEHICLE CONTROL ECU Removal

2. CHECK FOR SHORT IN CAN BUS WIRES (COMBINATION METER)

(a) Reconnect the hybrid vehicle control ECU connector.

(b) Disconnect the combination meter connector.





Text in Illustration





(c) Measure the resistance according to the value(s) in the table below.

Standard Resistance:





NG -- CHECK FOR SHORT IN CAN BUS WIRES (CAN NO. 1 J/C - CAN J/C LH, DLC3)

OK -- REPLACE COMBINATION METER Removal

3. CHECK FOR SHORT IN CAN BUS WIRES (CAN NO. 1 J/C - CAN J/C LH, DLC3)

(a) Reconnect the combination meter connector.

(b) Disconnect the wire harness connector from the CAN No. 1 junction connector upper side.





Text in Illustration





(c) Measure the resistance according to the value(s) in the table below.

Standard Resistance:





Result:





B -- CHECK FOR SHORT IN CAN BUS WIRES (CAN NO. 1 J/C - CAN J/C LH)

C -- REPAIR OR REPLACE CAN BRANCH WIRE CONNECTED TO DLC3
A -- Continue to next step.

4. CHECK FOR SHORT IN CAN BUS WIRES (CAN NO. 1 J/C - CAN J/C RH)

(a) Disconnect the wire harness connector from the CAN No. 1 junction connector lower side.





Text in Illustration





(b) Measure the resistance according to the value(s) in the table below.

Standard Resistance:





NG -- CHECK FOR SHORT IN CAN BUS WIRES (CAN J/C RH - CAN NO. 1 J/C, COMBINATION METER)
OK -- Continue to next step.

5. CHECK FOR SHORT IN CAN BUS WIRES (CAN NO. 1 J/C - DRIVING SUPPORT ECU)

HINT
For vehicles without the dynamic radar cruise control system, go to the next step.

(a) Disconnect the driving support ECU connector.

(b) Measure the resistance according to the value(s) in the table below.





Standard Resistance:





Text in Illustration





NG -- REPAIR OR REPLACE CAN BUS BRANCH WIRE OR CONNECTOR (CAN NO. 1 J/C - DRIVING SUPPORT ECU)
OK -- Continue to next step.

6. CHECK FOR SHORT IN CAN BUS WIRES (CAN NO. 1 J/C - SEAT BELT CONTROL ECU)

HINT
For vehicles without the pre-collision system, go to the next step.

(a) Disconnect the seat belt control ECU connector.

(b) Measure the resistance according to the value(s) in the table below.





Standard Resistance:





Text in Illustration





NG -- REPAIR OR REPLACE CAN BUS BRANCH WIRE OR CONNECTOR (CAN NO. 1 J/C - SEAT BELT CONTROL ECU)
OK -- Continue to next step.

7. CHECK FOR SHORT IN CAN BUS WIRES (CAN NO. 1 J/C - CERTIFICATION ECU)

(a) Disconnect the smart key ECU (certification ECU) connector.

(b) Measure the resistance according to the value(s) in the table below.





Standard Resistance:





Text in Illustration





NG -- REPAIR OR REPLACE CAN BUS BRANCH WIRE OR CONNECTOR (CAN NO. 1 J/C - CERTIFICATION ECU)
OK -- Continue to next step.

8. CHECK FOR SHORT IN CAN BUS WIRES (CAN NO. 1 J/C - POWER MANAGEMENT CONTROL ECU)

(a) Disconnect the power management control ECU connector.

(b) Measure the resistance according to the value(s) in the table below.





Standard Resistance:





Text in Illustration





NG -- REPAIR OR REPLACE CAN BUS BRANCH WIRE OR CONNECTOR (CAN NO. 1 J/C - POWER MANAGEMENT CONTROL ECU)
OK -- Continue to next step.

9. CHECK FOR SHORT IN CAN BUS WIRES (CAN NO. 1 J/C - AIRBAG SENSOR ASSEMBLY)

(a) Disconnect the airbag sensor assembly connector.

(b) Measure the resistance according to the value(s) in the table below.





Standard Resistance:





Text in Illustration





NG -- REPAIR OR REPLACE CAN BUS BRANCH WIRE OR CONNECTOR (CAN NO. 1 J/C - AIRBAG SENSOR ASSEMBLY)
OK -- Continue to next step.

10. CHECK FOR SHORT IN CAN BUS WIRES (CAN NO. 1 J/C - NAVIGATION ECU)

HINT
For vehicles without the navigation system, go to the next step.

(a) Disconnect the display and navigation module display (Navigation ECU) connector.

(b) Measure the resistance according to the value(s) in the table below.





Standard Resistance:





Text in Illustration





NG -- REPAIR OR REPLACE CAN BUS BRANCH WIRE OR CONNECTOR (CAN NO. 1 J/C - NAVIGATION ECU)
OK -- Continue to next step.

11. CHECK FOR SHORT IN CAN BUS WIRES (CAN NO. 1 J/C)

(a) Reconnect the wire harness connector to the CAN No. 1 junction connector upper side and lower side.

(b) Measure the resistance according to the value(s) in the table below.





Standard Resistance:





Text in Illustration





NOTICE:
* The resistance must be measured after the main wire connected ECUs (hybrid vehicle control ECU and combination meter), CAN No. 1 junction connector, junction connector LH and RH are reconnected.
* The resistance must be measured after the CAN No. 1 junction connector branch wire connected ECU and sensor connectors are disconnected.

NG -- REPLACE CAN NO. 1 JUNCTION CONNECTOR
OK -- Continue to next step.

12. CHECK FOR SHORT IN CAN BUS WIRES (ECU, SENSOR)

(a) Connect the probes of an ohmmeter to terminals 6 (CANH) and 14 (CANL) of the DLC3.





Text in Illustration





(b) While observing the resistance value shown on the ohmmeter, reconnect each ECU and sensor connector until the resistance becomes abnormal (Below 54 Ohms).

HINT
If the resistance becomes abnormal when an ECU connector is reconnected, there may be a short in the ECU.

NEXT -- REPLACE CORRESPONDING ECU OR SENSOR