Operation CHARM: Car repair manuals for everyone.
Manuals through 2025 now available!

Our trusted friends have launched a new website named LEMON, which has newer manuals. It also contains all the CHARM manuals.

LEMON is the spiritual successor to CHARM, I recommend you try it!

Link: lemon-manuals.la or lemon-manuals.org.ua

(Some people have issue connecting. LEMON is investigating. For now, use Firefox or change your DNS server)

Or, hide this message: temporarily or permanently

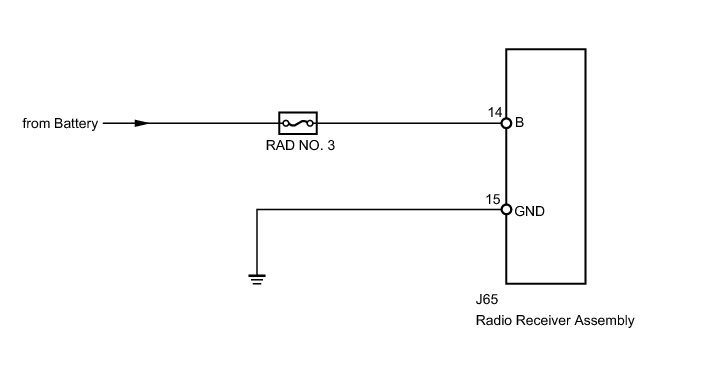
Radio Receiver Power Source Circuit





AUDIO / VIDEO: AUDIO AND VISUAL SYSTEM (w/ Navigation System): Radio Receiver Power Source Circuit
- Radio Receiver Power Source Circuit

DESCRIPTION

This circuit provides power to the radio receiver assembly.

WIRING DIAGRAM





INSPECTION PROCEDURE

NOTICE:
Inspect the fuse for circuits related to this system before performing the following inspection procedure.

PROCEDURE

1. INSPECT RADIO RECEIVER ASSEMBLY

(a) Disconnect the radio receiver assembly connector.





(b) Measure the resistance according to the value(s) in the table below.

Standard Resistance:





(c) Measure the voltage according to the value(s) in the table below.

Standard Voltage:





Text in Illustration





NG -- REPAIR OR REPLACE HARNESS OR CONNECTOR

OK -- PROCEED TO NEXT SUSPECTED AREA SHOWN IN PROBLEM SYMPTOMS TABLE Problem Symptoms Table