Operation CHARM: Car repair manuals for everyone.
Manuals through 2025 now available!

Our trusted friends have launched a new website named LEMON, which has newer manuals. It also contains all the CHARM manuals.

LEMON is the spiritual successor to CHARM, I recommend you try it!

Link: lemon-manuals.la or lemon-manuals.org.ua

(Some people have issue connecting. LEMON is investigating. For now, use Firefox or change your DNS server)

Or, hide this message: temporarily or permanently

Speaker Circuit





AUDIO / VIDEO: AUDIO AND VISUAL SYSTEM (w/ Navigation System): Speaker Circuit
- Speaker Circuit

DESCRIPTION

If there is a short in this speaker circuit, the stereo component amplifier assembly detects the short and stops output to the speakers.

Thus sound cannot be heard from the speakers even if there is no malfunction in the stereo component amplifier assembly, DCM (telematics transceiver)*1 or speakers.

* *1: w/ Manual (SOS) Switch

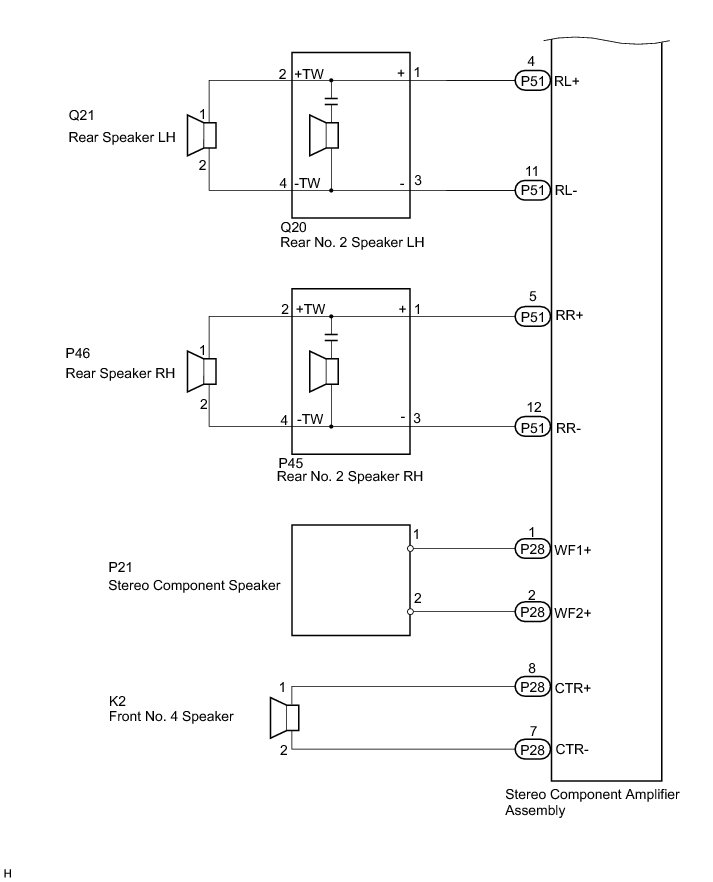
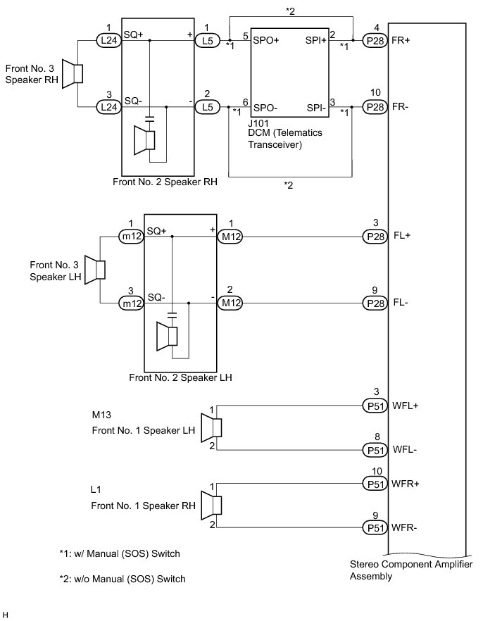
WIRING DIAGRAM

1. w/o Front Center Speaker









2. w/ Front Center Speaker









INSPECTION PROCEDURE

PROCEDURE

1. CHECK HARNESS AND CONNECTOR

(a) Disconnect the connectors shown in the illustration from the stereo component amplifier assembly, speakers and DCM (telematics transceiver)*1.

*1: w/ Manual (SOS) Switch

Text in Illustration

















(b) Measure the resistance between the front No. 2 speaker LH and the stereo component amplifier assembly to check for an open circuit in the wire harness.

Standard Resistance:

w/ Front Center Speaker





w/o Front Center Speaker





(c) w/o Manual (SOS) Switch:

Measure the resistance between the front No. 2 speaker RH and the stereo component amplifier assembly to check for an open circuit in the wire harness.

Standard Resistance:

w/ Front Center Speaker





w/o Front Center Speaker





(d) w/ Manual (SOS) Switch:

Measure the resistance between the stereo component amplifier assembly and the DCM (telematics transceiver) to check for an open circuit in the wire harness.

Standard Resistance:

w/ Front Center Speaker





w/o Front Center Speaker





(e) w/ Manual (SOS) Switch:

Measure the resistance between the front No. 2 speaker RH and the DCM (telematics transceiver) to check for an open circuit in the wire harness.

Standard Resistance:





(f) Measure the resistance between each of the front No. 1 speakers and the stereo component amplifier assembly to check for an open circuit in the wire harness.

Standard Resistance:





(g) w/o Front Center Speaker:

Measure the resistance between each of the rear speakers and the stereo component amplifier assembly to check for an open circuit in the wire harness.

Standard Resistance:





(h) w/ Front Center Speaker:

Measure the resistance between the front No. 4 speaker and the stereo component amplifier assembly to check for an open circuit in the wire harness.

Standard Resistance:





(i) w/ Front Center Speaker:

Measure the resistance between each of the rear No. 2 speakers and the stereo component amplifier assembly to check for an open circuit in the wire harness.

Standard Resistance:





(j) w/ Front Center Speaker:

Measure the resistance between the stereo component speaker and the stereo component amplifier assembly to check for an open circuit in the wire harness.

Standard Resistance:





(k) w/ Front Center Speaker:

Measure the resistance between each of the rear No. 2 speakers and the rear speakers to check for an open circuit in the wire harness.

Standard Resistance:





(l) Measure the resistance between the stereo component amplifier assembly and body ground to check for a short circuit in the wire harness.

Standard Resistance:





*9: w/ Front Center Speaker

*10: w/o Front Center Speaker

(m) w/ Manual (SOS) Switch:

Measure the resistance between the front No. 2 speaker RH and body ground to check for a short circuit in the wire harness.

Standard Resistance:





(n) w/ Front Center Speaker:

Measure the resistance between each of the rear No. 2 speakers and body ground to check for a short circuit in the wire harness.

Standard Resistance:





NG -- REPAIR OR REPLACE HARNESS OR CONNECTOR
OK -- Continue to next step.

2. INSPECT FRONT NO. 1 SPEAKER

(a) Resistance check





(1) Measure the resistance according to the value(s) in the table below.

Standard Resistance:

w/o Front Center Speaker





w/ Front Center Speaker





Text in Illustration





NG -- REPLACE FRONT NO. 1 SPEAKER Removal
OK -- Continue to next step.

3. INSPECT REAR SPEAKER

(a) Resistance check





(1) Measure the resistance according to the value(s) in the table below.

Standard Resistance:

w/o Front Center Speaker





w/ Front Center Speaker





Text in Illustration





NG -- REPLACE REAR SPEAKER Removal
OK -- Continue to next step.

4. CONFIRM MODEL

(a) Choose the model to be inspected.

Result





B -- INSPECT FRONT NO. 2 SPEAKER
A -- Continue to next step.

5. INSPECT FRONT NO. 2 SPEAKER

(a) Resistance check





(1) Measure the resistance according to the value(s) in the table below.

Standard Resistance:





Text in Illustration





NG -- REPLACE FRONT NO. 2 SPEAKER Removal
OK -- Continue to next step.

6. INSPECT FRONT NO. 3 SPEAKER

(a) Resistance check

(1) Measure the resistance according to the value(s) in the table below.





Standard Resistance:





Text in Illustration





NG -- REPLACE FRONT NO. 3 SPEAKER Removal
OK -- Continue to next step.

7. REPLACE FRONT NO. 3 SPEAKER

(a) Check that the malfunction disappears when a known good speaker is installed Removal.

OK:

Malfunction disappears.

HINT
* Connect all the connectors to the front No. 3 speakers that were disconnected.
* When there is a possibility that either the right or left front speaker is defective, inspect by interchanging the right one with the left one.
* Perform the above inspection on both LH and RH sides.

(b) Proceed to the next step based on the inspection result.

Result:





B -- INSPECT DCM (TELEMATICS TRANSCEIVER)

C -- PROCEED TO NEXT SUSPECTED AREA SHOWN IN PROBLEM SYMPTOMS TABLE Problem Symptoms Table

A -- END (FRONT NO. 3 SPEAKER WAS DEFECTIVE)

8. INSPECT FRONT NO. 2 SPEAKER

(a) Resistance check





Standard Resistance:





NG -- REPLACE FRONT NO. 2 SPEAKER Removal
OK -- Continue to next step.

9. REPLACE FRONT NO. 2 SPEAKER

(a) Check that the malfunction disappears when a known good speaker is installed Removal.

OK:

Malfunction disappears.

HINT
* Connect all the connectors to the front No. 2 speakers that were disconnected.
* When there is a possibility that either the right or left front speaker is defective, inspect by interchanging the right one with the left one.
* Perform the above inspection on both LH and RH sides.

NG -- INSPECT FRONT NO. 3 SPEAKER

OK -- END (FRONT NO. 2 SPEAKER WAS DEFECTIVE)

10. INSPECT FRONT NO. 3 SPEAKER

(a) Resistance check

(1) Measure the resistance according to the value(s) in the table below.





Standard Resistance:





Text in Illustration





NG -- REPLACE FRONT NO. 3 SPEAKER Removal
OK -- Continue to next step.

11. INSPECT FRONT NO. 4 SPEAKER

(a) Resistance check





(1) Measure the resistance according to the value(s) in the table below.

Standard Resistance:





Text in Illustration





NG -- REPLACE FRONT NO. 4 SPEAKER Removal
OK -- Continue to next step.

12. INSPECT REAR NO. 2 SPEAKER

(a) Resistance check

(1) Measure the resistance according to the value(s) in the table below.





Standard Resistance:





Text in Illustration





NG -- REPLACE REAR NO. 2 SPEAKER Removal
OK -- Continue to next step.

13. REPLACE REAR NO. 2 SPEAKER

(a) Check that the malfunction disappears when a known good speaker is installed Removal.

OK:

Malfunction disappears.

HINT
* Connect all the connectors to the rear No. 2 speakers that were disconnected.
* When there is a possibility that either the right or left front speaker is defective, inspect by interchanging the right one with the left one.
* Perform the above inspection on both LH and RH sides.

NG -- INSPECT STEREO COMPONENT SPEAKER

OK -- END (REAR NO. 2 SPEAKER WAS DEFECTIVE)

14. INSPECT STEREO COMPONENT SPEAKER

(a) Resistance check





(1) Measure the resistance according to the value(s) in the table below.

Standard Resistance:





Text in Illustration





(b) Proceed to the next step based on the inspection result.

Result:





B -- PROCEED TO NEXT SUSPECTED AREA SHOWN IN PROBLEM SYMPTOMS TABLE Problem Symptoms Table

C -- REPLACE STEREO COMPONENT SPEAKER Removal
A -- Continue to next step.

15. INSPECT DCM (TELEMATICS TRANSCEIVER)

(a) Resistance check





(1) Measure the resistance according to the value(s) in the table below.

Standard Resistance:





Text in Illustration





NG -- REPLACE DCM (TELEMATICS TRANSCEIVER) Removal

OK -- PROCEED TO NEXT SUSPECTED AREA SHOWN IN PROBLEM SYMPTOMS TABLE Problem Symptoms Table