Operation CHARM: Car repair manuals for everyone.
Manuals through 2025 now available!

Our trusted friends have launched a new website named LEMON, which has newer manuals. It also contains all the CHARM manuals.

LEMON is the spiritual successor to CHARM, I recommend you try it!

Link: lemon-manuals.la or lemon-manuals.org.ua

(Some people have issue connecting. LEMON is investigating. For now, use Firefox or change your DNS server)

Or, hide this message: temporarily or permanently

Stereo Component Amplifier Communication Error





AUDIO / VIDEO: AUDIO AND VISUAL SYSTEM (w/o Navigation System without Multi-display): Stereo Component Amplifier Communication Error
- Stereo Component Amplifier Communication Error

INSPECTION PROCEDURE

PROCEDURE

1. IDENTIFY COMPONENT SHOWN BY SUB-CODE

(a) Enter diagnostic mode.





(b) Press preset switch "2" to change the mode to "Detailed Information Mode".

(c) Identify the component shown by the sub-code.

HINT
* "P190" set by the radio receiver assembly is shown in the preceding illustration as an example.
* For details of the DTC display, refer to DTC Check/Clear Audio And Visual System (w/o Navigation System without Multi-display).

NEXT -- Continue to next step.

2. CHECK POWER SOURCE CIRCUIT OF COMPONENT SHOWN BY SUB-CODE

(a) Inspect the power source circuit of the component shown by the sub-code.

If the power source circuit is operating normally, proceed to the next step.

HINT
The satellite radio tuner is built into the radio receiver assembly. If there is a problem between the satellite radio tuner and radio receiver assembly, replace the radio receiver assembly.

Component Table





NEXT -- Continue to next step.

3. INSPECT RADIO RECEIVER ASSEMBLY

(a) Disconnect the radio receiver assembly connectors.





(b) Measure the resistance according to the value(s) in the table below.

Standard Resistance:





Text in Illustration





NG -- REPLACE RADIO RECEIVER ASSEMBLY Removal
OK -- Continue to next step.

4. CHECK HARNESS AND CONNECTOR (STEREO COMPONENT AMPLIFIER - COMPONENT SHOWN BY SUB-CODE)

HINT
* Start the check from the circuit that is near the component shown by the sub-code first.
* For details of the connectors, refer to Terminals of ECU Audio and Visual System (w/o Navigation System without Multi-display).

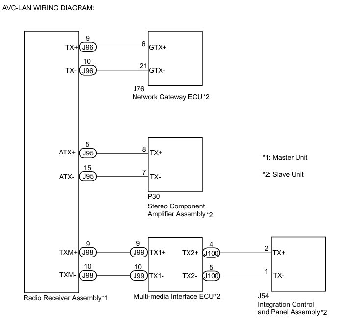
(a) Referring to the following AVC-LAN wiring diagram, check the AVC-LAN circuit between the stereo component amplifier assembly and component shown by the sub-code.

(1) Disconnect all connectors between the stereo component amplifier assembly and component shown by the sub-code.

(2) Check for an open or short in the AVC-LAN circuit between the stereo component amplifier assembly and component shown by the sub-code.

OK:

There is no open or short circuit.





NG -- REPAIR OR REPLACE HARNESS OR CONNECTOR
OK -- Continue to next step.

5. REPLACE COMPONENT SHOWN BY SUB-CODE

(a) Replace the component shown by the sub-code with a known good one and check if the same problem occurs again.

OK:

Malfunction disappears.

NG -- REPLACE STEREO COMPONENT AMPLIFIER Removal

OK -- END