Climate Control Seat System Does Not Operate
SEAT: CLIMATE CONTROL SEAT SYSTEM: Climate Control Seat System does not Operate
- Climate Control Seat System does not Operate
DESCRIPTION
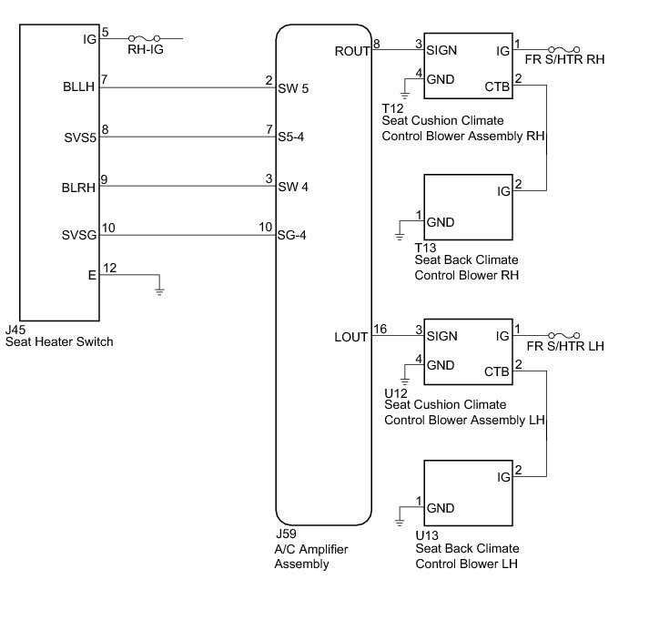
The A/C amplifier assembly receives seat heater switch position signals when the engine switch is on (IG), and then transmits airflow amount signals to each seat climate blower.
WIRING DIAGRAM
INSPECTION PROCEDURE
PROCEDURE
1. SYSTEM CHECK
(a) Check the climate control seat operation.
Result:
B -- SYSTEM CHECK
C -- INSPECT SEAT HEATER SWITCH
A -- Continue to next step.
2. SYSTEM CHECK
(a) Check the climate control operation again.
Result:
B -- CHECK HARNESS AND CONNECTOR
A -- Continue to next step.
3. CHECK HARNESS AND CONNECTOR
(a) Disconnect the U13 connector.
(b) Measure the voltage according to the value(s) in the table below.
Standard Voltage:
Text in Illustration
NG -- CHECK HARNESS AND CONNECTOR
OK -- REPLACE SEAT BACK CLIMATE CONTROL BLOWER LH Disassembly
4. CHECK HARNESS AND CONNECTOR
(a) Disconnect the U12 connector.
(b) Measure the resistance according to the value(s) in the table below.
Standard Resistance:
Text in Illustration
NG -- REPAIR OR REPLACE HARNESS OR CONNECTOR
OK -- REPLACE SEAT CUSHION CLIMATE CONTROL BLOWER ASSEMBLY Disassembly
5. CHECK HARNESS AND CONNECTOR
(a) Disconnect the U12 connector.
(b) Measure the voltage and resistance according to the value(s) in the table below.
Standard Voltage and Resistance:
Text in Illustration
NG -- REPAIR OR REPLACE HARNESS OR CONNECTOR
OK -- Continue to next step.
6. CHECK A/C AMPLIFIER ASSEMBLY
(a) Reconnect the U12 connector.
(b) Check the input signal waveform.
(1) Connect an oscilloscope to terminal 3 and body ground with the climate control blower LH connector still connected.
(2) Check the signal waveform according to the condition(s) in the table below.
Text in Illustration
NG -- CHECK HARNESS AND CONNECTOR
OK -- REPLACE SEAT CUSHION CLIMATE CONTROL BLOWER ASSEMBLY Disassembly
7. CHECK HARNESS AND CONNECTOR
(a) Disconnect the U12 and J59 connectors.
(b) Measure the resistance according to the value(s) in the table below.
Standard Resistance:
Text in Illustration
NG -- REPAIR OR REPLACE HARNESS OR CONNECTOR
OK -- Continue to next step.
8. INSPECT SEAT HEATER SWITCH
(a) Remove the seat heater switch Removal.
(b) Measure the resistance according to the value(s) in the table below.
Standard Resistance:
Text in Illustration
NG -- REPLACE SEAT HEATER SWITCH Removal
OK -- Continue to next step.
9. CHECK HARNESS AND CONNECTOR
(a) Measure the resistance according to the value(s) in the table below.
Standard Resistance:
Text in Illustration
NG -- REPAIR OR REPLACE HARNESS OR CONNECTOR
OK -- REPLACE A/C AMPLIFIER ASSEMBLY Removal
10. SYSTEM CHECK
(a) Check the climate control operation again.
Result:
B -- CHECK HARNESS AND CONNECTOR
A -- Continue to next step.
11. CHECK HARNESS AND CONNECTOR
(a) Disconnect the T13 connector.
(b) Measure the voltage according to the value(s) in the table below.
Standard Voltage:
Text in Illustration
NG -- CHECK HARNESS AND CONNECTOR
OK -- REPLACE SEAT BACK CLIMATE CONTROL BLOWER RH Disassembly
12. CHECK HARNESS AND CONNECTOR
(a) Disconnect the T12 connector.
(b) Measure the resistance according to the value(s) in the table below.
Standard Resistance:
Text in Illustration
NG -- REPAIR OR REPLACE HARNESS OR CONNECTOR
OK -- REPLACE SEAT CUSHION CLIMATE CONTROL BLOWER ASSEMBLY Disassembly
13. CHECK HARNESS AND CONNECTOR
(a) Disconnect the T12 connector.
(b) Measure the voltage and resistance according to the value(s) in the table below.
Standard Voltage and Resistance:
Text in Illustration
NG -- REPAIR OR REPLACE HARNESS OR CONNECTOR
OK -- Continue to next step.
14. CHECK A/C AMPLIFIER ASSEMBLY
(a) Reconnect the T12 connector.
(b) Check the input signal waveform.
(1) Connect an oscilloscope to terminal 3 and body ground with the climate control blower RH connector still connected.
(2) Check the signal waveform according to the condition(s) in the table below.
Text in Illustration
NG -- CHECK HARNESS AND CONNECTOR
OK -- REPLACE SEAT CUSHION CLIMATE CONTROL BLOWER ASSEMBLY Disassembly
15. CHECK HARNESS AND CONNECTOR
(a) Disconnect the T12 and J59 connectors.
(b) Measure the resistance according to the value(s) in the table below.
Standard Resistance:
Text in Illustration
NG -- REPAIR OR REPLACE HARNESS OR CONNECTOR
OK -- Continue to next step.
16. INSPECT SEAT HEATER SWITCH
(a) Remove the seat heater switch Removal.
(b) Measure the resistance according to the value(s) in the table below.
Standard Resistance:
Text in Illustration
NG -- REPLACE SEAT HEATER SWITCH Removal
OK -- Continue to next step.
17. CHECK HARNESS AND CONNECTOR
(a) Measure the resistance according to the value(s) in the table below.
Standard Resistance:
Text in Illustration
NG -- REPAIR OR REPLACE HARNESS OR CONNECTOR
OK -- REPLACE A/C AMPLIFIER ASSEMBLY Removal
18. INSPECT SEAT HEATER SWITCH
(a) Remove the seat heater switch Removal.
(b) Measure the resistance according to the value(s) in the table below.
Standard Resistance:
Text in Illustration
NG -- REPLACE SEAT HEATER SWITCH Removal
OK -- Continue to next step.
19. CHECK HARNESS AND CONNECTOR
(a) Disconnect the J59 connector.
(b) Measure the resistance according to the value(s) in the table below.
Standard Resistance:
Text in Illustration
NG -- REPAIR OR REPLACE HARNESS OR CONNECTOR
OK -- REPLACE A/C AMPLIFIER ASSEMBLY Removal