Operation CHARM: Car repair manuals for everyone.
Manuals through 2025 now available!

Our trusted friends have launched a new website named LEMON, which has newer manuals. It also contains all the CHARM manuals.

LEMON is the spiritual successor to CHARM, I recommend you try it!

Link: lemon-manuals.la or lemon-manuals.org.ua

(Some people have issue connecting. LEMON is investigating. For now, use Firefox or change your DNS server)

Or, hide this message: temporarily or permanently

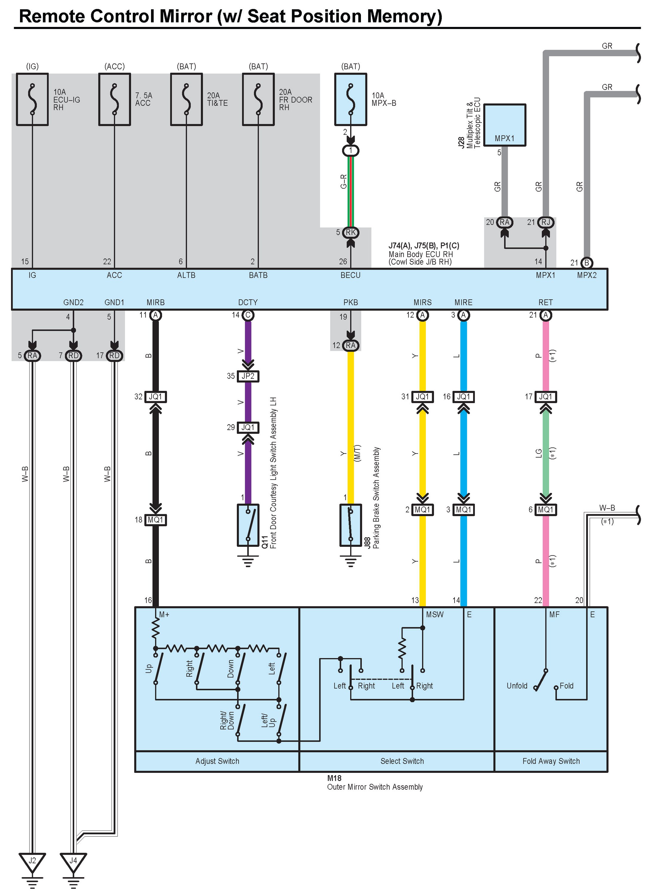
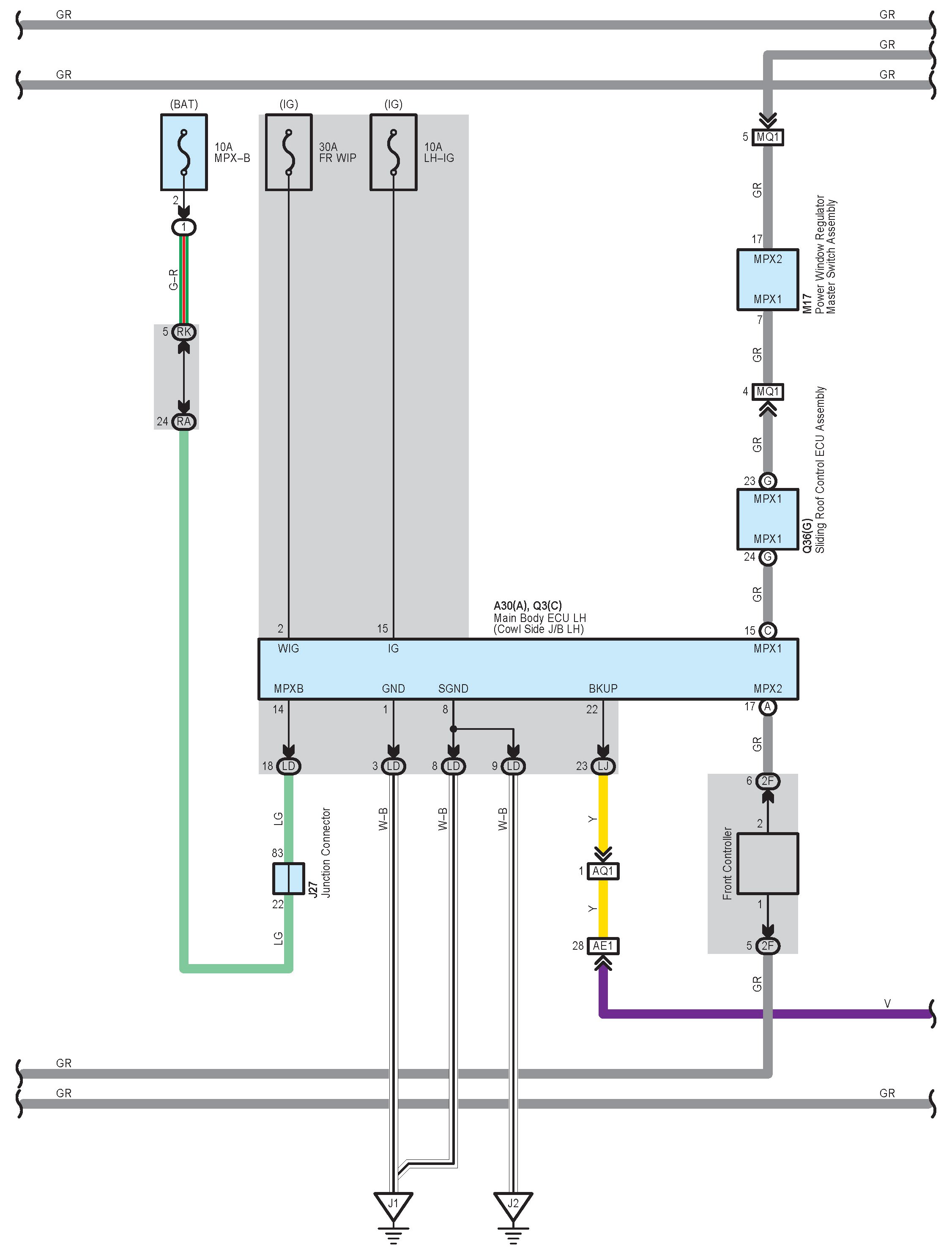
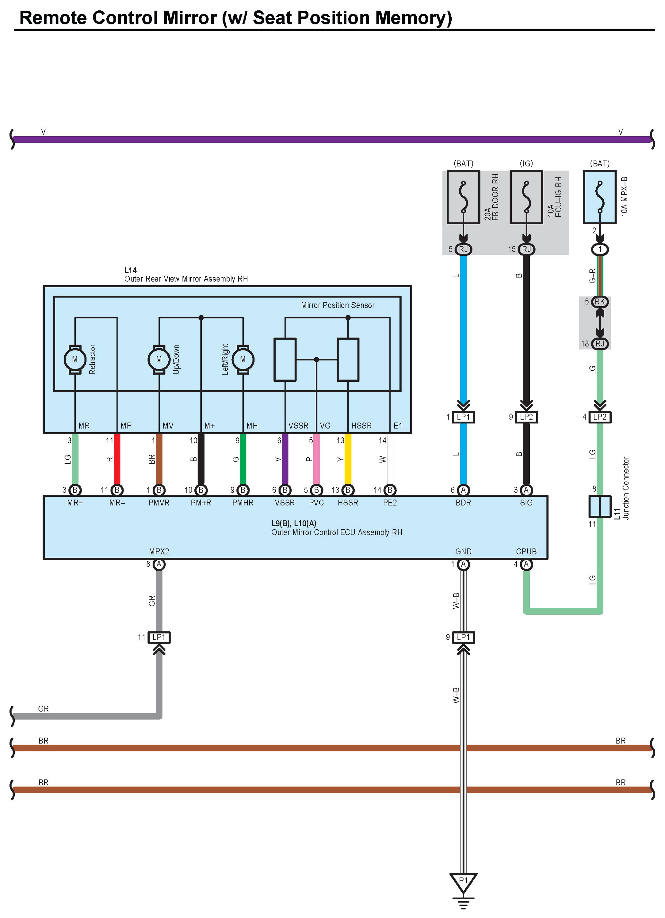
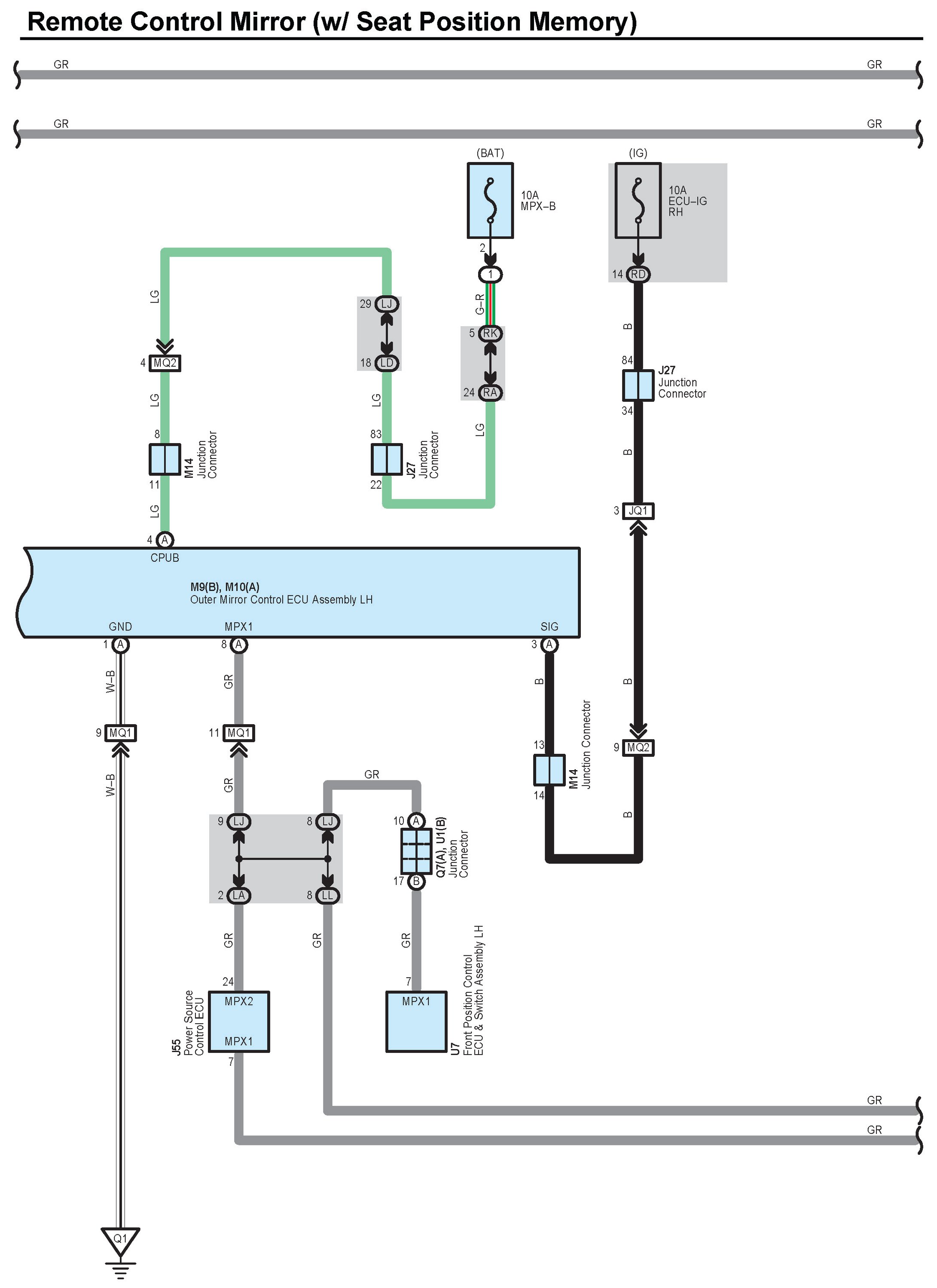
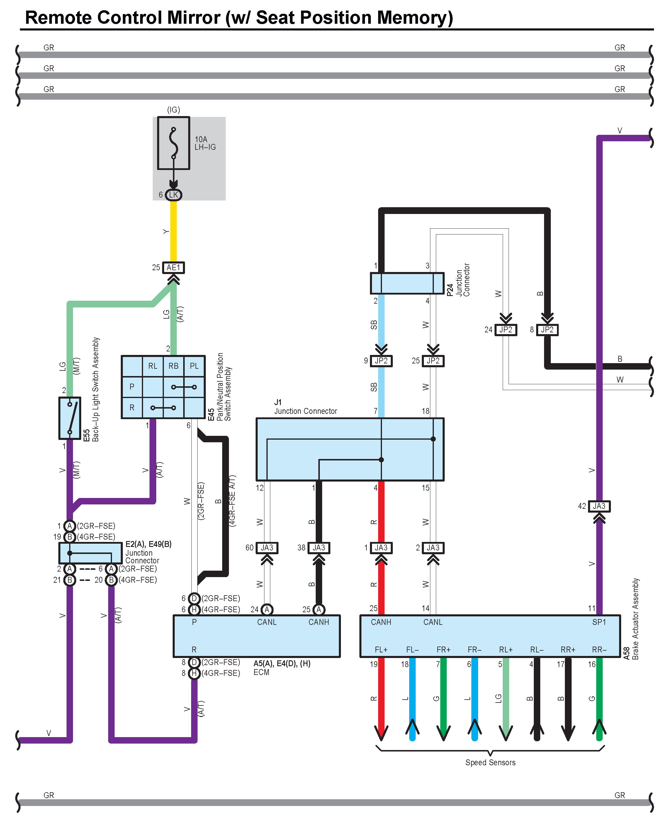
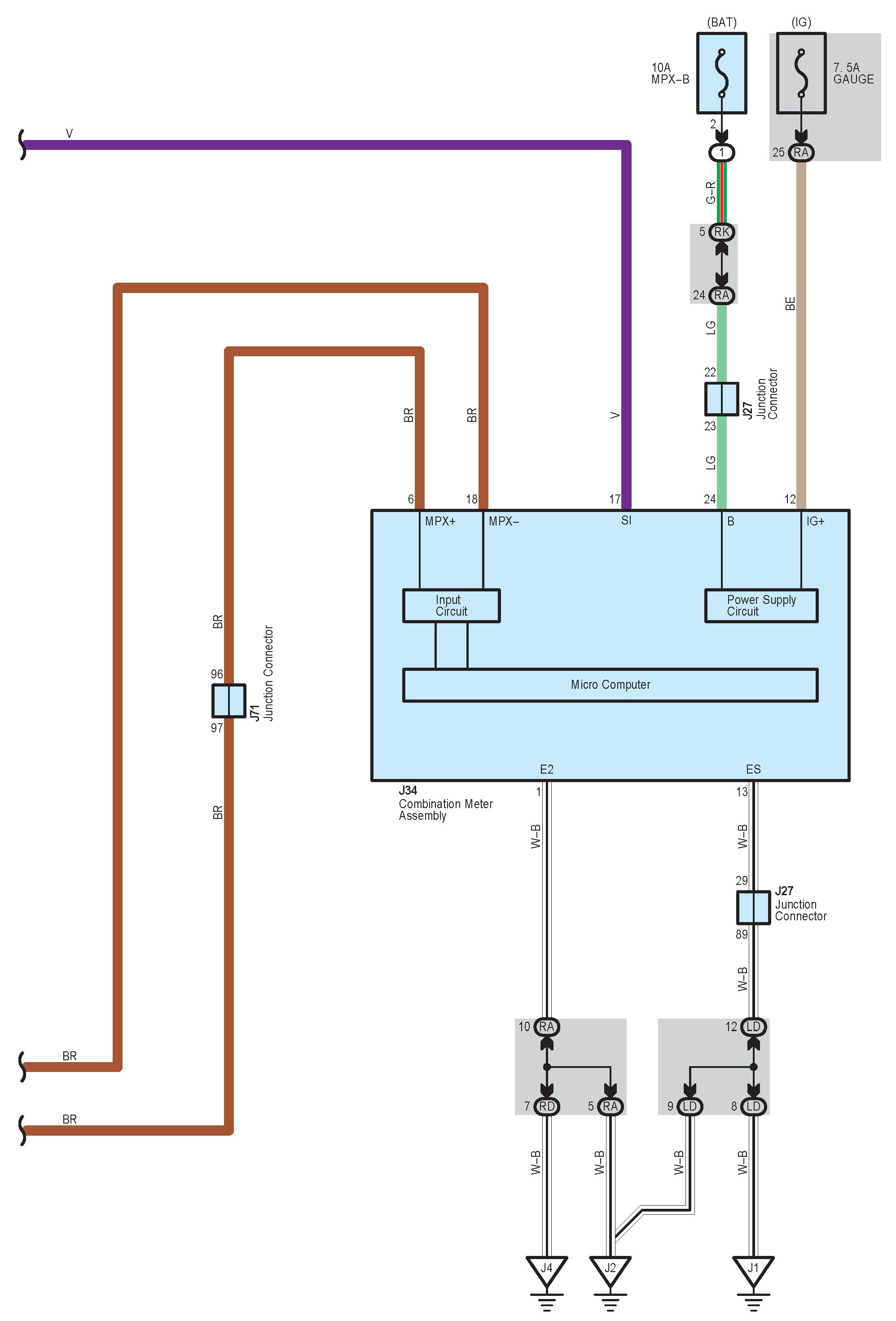
Remote Control Mirror (W/ Seat Position Memory)

Remote Control Mirror (w/ Seat Position Memory) Part 1:




Remote Control Mirror (w/ Seat Position Memory) Part 2:




Remote Control Mirror (w/ Seat Position Memory) Part 3:




Remote Control Mirror (w/ Seat Position Memory) Part 4:




Remote Control Mirror (w/ Seat Position Memory) Part 5:




Remote Control Mirror (w/ Seat Position Memory) Part 6:




Remote Control Mirror (w/ Seat Position Memory) Part 7:




Remote Control Mirror (w/ Seat Position Memory) Part 8:









Locations: The locations of components, connectors, ground points, and splices referred to within these diagrams can be found at Vehicle Locations. Component Locations

Connector Views: Diagrams of the connectors referred to within these diagrams can be found at Connector Views by Connector Number. Connector Views By Connector Number