No Answer-Back
DOOR LOCK: WIRELESS DOOR LOCK CONTROL SYSTEM: No Answer-Back
- No Answer-Back
DESCRIPTION
In some cases, wireless door lock control functions are normal but the turn signal lights and wireless door lock buzzer are not. Malfunctions may be present in the main body ECU and/or certification ECU, turn signal lights, wireless door lock buzzer signal and/or wireless door lock buzzer controller signal outputs.
NOTICE:
* Before performing the inspection, check that there are no problems related to the "LIN COMMUNICATION SYSTEM".
* Before performing the inspection, check that there are no problems related to the "CAN COMMUNICATION SYSTEM".
* When troubleshooting a function, first make sure that the answer-back function is set to the default setting.
* Check that DTC B1242 is not output.
* If the certification ECU is replaced, the codes must be registered.
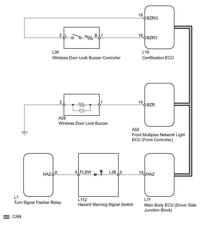
WIRING DIAGRAM
INSPECTION PROCEDURE
PROCEDURE
1. READ VALUE USING TECHSTREAM (DOOR LOCK POSITION SWITCH)
(a) Using the Techstream, read the Data List.
Driver Door:
Passenger Door:
Rear Left Door:
Rear Right Door:
OK:
On the screen, item changes between ON and OFF according to above chart.
Result
B -- Go to POWER DOOR LOCK CONTROL SYSTEM (Proceed to Only Driver Door LOCK/UNLOCK Functions do not Operate) Problem Symptoms Table
C -- Go to POWER DOOR LOCK CONTROL SYSTEM (Proceed to Only Passenger Door LOCK/UNLOCK Functions do not Operate) Problem Symptoms Table
D -- Go to POWER DOOR LOCK CONTROL SYSTEM (Proceed to Only Rear Door LH LOCK/UNLOCK Functions do not Operate) Problem Symptoms Table
E -- Go to POWER DOOR LOCK CONTROL SYSTEM (Proceed to Only Rear Door RH LOCK/UNLOCK Functions do not Operate) Problem Symptoms Table
A -- Continue to next step.
2. CHECK WIRELESS DOOR LOCK FUNCTION
(a) Check that the wireless door lock control functions operate with a transmitter Operation Check.
Result:
B -- CHECK HARNESS AND CONNECTOR (CERTIFICATION ECU - WIRELESS DOOR LOCK BUZZER CONTROLLER AND BODY GROUND)
C -- Go to "Only Wireless Control Function is Inoperative" Only Wireless Control Function Is Inoperative
A -- Continue to next step.
3. CHECK HAZARD WARNING LIGHT
(a) Check that the turn signal lights flash continuously when the hazard warning signal switch is pressed.
OK:
Hazard warning lights flash continuously.
NG -- Go to LIGHTING SYSTEM Problem Symptoms Table
OK -- Continue to next step.
4. PERFORM ACTIVE TEST USING TECHSTREAM
(a) Operate the Techstream according to the steps on the display and select "Active Test".
Main Body:
OK:
Hazard warning lights condition can be switched by "Active Test".
NG -- Go to LIGHTING SYSTEM Problem Symptoms Table
OK -- REPLACE MAIN BODY ECU (DRIVER SIDE JUNCTION BLOCK)
5. CHECK HARNESS AND CONNECTOR (CERTIFICATION ECU - WIRELESS DOOR LOCK BUZZER CONTROLLER AND BODY GROUND)
(a) Disconnect the L16 ECU connector.
(b) Disconnect the L30 controller connector.
(c) Measure the resistance according to the value(s) in the table below.
Standard resistance:
NG -- REPAIR OR REPLACE HARNESS OR CONNECTOR
OK -- Continue to next step.
6. INSPECT WIRELESS DOOR LOCK BUZZER CONTROLLER
(a) Remove the buzzer controller Removal.
(b) Measure the resistance according to the value(s) in the table below.
Standard resistance:
NG -- REPLACE WIRELESS DOOR LOCK BUZZER CONTROLLER Removal
OK -- Continue to next step.
7. CHECK HARNESS AND CONNECTOR (FRONT MULTIPLEX NETWORK LIGHT ECU - WIRELESS DOOR LOCK BUZZER)
(a) Disconnect the A52 ECU connector.
(b) Disconnect the A28 buzzer connector.
(c) Measure the resistance according to the value(s) in the table below.
Standard resistance:
NG -- REPAIR OR REPLACE HARNESS OR CONNECTOR
OK -- Continue to next step.
8. CHECK WIRELESS DOOR LOCK BUZZER (OPERATION)
(a) Temporarily replace the wireless door lock buzzer with a new one Removal.
(b) Check that the wireless door lock buzzer sounds by using the transmitter LOCK/UNLOCK switch.
OK:
Wireless door lock buzzer sounds.
NG -- CHECK FRONT MULTIPLEX NETWORK LIGHT ECU (OPERATION)
OK -- END (WIRELESS DOOR LOCK BUZZER IS DEFECTIVE)
9. CHECK FRONT MULTIPLEX NETWORK LIGHT ECU (OPERATION)
(a) Temporarily replace the front multiplex network light ECU (front controller) with a new one.
(b) Check that the wireless door lock buzzer sounds by using transmitter LOCK/UNLOCK switch.
OK:
Wireless door lock buzzer sounds.
NG -- REPLACE CERTIFICATION ECU
OK -- END (FRONT MULTIPLEX NETWORK LIGHT ECU IS DEFECTIVE)