Operation CHARM: Car repair manuals for everyone.
Manuals through 2025 now available!

Our trusted friends have launched a new website named LEMON, which has newer manuals. It also contains all the CHARM manuals.

LEMON is the spiritual successor to CHARM, I recommend you try it!

Link: lemon-manuals.la or lemon-manuals.org.ua

(Some people have issue connecting. LEMON is investigating. For now, use Firefox or change your DNS server)

Or, hide this message: temporarily or permanently

Climate Control System Does Not Operate on Driver Side





SEAT: CLIMATE CONTROL SEAT SYSTEM: Climate Control System does not Operate on Driver Side
- Climate Control System does not Operate on Driver Side

DESCRIPTION

When the seat climate switch is operated, the seat climate control ECU receives the signal and operates the air seat.

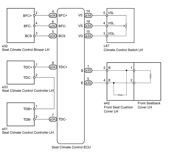
WIRING DIAGRAM





INSPECTION PROCEDURE

PROCEDURE

1. CONFIRM PROBLEM SYMPTOMS

Result





B -- CHECK SEAT CLIMATE CONTROL ECU

C -- CHECK SEAT CLIMATE CONTROL ECU
A -- Continue to next step.

2. CHECK SEAT CLIMATE CONTROL ECU

(a) Measure the voltage according to the value(s) in the table below.





Standard voltage:





NG -- INSPECT CLIMATE CONTROL SWITCH LH

OK -- REPLACE SEAT CLIMATE CONTROL ECU Disassembly

3. INSPECT CLIMATE CONTROL SWITCH LH

(a) Disconnect the L67 climate control switch connector.





(b) Measure the resistance according to the value(s) in the table below.

Standard resistance:





NG -- REPLACE CLIMATE CONTROL SWITCH LH Removal
OK -- Continue to next step.

4. CHECK HARNESS AND CONNECTOR (SEAT CLIMATE CONTROL ECU - CLIMATE CONTROL SWITCH)

(a) Disconnect the e34 ECU connector.





(b) Disconnect the L67 climate control switch connector.

(c) Measure the resistance according to the value(s) in the table below.

Standard resistance:





NG -- REPAIR OR REPLACE HARNESS OR CONNECTOR

OK -- REPLACE SEAT CLIMATE CONTROL ECU Disassembly

5. CHECK SEAT CLIMATE CONTROL ECU

(a) Measure the voltage according to the value(s) in the table below.





Standard voltage:





NG -- INSPECT CLIMATE CONTROL SWITCH LH
OK -- Continue to next step.

6. PERFORM ACTIVE TEST USING TECHSTREAM

(a) Select the Active Test, use the Techstream to generate a control command, and then check the climate control seat function.

Front Left Seat A/C





OK:

Cool air operates normally

NG -- PERFORM ACTIVE TEST USING TECHSTREAM

OK -- REPLACE SEAT CLIMATE CONTROL ECU Disassembly

7. INSPECT CLIMATE CONTROL SWITCH LH

(a) Disconnect the L67 climate control switch connector.





(b) Measure the resistance according to the value(s) in the table below.

Standard resistance:





NG -- REPLACE CLIMATE CONTROL SWITCH LH Removal
OK -- Continue to next step.

8. CHECK HARNESS AND CONNECTOR (SEAT CLIMATE CONTROL ECU - CLIMATE CONTROL SWITCH)

(a) Disconnect the e34 ECU connector.





(b) Disconnect the L67 climate control switch connector.

(c) Measure the resistance according to the value(s) in the table below.

Standard resistance:





NG -- REPAIR OR REPLACE HARNESS OR CONNECTOR

OK -- REPLACE SEAT CLIMATE CONTROL ECU Disassembly

9. PERFORM ACTIVE TEST USING TECHSTREAM

(a) Select the Active Test, use the Techstream to generate a control command, and then check the blower motor function.

Front Left Seat A/C





OK:

Blower motor operates normally

NG -- CHECK SEAT CLIMATE CONTROL ECU
OK -- Continue to next step.

10. CHECK SEAT CLIMATE CONTROL CONTROLLER LH (for SEAT CUSHION)

(a) Replace the seat climate control controller (for Seat Cushion) Disassembly.

(b) Check the climate control seat function is normal.

OK:

Climate control seat function is normal

NG -- CHECK SEAT CLIMATE CONTROL CONTROLLER LH (for SEATBACK)

OK -- END (SEAT CLIMATE CONTROL CONTROLLER LH [for SEAT CUSHION] WAS DEFECTIVE)

11. CHECK SEAT CLIMATE CONTROL ECU

(a) Disconnect the e32 climate control blower connector.





(b) Measure the voltage according to the value(s) in the table below.

Standard voltage:





NG -- CHECK HARNESS AND CONNECTOR (SEAT CLIMATE CONTROL ECU - SEAT CLIMATE CONTROL BLOWER LH)

OK -- REPLACE SEAT CLIMATE CONTROL BLOWER LH Disassembly

12. CHECK SEAT CLIMATE CONTROL CONTROLLER LH (for SEATBACK)

(a) Replace the seat climate control controller (for Seatback) Disassembly.

(b) Check the climate control seat function is normal.

OK:

Climate control seat function is normal

NG -- CHECK HARNESS AND CONNECTOR (SEAT CLIMATE CONTROL ECU - SEAT CLIMATE CONTROL CONTROLLER LH)

OK -- END (SEAT CLIMATE CONTROL CONTROLLER LH [for SEATBACK] WAS DEFECTIVE)

13. CHECK HARNESS AND CONNECTOR (SEAT CLIMATE CONTROL ECU - SEAT CLIMATE CONTROL BLOWER LH)

(a) Disconnect the e34 ECU connector.





(b) Disconnect the e32 climate control blower connector.

(c) Measure the resistance according to the value(s) in the table below.

Standard resistance:





NG -- REPAIR OR REPLACE HARNESS OR CONNECTOR

OK -- REPLACE SEAT CLIMATE CONTROL ECU Disassembly

14. CHECK HARNESS AND CONNECTOR (SEAT CLIMATE CONTROL ECU - SEAT CLIMATE CONTROL CONTROLLER LH)

(a) Disconnect the e34 ECU connector.





(b) Disconnect the e33 and e51 climate control controller connectors.

(c) Measure the resistance according to the value(s) in the table below.

Standard resistance:





NG -- REPAIR OR REPLACE HARNESS OR CONNECTOR

OK -- REPLACE SEAT CLIMATE CONTROL ECU Disassembly

15. CHECK SEAT CLIMATE CONTROL ECU

(a) Measure the voltage according to the value(s) in the table below.





Standard voltage:





NG -- INSPECT CLIMATE CONTROL SWITCH LH

OK -- REPLACE SEAT CLIMATE CONTROL ECU Disassembly

16. INSPECT CLIMATE CONTROL SWITCH LH

(a) Disconnect the L67 climate control switch connector.





(b) Measure the resistance according to the value(s) in the table below.

Standard resistance:





NG -- REPLACE CLIMATE CONTROL SWITCH LH Removal
OK -- Continue to next step.

17. CHECK HARNESS AND CONNECTOR (SEAT CLIMATE CONTROL ECU - CLIMATE CONTROL SWITCH)

(a) Disconnect the e34 ECU connector.





(b) Disconnect the L67 climate control switch connector.

(c) Measure the resistance according to the value(s) in the table below.

Standard resistance:





NG -- REPAIR OR REPLACE HARNESS OR CONNECTOR
OK -- Continue to next step.

18. INSPECT FRONT SEAT CUSHION COVER LH

(a) Remove the front seat cushion cover LH.

(b) Check the seat cushion heater.





(1) Measure the resistance according to the value(s) in the table below.

Standard resistance:





If the result is not as specified, replace the front seat cushion cover LH.

(c) Check the seat cushion heater (wing part).





(1) Measure the resistance according to the value(s) in the table below.

Standard resistance:





If the result is not as specified, replace the front seat cushion cover LH.

NG -- REPLACE FRONT SEAT CUSHION COVER LH Removal
OK -- Continue to next step.

19. INSPECT FRONT SEATBACK COVER LH

(a) Remove the front seatback cover LH.

(b) Check the seatback heater.





(1) Measure the resistance according to the value(s) in the table below.

Standard resistance:





If the result is not as specified, replace the front seatback cover LH.

(c) Check the seatback heater (wing part).





(1) Measure the resistance according to the value(s) in the table below.

Standard resistance:





If the result is not as specified, replace the front seatback cover LH.

NG -- REPLACE FRONT SEATBACK COVER LH Removal
OK -- Continue to next step.

20. CHECK HARNESS AND CONNECTOR (SEAT CLIMATE CONTROL ECU - FRONT SEAT CUSHION COVER LH)

(a) Disconnect the e35 ECU connector.





(b) Disconnect the e42 cushion cover connector.

(c) Measure the resistance according to the value(s) in the table below.

Standard resistance:





NG -- REPAIR OR REPLACE HARNESS OR CONNECTOR

OK -- REPLACE SEAT CLIMATE CONTROL ECU Disassembly