Operation CHARM: Car repair manuals for everyone.
Manuals through 2025 now available!

Our trusted friends have launched a new website named LEMON, which has newer manuals. It also contains all the CHARM manuals.

LEMON is the spiritual successor to CHARM, I recommend you try it!

Link: lemon-manuals.la or lemon-manuals.org.ua

(Some people have issue connecting. LEMON is investigating. For now, use Firefox or change your DNS server)

Or, hide this message: temporarily or permanently

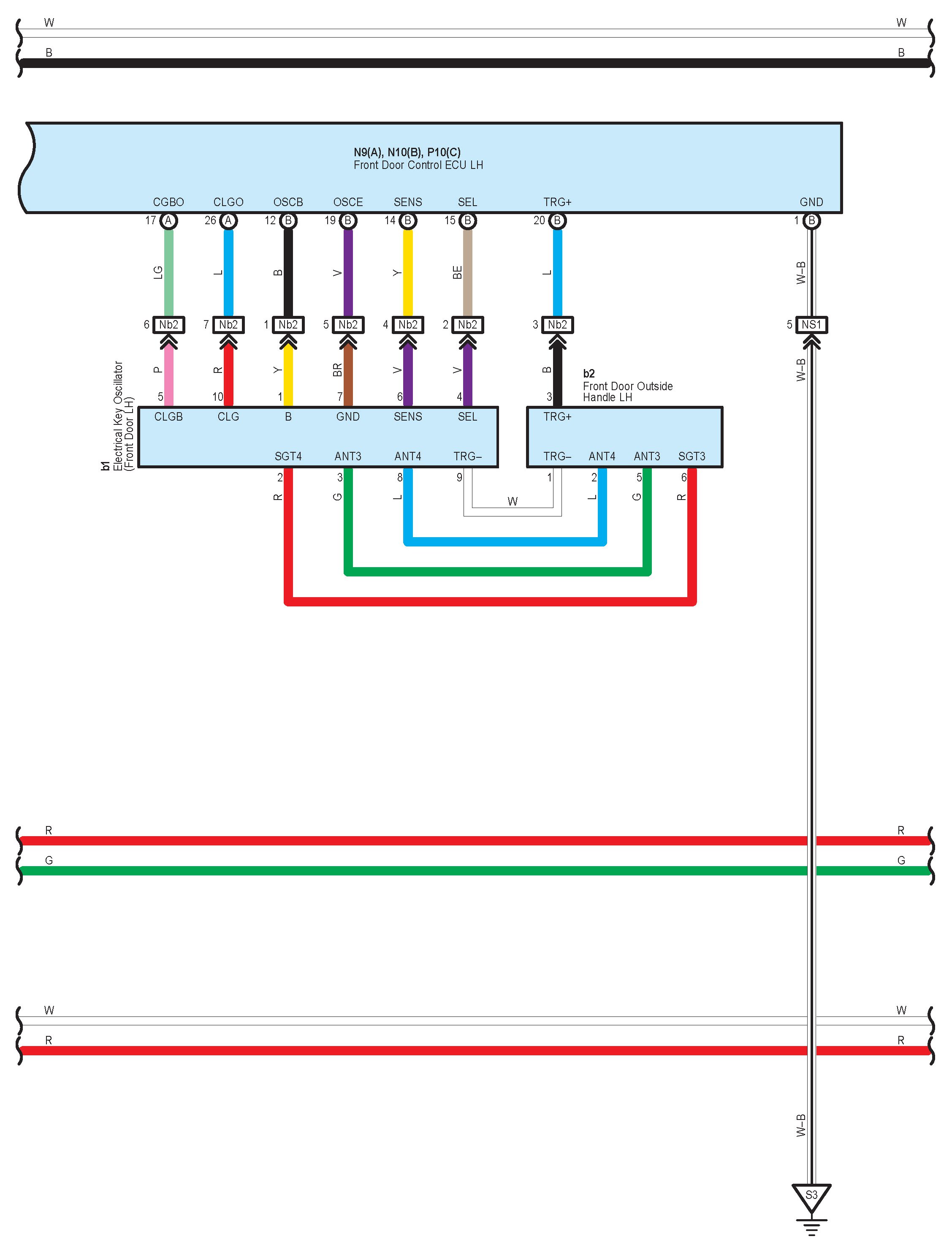
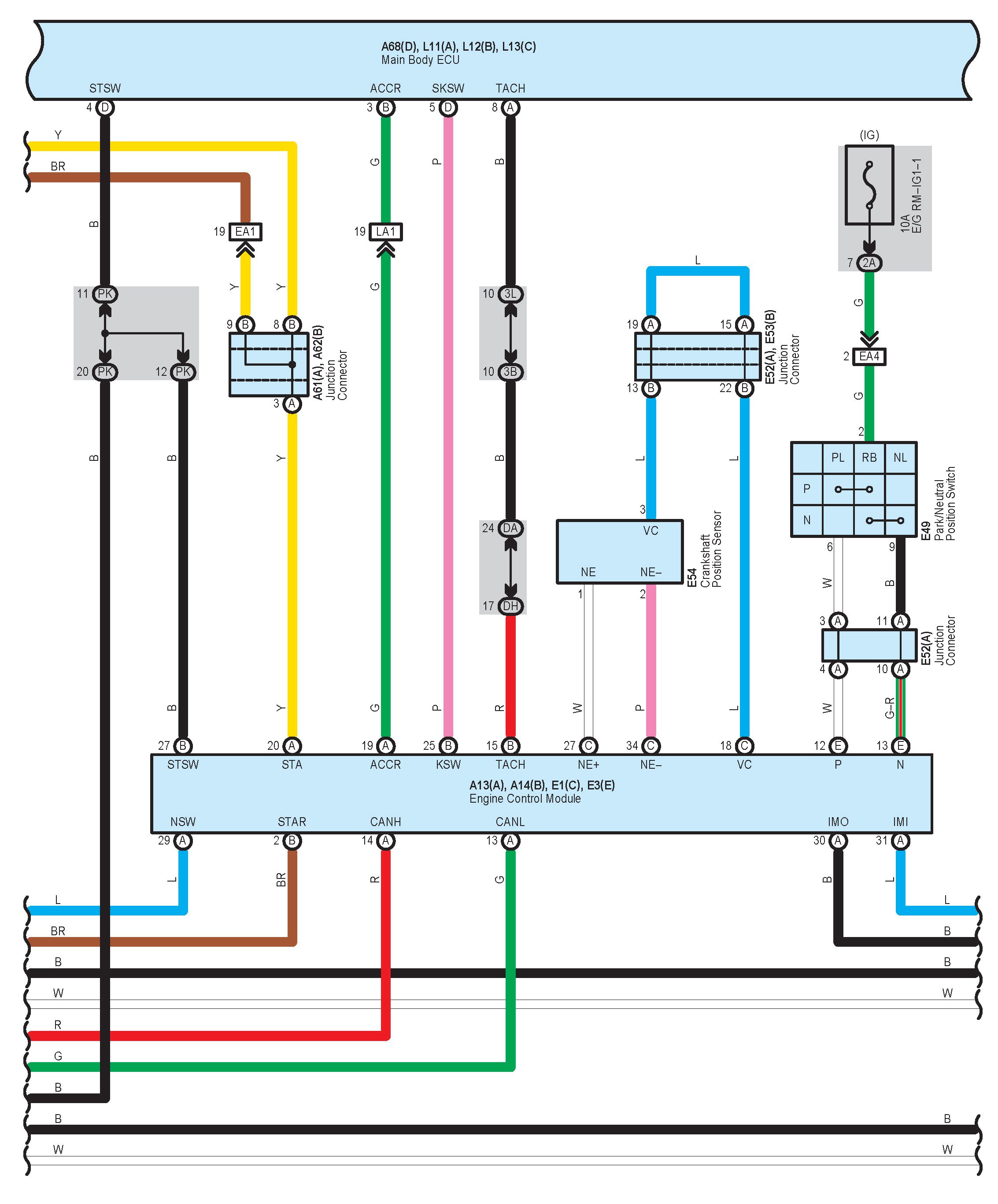
Smart Access System With Push-Button Start

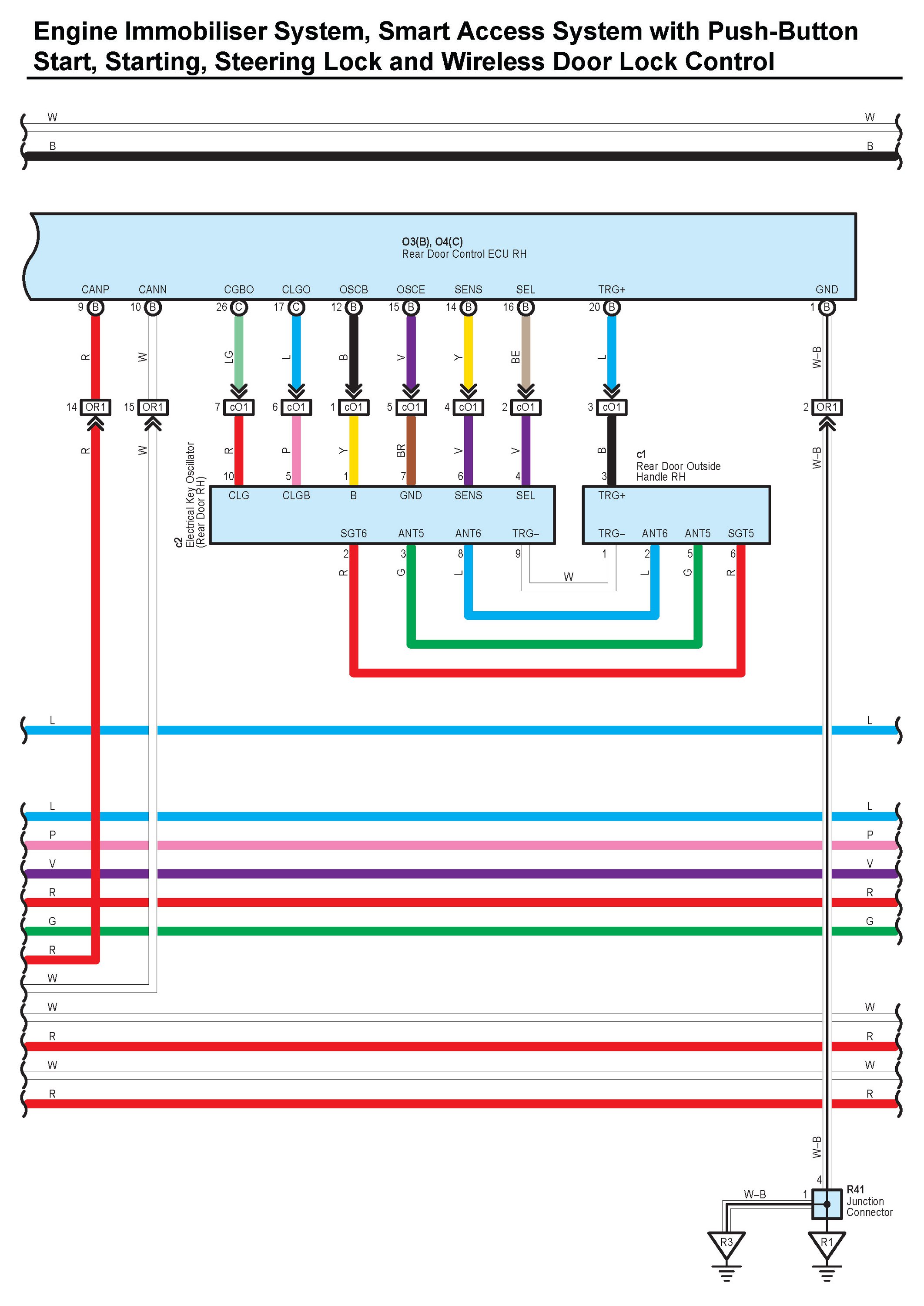
Engine Immobiliser System, Smart Access System with Push-Button Start, Starting, Steering Lock and Wireless Door Lock Control Part 1:




Engine Immobiliser System, Smart Access System with Push-Button Start, Starting, Steering Lock and Wireless Door Lock Control Part 2:




Engine Immobiliser System, Smart Access System with Push-Button Start, Starting, Steering Lock and Wireless Door Lock Control Part 3:




Engine Immobiliser System, Smart Access System with Push-Button Start, Starting, Steering Lock and Wireless Door Lock Control Part 4:




Engine Immobiliser System, Smart Access System with Push-Button Start, Starting, Steering Lock and Wireless Door Lock Control Part 5:




Engine Immobiliser System, Smart Access System with Push-Button Start, Starting, Steering Lock and Wireless Door Lock Control Part 6:




Engine Immobiliser System, Smart Access System with Push-Button Start, Starting, Steering Lock and Wireless Door Lock Control Part 7:




Engine Immobiliser System, Smart Access System with Push-Button Start, Starting, Steering Lock and Wireless Door Lock Control Part 8:




Engine Immobiliser System, Smart Access System with Push-Button Start, Starting, Steering Lock and Wireless Door Lock Control Part 9:




Engine Immobiliser System, Smart Access System with Push-Button Start, Starting, Steering Lock and Wireless Door Lock Control Part 10:




Engine Immobiliser System, Smart Access System with Push-Button Start, Starting, Steering Lock and Wireless Door Lock Control Part 11:




Engine Immobiliser System, Smart Access System with Push-Button Start, Starting, Steering Lock and Wireless Door Lock Control Part 12:




Engine Immobiliser System, Smart Access System with Push-Button Start, Starting, Steering Lock and Wireless Door Lock Control Part 13:




Engine Immobiliser System, Smart Access System with Push-Button Start, Starting, Steering Lock and Wireless Door Lock Control Part 14:




Engine Immobiliser System, Smart Access System with Push-Button Start, Starting, Steering Lock and Wireless Door Lock Control Part 15:




Engine Immobiliser System, Smart Access System with Push-Button Start, Starting, Steering Lock and Wireless Door Lock Control Part 16:




Engine Immobiliser System, Smart Access System with Push-Button Start, Starting, Steering Lock and Wireless Door Lock Control Part 17:




Engine Immobiliser System, Smart Access System with Push-Button Start, Starting, Steering Lock and Wireless Door Lock Control Part 18:




Engine Immobiliser System, Smart Access System with Push-Button Start, Starting, Steering Lock and Wireless Door Lock Control Part 19:




Engine Immobiliser System, Smart Access System with Push-Button Start, Starting, Steering Lock and Wireless Door Lock Control Part 20:




Engine Immobiliser System, Smart Access System with Push-Button Start, Starting, Steering Lock and Wireless Door Lock Control Part 21:




Engine Immobiliser System, Smart Access System with Push-Button Start, Starting, Steering Lock and Wireless Door Lock Control Part 22:




Engine Immobiliser System, Smart Access System with Push-Button Start, Starting, Steering Lock and Wireless Door Lock Control Part 23:




Engine Immobiliser System, Smart Access System with Push-Button Start, Starting, Steering Lock and Wireless Door Lock Control Part 24:




Engine Immobiliser System, Smart Access System with Push-Button Start, Starting, Steering Lock and Wireless Door Lock Control Part 25:















Locations: The locations of components, connectors, ground points, and splices referred to within these diagrams can be found at Vehicle Locations. Locations

Connector Views: Diagrams of the connectors referred to within these diagrams can be found at Connector Views by Connector Number. Connector Views By Connector Number