Operation CHARM: Car repair manuals for everyone.
Manuals through 2025 now available!

Our trusted friends have launched a new website named LEMON, which has newer manuals. It also contains all the CHARM manuals.

LEMON is the spiritual successor to CHARM, I recommend you try it!

Link: lemon-manuals.la or lemon-manuals.org.ua

(Some people have issue connecting. LEMON is investigating. For now, use Firefox or change your DNS server)

Or, hide this message: temporarily or permanently

Open In CAN Main Wire





CAN COMMUNICATION: CAN COMMUNICATION SYSTEM: Open in CAN Main Wire
- Open in CAN Main Wire

DESCRIPTION

There may be an open circuit in the CAN main wire and/or the DLC3 branch wire when the resistance between terminals 6 (CANH) and 14 (CANL) of the DLC3 is 69 Ohms or higher.





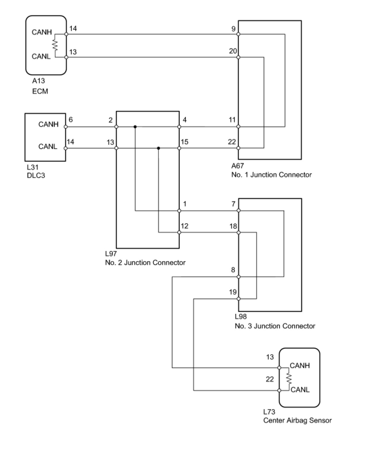
WIRING DIAGRAM





INSPECTION PROCEDURE

HINT
Operating the engine switch, any switches or any doors triggers related ECU and sensor communication with the CAN, which causes resistance variation.

PROCEDURE

1. DISCONNECT CABLE FROM NEGATIVE BATTERY TERMINAL

(a) Disconnect the cable from the negative (-) battery terminal before measuring the resistances of the main wire and the branch wire.

CAUTION:
Wait at least 90 seconds after disconnecting the cable from the negative (-) battery terminal to prevent airbag and seat belt pretensioner activation.

NOTICE:
* w/ Navigation System (for HDD):
After the engine switch is turned off, the display and navigation module display (HDD navigation system) records various types of memory and settings. As a result, after turning the engine switch off, be sure to wait for the time specified in the following table before disconnecting the cable from the negative (-) battery terminal.

Waiting Time before Disconnecting Cable from Negative (-) Battery Terminal:





* When disconnecting the cable, some systems need to be initialized after the cable is reconnected Repair Instruction - Initialization.

NEXT -- Continue to next step.

2. CHECK DLC3

(a) Measure the resistance according to the value(s) in the table below.





Result





NOTICE:
When the measured value is 132 Ohms or higher and a CAN communication system diagnostic trouble code is output, there may be fault besides disconnection of the DLC3 branch wire. For that reason, troubleshooting should be performed again from "HOW TO PROCEED WITH TROUBLESHOOTING" How to Proceed With Troubleshooting after repairing the trouble area.

NG -- REPAIR OR REPLACE CAN BRANCH WIRE CONNECTED TO DLC3 (CANH, CANL)
OK -- Continue to next step.

3. CHECK FOR OPEN IN CAN BUS MAIN WIRE (NO. 2 JUNCTION CONNECTOR - ECM)

(a) Disconnect the L97 No. 2 junction connector connector.





(b) Measure the resistance according to the value(s) in the table below.

Standard resistance:





NG -- CONNECT CONNECTOR
OK -- Continue to next step.

4. CHECK FOR OPEN IN CAN BUS MAIN WIRE (NO. 2 JUNCTION CONNECTOR - CENTER AIRBAG SENSOR)

(a) Measure the resistance according to the value(s) in the table below.





Standard resistance:





NG -- CONNECT CONNECTOR

OK -- REPLACE NO. 2 JUNCTION CONNECTOR

5. CONNECT CONNECTOR

(a) Reconnect the L97 No. 2 junction connector connector.

NEXT -- Continue to next step.

6. CHECK FOR OPEN IN CAN BUS MAIN WIRE (NO. 1 JUNCTION CONNECTOR - ECM)

(a) Disconnect the A67 No. 1 junction connector connector.





(b) Measure the resistance according to the value(s) in the table below.

Standard resistance:





NG -- CONNECT CONNECTOR
OK -- Continue to next step.

7. CHECK FOR OPEN IN CAN BUS MAIN WIRE (NO. 1 JUNCTION CONNECTOR - NO. 2 JUNCTION CONNECTOR)

(a) Measure the resistance according to the value(s) in the table below.

Standard resistance:









NG -- REPAIR OR REPLACE CAN MAIN WIRE OR CONNECTOR (NO. 1 JUNCTION CONNECTOR - NO. 2 JUNCTION CONNECTOR)

OK -- REPLACE NO. 1 JUNCTION CONNECTOR

8. CONNECT CONNECTOR

(a) Reconnect the A67 No. 1 junction connector connector.

NEXT -- Continue to next step.

9. CHECK FOR OPEN IN CAN BUS MAIN WIRE (ECM - NO. 1 JUNCTION CONNECTOR)

(a) Disconnect the A13 ECM connector.





(b) Measure the resistance according to the value(s) in the table below.

Standard resistance:





NG -- REPAIR OR REPLACE CAN MAIN WIRE CONNECTED TO ECM (ECM - NO. 1 JUNCTION CONNECTOR)

OK -- REPLACE ECM Removal

10. CONNECT CONNECTOR

(a) Reconnect the L97 No. 2 junction connector connector.

NEXT -- Continue to next step.

11. CHECK FOR OPEN IN CAN BUS MAIN WIRE (NO. 3 JUNCTION CONNECTOR - CENTER AIRBAG SENSOR)

(a) Disconnect the L98 No. 3 junction connector connector.





(b) Measure the resistance according to the value(s) in the table below.

Standard resistance:





NG -- CONNECT CONNECTOR
OK -- Continue to next step.

12. CHECK FOR OPEN IN CAN BUS MAIN WIRE (NO. 2 JUNCTION CONNECTOR - NO. 3 CAN JUNCTION CONNECTOR)

(a) Measure the resistance according to the value(s) in the table below.





Standard resistance:





NG -- REPAIR OR REPLACE CAN MAIN WIRE OR CONNECTOR (NO. 2 JUNCTION CONNECTOR - NO. 3 JUNCTION CONNECTOR)

OK -- REPLACE NO. 3 JUNCTION CONNECTOR

13. CONNECT CONNECTOR

(a) Reconnect the L98 No. 3 junction connector connector.

NEXT -- Continue to next step.

14. CHECK FOR OPEN IN CAN BUS MAIN WIRE (CENTER AIRBAG SENSOR - NO. 3 JUNCTION CONNECTOR)

(a) Disconnect the L73 center airbag sensor connector.





(b) Measure the resistance according to the value(s) in the table below.

Standard resistance:





NG -- REPAIR OR REPLACE CAN MAIN WIRE CONNECTED TO CENTER AIRBAG SENSOR (CENTER AIRBAG SENSOR - NO. 3 JUNCTION CONNECTOR)

OK -- REPLACE CENTER AIRBAG SENSOR ASSEMBLY Removal