Operation CHARM: Car repair manuals for everyone.
Manuals through 2025 now available!

Our trusted friends have launched a new website named LEMON, which has newer manuals. It also contains all the CHARM manuals.

LEMON is the spiritual successor to CHARM, I recommend you try it!

Link: lemon-manuals.la or lemon-manuals.org.ua

(Some people have issue connecting. LEMON is investigating. For now, use Firefox or change your DNS server)

Or, hide this message: temporarily or permanently

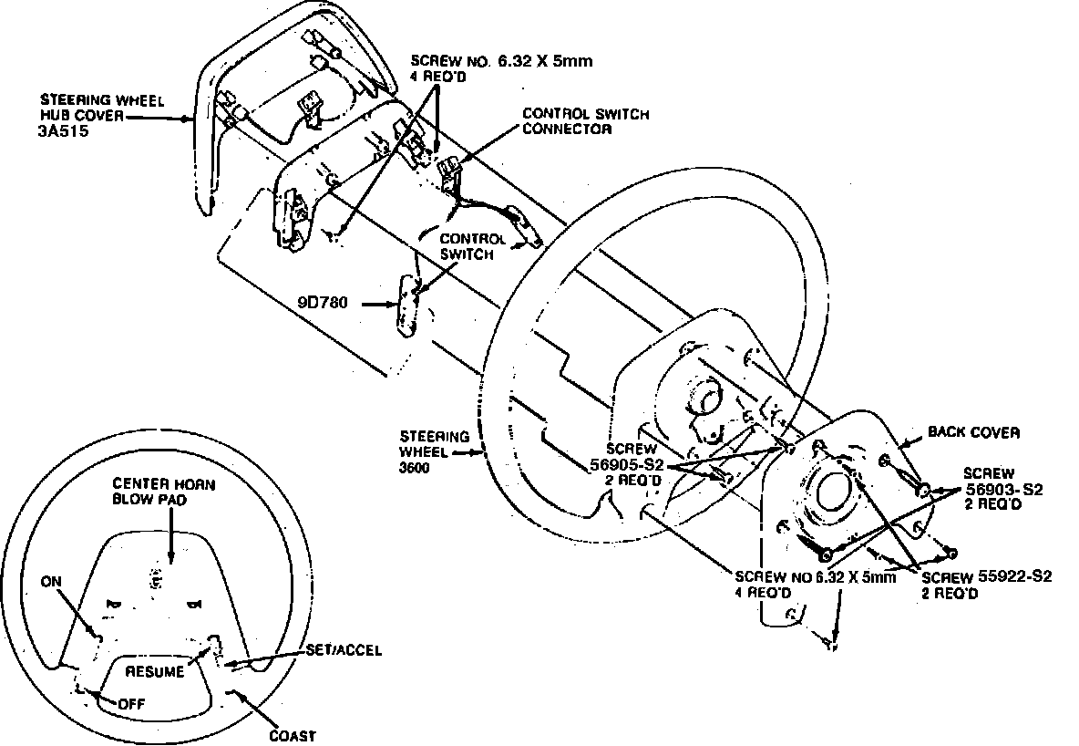
Cruise Control Switch: Service and Repair

Fig. 29 Steering Wheel Assembly. Mark VII:




Fig. 30 Control Switch Replacement. Mark VII:





1. Disconnect battery ground cable, then remove steering wheel center cover, Fig. 29.
2. Remove and discard steering wheel attaching bolt.
3. Using a puller, remove steering wheel from shaft. To prevent damage never hit steering wheel attaching bolt or use a knock-off type steering wheel puller.
4. Remove six screws retaining back cover to the steering wheel. Separate back cover from steering wheel, then disconnect control switch electrical connector.
5. Remove control switch as shown Fig. 30.
6. Reverse procedure to install. Torque new steering wheel attaching bolt to 23-33 ft. lbs.