Operation CHARM: Car repair manuals for everyone.
Manuals through 2025 now available!

Our trusted friends have launched a new website named LEMON, which has newer manuals. It also contains all the CHARM manuals.

LEMON is the spiritual successor to CHARM, I recommend you try it!

Link: lemon-manuals.la or lemon-manuals.org.ua

(Some people have issue connecting. LEMON is investigating. For now, use Firefox or change your DNS server)

Or, hide this message: temporarily or permanently

Heater Core Case: Service and Repair

REMOVAL
1. Disconnect the battery ground cable.
2. Disconnect the heater hoses from the heater core tubes and position them for minimum coolant loss.
3. Plug the heater core tubes securely to prevent coolant leakage from the heater core during the plenum removal.

Plenum/Evaporator Case And Air Inlet Duct Assembly:






4. Remove the three nuts located below the windshield wiper motor attaching the LH end of the plenum to the dash panel.
5. Remove the one nut retaining the upper LH corner of the evaporator case to the dash panel.
6. Disconnect the two vacuum supply hoses from the vacuum source. Disconnect the vacuum harness from the thermal blower lockout switch. Push the grommet and the vacuum supply hoses into the passenger compartment.
7. Remove the RH and the LH lower instrument panel insulators.
8. Remove all instrument panel mounting screws and pull the instrument panel back as far as it will go without disconnecting the wiring harness. Make sure the nuts that attach the instrument panel braces to the dash panel are removed.
9. Loosen the RH doorsill plate and remove the RH side cowl trim panel.
10. Remove the cross body brace and disconnect the wiring harness from the temperature blend door actuator.
11. Disconnect the ATC temperature sensor tube from the evaporator case connector.
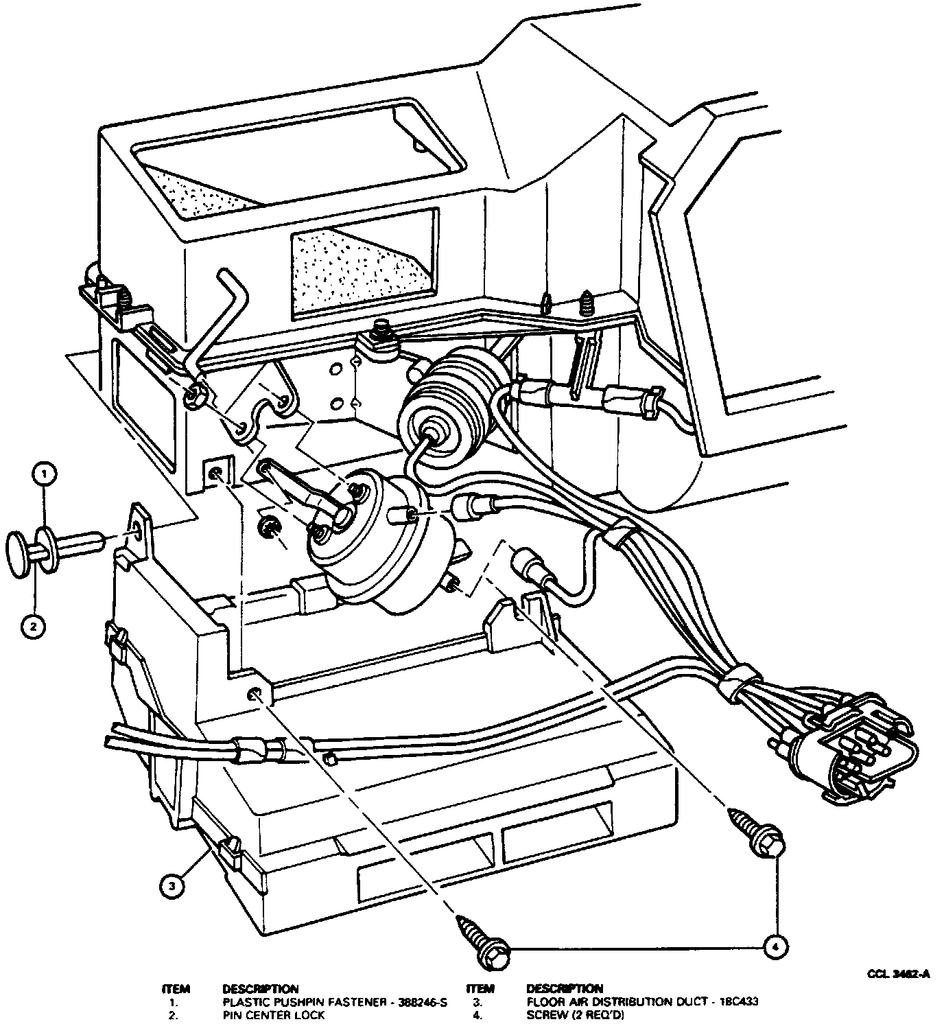
12. Disconnect the vacuum jumper harness at the multiple vacuum connector near the floor air distribution duct.
13. Disconnect the white vacuum hose from the outside-recirculate door vacuum motor.
14. Remove the LH and loosen the RH screw attaching the passenger (rear) side of the floor air distribution duct to the plenum. It may be necessary to remove the two screws attaching the partial (lower) panel door vacuum motor to the mounting bracket to gain access to the RH screw.

Floor Air Distribution Duct:






15. Remove the plastic push fastener retaining the floor air distribution duct to the LH end of the plenum and the two screws on the rear face of the plenum, and remove the floor air distribution duct.
16. Remove the two nuts from the two studs along the lower flange of the plenum.
17. Carefully move the plenum rearward to allow the heater core tubes and the stud at the top of the plenum to clear the holes in the dash panel.

INSTALLATION
1. Position the plenum on the rear of the dash panel with the heater core tubes and the stud at the top of the plenum through the holes in the dash panel.
2. Install the two nuts removed from the lower flange of the plenum.
3. Install the plastic push fastener retaining the LH end of floor air distribution duct to the LH end of the plenum.
4. Install the LH and the RH screws that attach the rear of the floor air distribution duct to the plenum. If necessary tighten the screws attaching the partial (lower) panel door vacuum motor to the mounting bracket.
5. Connect the white vacuum hose from the outside recirculate door vacuum motor.
6. Connect the vacuum jumper harness at the multiple vacuum connector near the floor air distribution duct.
7. Connect the ATC temperature sensor tube to the evaporator case connector.
8. Install the cross body brace and connect the wiring harness to the blend door actuator.
9. Replace the RH side cowl trim panel and tighten the screws in the RH doorsill plate.
10. Push the instrument panel back into position and install all instrument panel mounting screws.
11. Install the RH and the LH lower instrument panel insulators.
12. Push the vacuum supply hoses into the engine compartment and seat the grommet in the dash panel. Connect the two vacuum supply hoses to the vacuum source and connect the vacuum harness to the thermal blower lockout switch.
13. Install one nut retaining the upper LH corner of the evaporator case to the dash panel.
14. Install the three nuts, located below the windshield wiper motor, that attach the LH end of the plenum to the dash panel.
15. Unplug the heater core tubes and connect the heater hoses to the heater core tubes.
16. Connect the battery ground cable.

NOTE: On vehicles equipped with Electronic Engine Control (EEC), when the battery has been disconnected and reconnected, some abnormal drive symptoms may occur while the EEC processor relearns its adaptive strategy. The vehicle may need to be driven 10 miles or more to relearn the strategy.

17. Check the ATC system for proper operation.