Operation CHARM: Car repair manuals for everyone.
Manuals through 2025 now available!

Our trusted friends have launched a new website named LEMON, which has newer manuals. It also contains all the CHARM manuals.

LEMON is the spiritual successor to CHARM, I recommend you try it!

Link: lemon-manuals.la or lemon-manuals.org.ua

(Some people have issue connecting. LEMON is investigating. For now, use Firefox or change your DNS server)

Or, hide this message: temporarily or permanently

Installation

INSTALLATION

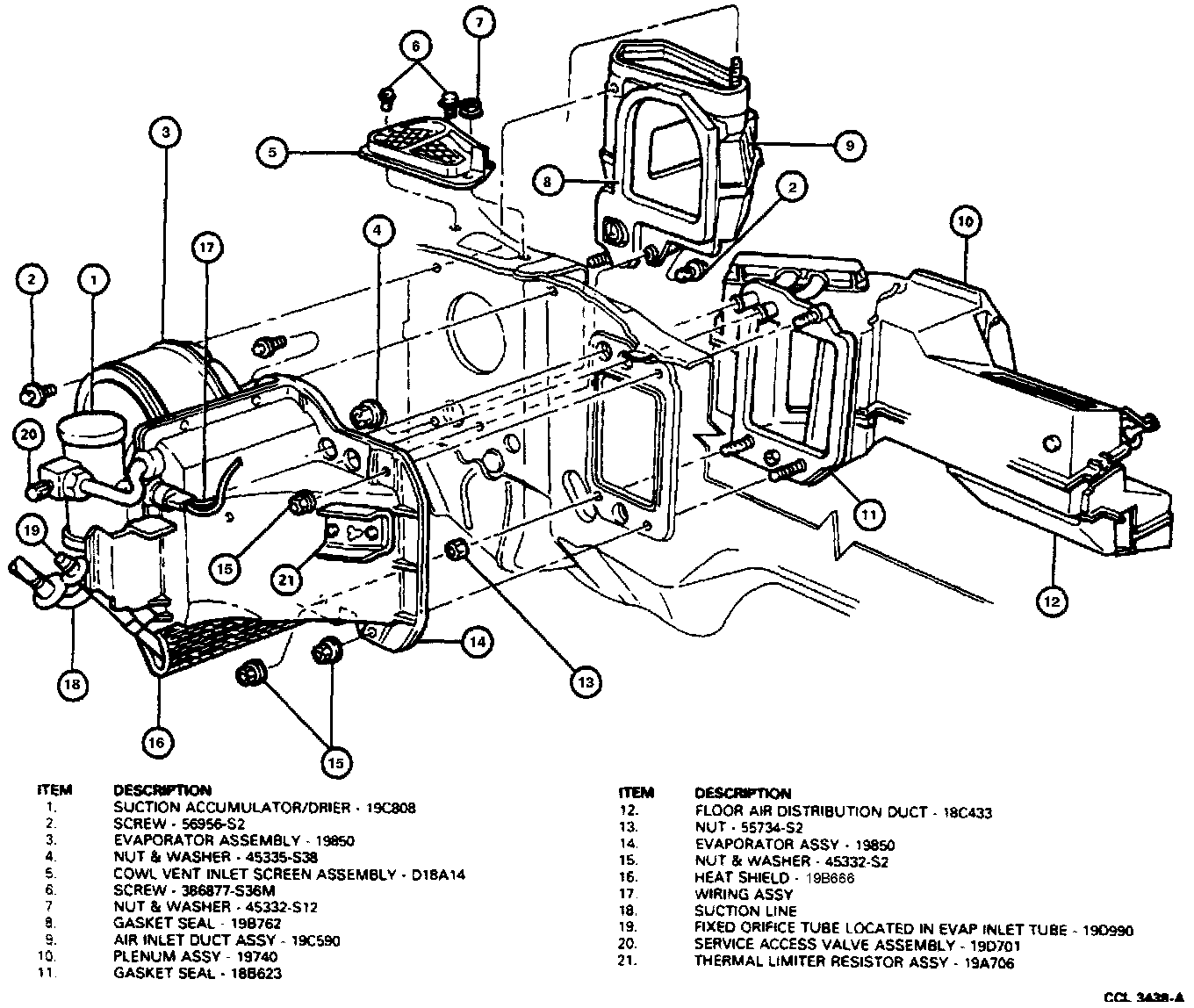
Heater Core Removal And Installation:






1. Carefully install the heater core and seal assembly into the plenum assembly. Visually check to ensure the core seal is properly positioned.
2. Position the heater core cover and install the four retaining screws and tighten.

Plenum/Evaporator Case And Air Inlet Duct Assembly:






3. Install the plenum assembly. See Plenum-Heater Core Case/Removal And Installation. Service and Repair