Operation CHARM: Car repair manuals for everyone.
Manuals through 2025 now available!

Our trusted friends have launched a new website named LEMON, which has newer manuals. It also contains all the CHARM manuals.

LEMON is the spiritual successor to CHARM, I recommend you try it!

Link: lemon-manuals.la or lemon-manuals.org.ua

(Some people have issue connecting. LEMON is investigating. For now, use Firefox or change your DNS server)

Or, hide this message: temporarily or permanently

Installation

1. Transfer three foam core seals to new heater core.
2. Install heater core and secure into evaporator case.

Fig 27 Heater Core Access Cover Removal:





3. Position heater core access cover on evaporator case and install four retaining screws (illustration).





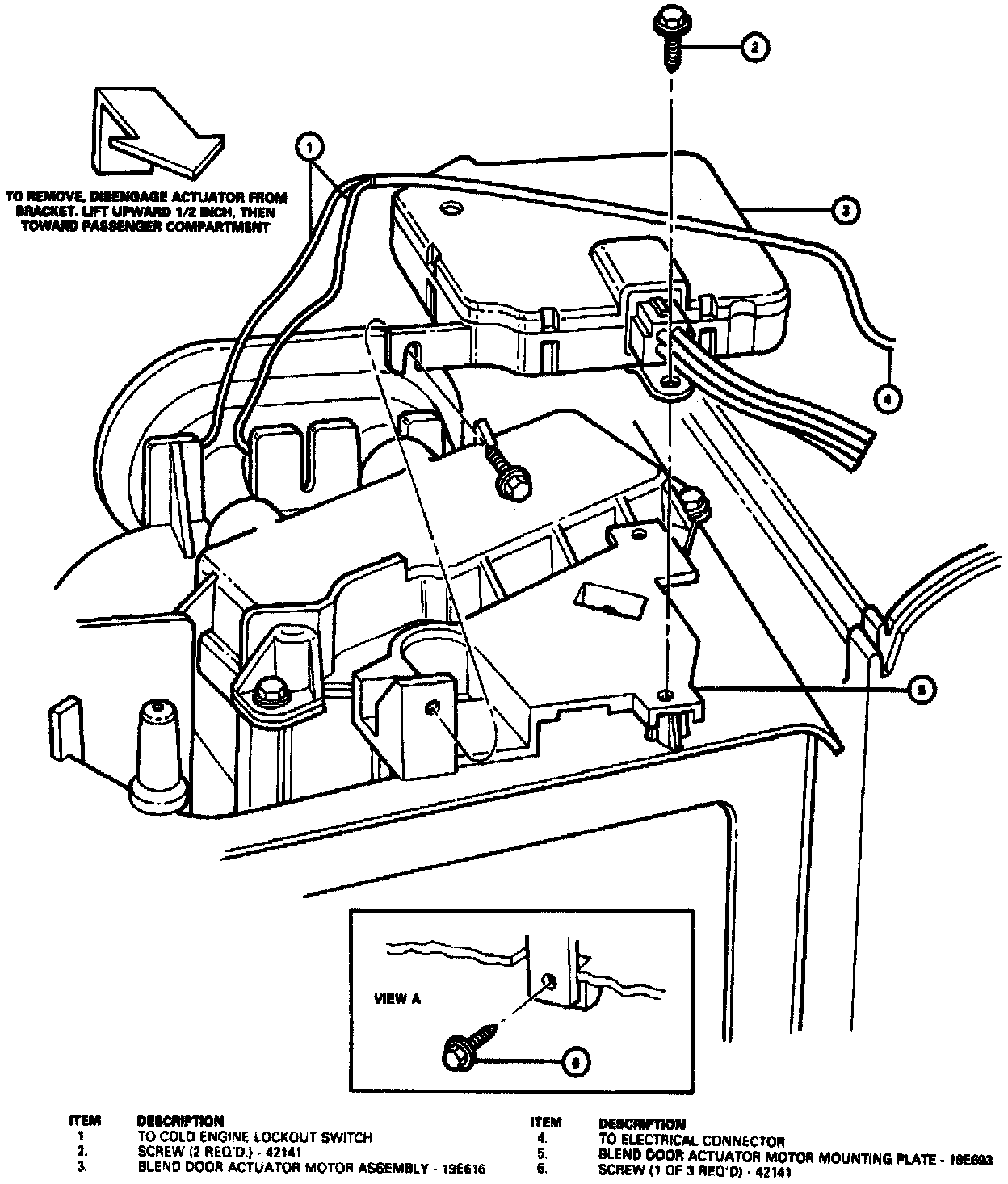
4. Position blend door actuator to blend door shaft. Install three screws retaining blend door actuator to evaporator case (illustration).





5. Install seal on heater core tubes (illustration).

Fig 26 Vacuum Line Removal From Heater Core Seal:





6. Install vacuum source line through heater core tube seal (illustration).
7. Install evaporator case assembly into vehicle. Installation
8. Install instrument panel into vehicle.