Operation CHARM: Car repair manuals for everyone.
Manuals through 2025 now available!

Our trusted friends have launched a new website named LEMON, which has newer manuals. It also contains all the CHARM manuals.

LEMON is the spiritual successor to CHARM, I recommend you try it!

Link: lemon-manuals.la or lemon-manuals.org.ua

(Some people have issue connecting. LEMON is investigating. For now, use Firefox or change your DNS server)

Or, hide this message: temporarily or permanently

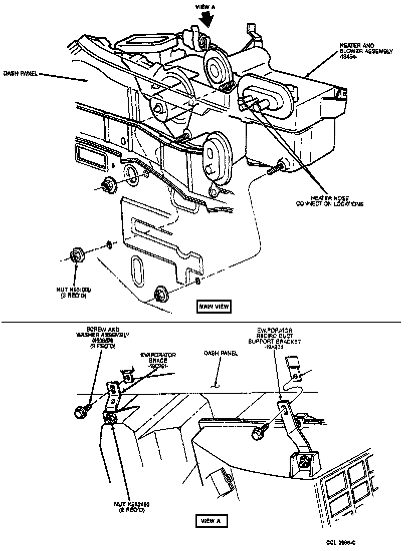
Heater Core: Service and Repair


Removal
1. Remove instrument panel and place it on front seat. Instrument Cluster / Carrier
2. Remove evaporator case assembly. Evaporator Case

Fig 26 Vacuum Line Removal From Heater Core Seal:






3. Remove vacuum source line from heater core tube seal (Fig. 33).

FIG. 25 A/C-Heater Evaporator Installation:






4. Remove seal from heater core tubes (Fig. 25).
5. Remove three screws retaining blend door actuator to evaporator case. Remove actuator from case (Fig. 25).

Fig 27 Heater Core Access Cover Removal:






6. Remove four heater core access cover retaining screws, and remove access cover and seal from evaporator case (Fig. 34).
7. Lift heater core and seals from evaporator case.

Installation
1. Transfer three foam core seals to new heater core.
2. Install heater core and secure into evaporator case.
3. Position heater core access cover on evaporator case and install four retaining screws.
4. Position blend door actuator to blend door shaft. Install three screws retaining blend door actuator to evaporator case.
5. Install seal on heater core tubes.
6. Install vacuum source line through heater core tube seal.
7. Install evaporator case assembly into vehicle.