Operation CHARM: Car repair manuals for everyone.
Manuals through 2025 now available!

Our trusted friends have launched a new website named LEMON, which has newer manuals. It also contains all the CHARM manuals.

LEMON is the spiritual successor to CHARM, I recommend you try it!

Link: lemon-manuals.la or lemon-manuals.org.ua

(Some people have issue connecting. LEMON is investigating. For now, use Firefox or change your DNS server)

Or, hide this message: temporarily or permanently

Component Tests and General Diagnostics


1. Turn ignition off, then on, to reset the system.

2. Ensure engine is warm. (At least 49°C (120°F) coolant temperature.)

3. Set control assembly to AUTO: 32°C (AUTO/9O°F).

^ Wait 40 seconds, minimum.

^ Verify that the system goes to high blower and that warm air is being discharged from the floor.
^ Verify that the recirc door is in the OUTSIDE AIR position.

^ Verify that warm air is bleeding out of the defroster nozzle.

^ Enter Self Test.

^ Record all faults and error codes displayed.

^ Exit Self Test.

^ Diagnose the system according to Error Code Key if any error codes are displayed. If any error codes were displayed during the AUTO: 32°C (AUTO/9O°F) test turn vehicle ignition off, then on, to reset the system.

4. Set control assembly to AUTO: 15°C (AUTO/6O°F).

^ Verify that the system goes to low blower then back to high blower as the temperature setting changes.

^ Wait 40 seconds, minimum.

^ Verify that cool air is being discharged from the panel.

^ Verify that the recirc door is in RECIRC position.

^ Enter Self Test.

^ Record all faults and error codes displayed.

^ Exit Self Test.

^ Diagnose the system according to Error Code Key if any error codes are displayed.

5. Repeat Step 3.

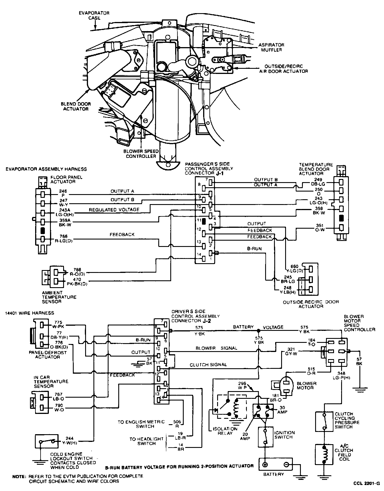
System Wiring Diagram:







6. Refer to Fig. 19 and Pinpoint Tests H through P for diagnosis if any other faults still exist. Pinpoint Tests