Operation CHARM: Car repair manuals for everyone.
Manuals through 2025 now available!

Our trusted friends have launched a new website named LEMON, which has newer manuals. It also contains all the CHARM manuals.

LEMON is the spiritual successor to CHARM, I recommend you try it!

Link: lemon-manuals.la or lemon-manuals.org.ua

(Some people have issue connecting. LEMON is investigating. For now, use Firefox or change your DNS server)

Or, hide this message: temporarily or permanently

Heater Core: Service and Repair

1. Remove instrument panel from vehicle.

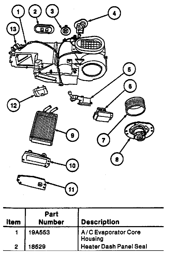
Fig. 10 Exploded View Of Evaporator Case:






Heater Core Removal

1. Remove instrument paneland place it on front seat. Dashboard / Instrument Panel
2. Remove seal from heater core tubes.
3. Remove three screws retaining A/C electronic door actuator motor to A/C evaporator housing. Remove A/C electronic door actuator motor from A/C evaporator housing.
4. Remove four heater core cover retaining screws, and remove heater core cover (18B300) and sea from A/C evaporator housing.
5. Partially drain coolant from radiator and disconnect heater water hoses from heater core.
6. Pull heater core and heater core cover seals (18N267) from heater water hoses.

INSTALLATION
1. Transfer three foam heater core cover seals to new heater core.
2. Install heater core cover and secure into A/C evaporator housing.
3. Position heater core cover on A/C evaporator housing and install four retaining screws.
4. Position A/C electronic door actuator motor to blend door shaft. Install three screws retaining A / C electronic door actuator motor to A / C evaporator housing.
5. Install seals on heater core tubes.
6. Connect heater water hoses, fill radiator with specified coolant and check operation of the system.











Heater Core Cover Removal