Operation CHARM: Car repair manuals for everyone.
Manuals through 2025 now available!

Our trusted friends have launched a new website named LEMON, which has newer manuals. It also contains all the CHARM manuals.

LEMON is the spiritual successor to CHARM, I recommend you try it!

Link: lemon-manuals.la or lemon-manuals.org.ua

(Some people have issue connecting. LEMON is investigating. For now, use Firefox or change your DNS server)

Or, hide this message: temporarily or permanently

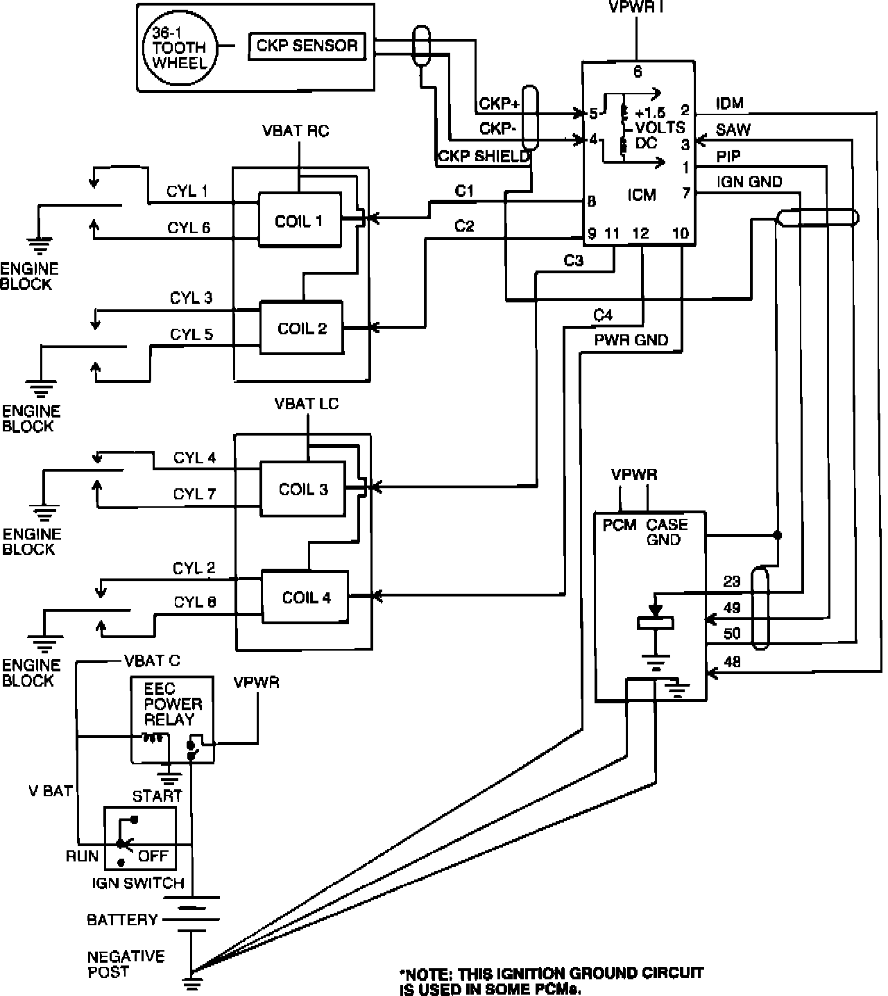
System Description

Block Diagram:






DESCRIPTION
The Electronic Ignition System (EI High Data Rate), formerly called EDIS, replaces the distributor to allow more precise control of ignition spark.

Signal Comparison:






OPERATION
The EI system operates by sending crankshaft position information provided by the Variable Resistance Sensor (VRS), also called Crankshaft Position Sensor (CKP), to the Ignition Control Module (ICM). The ICM generates a Profile Ignition Pickup (PIP) signal and sends it to the Powertrain Control Module (PCM). The PCM responds with a Spark Output (SPOUT) signal containing timing advance or retard information. The ICM processes VRS and SPOUT signals to decide which coil in the 6-tower coilpack to fire. The ICM also produces an Ignition Diagnostic Monitor (IDM) signal to indicate a failure and provide a tachometer signal.