Operation CHARM: Car repair manuals for everyone.
Manuals through 2025 now available!

Our trusted friends have launched a new website named LEMON, which has newer manuals. It also contains all the CHARM manuals.

LEMON is the spiritual successor to CHARM, I recommend you try it!

Link: lemon-manuals.la or lemon-manuals.org.ua

(Some people have issue connecting. LEMON is investigating. For now, use Firefox or change your DNS server)

Or, hide this message: temporarily or permanently

Engine Controls

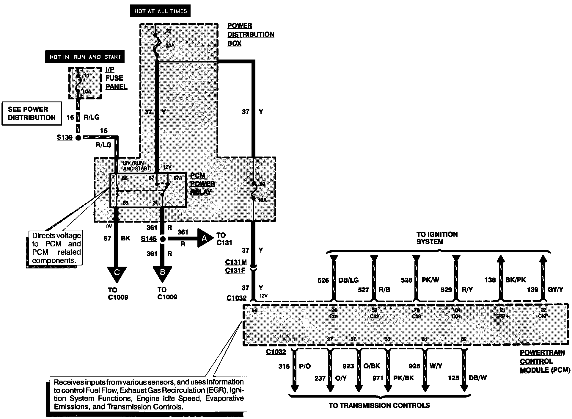
Engine Controls ( Part 1 Of 12 ):





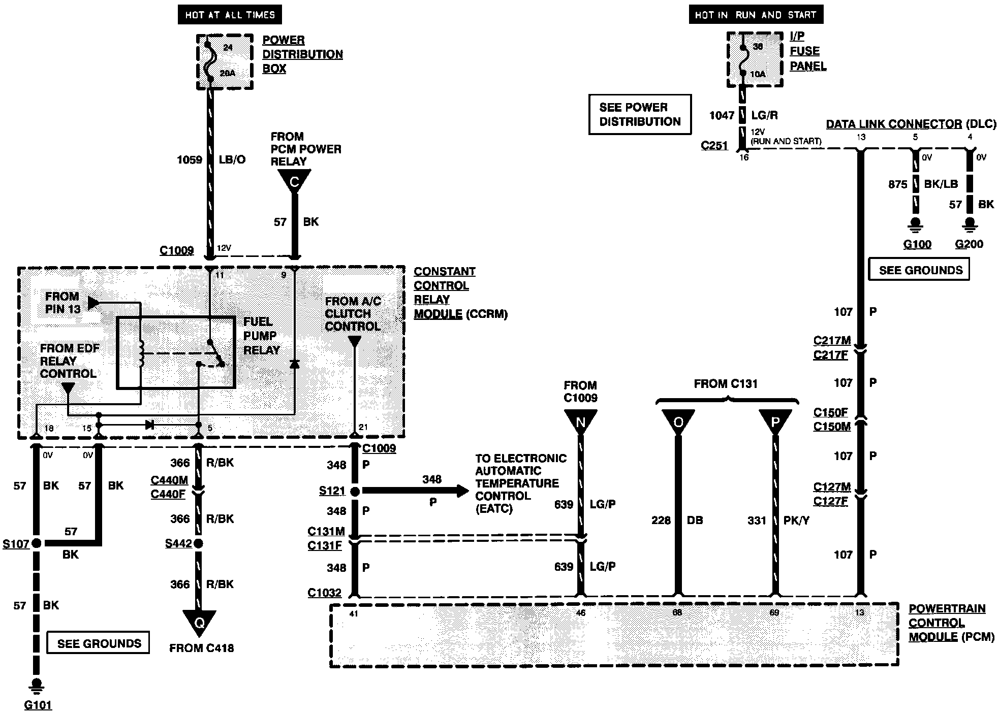
PCM POWER RELAY

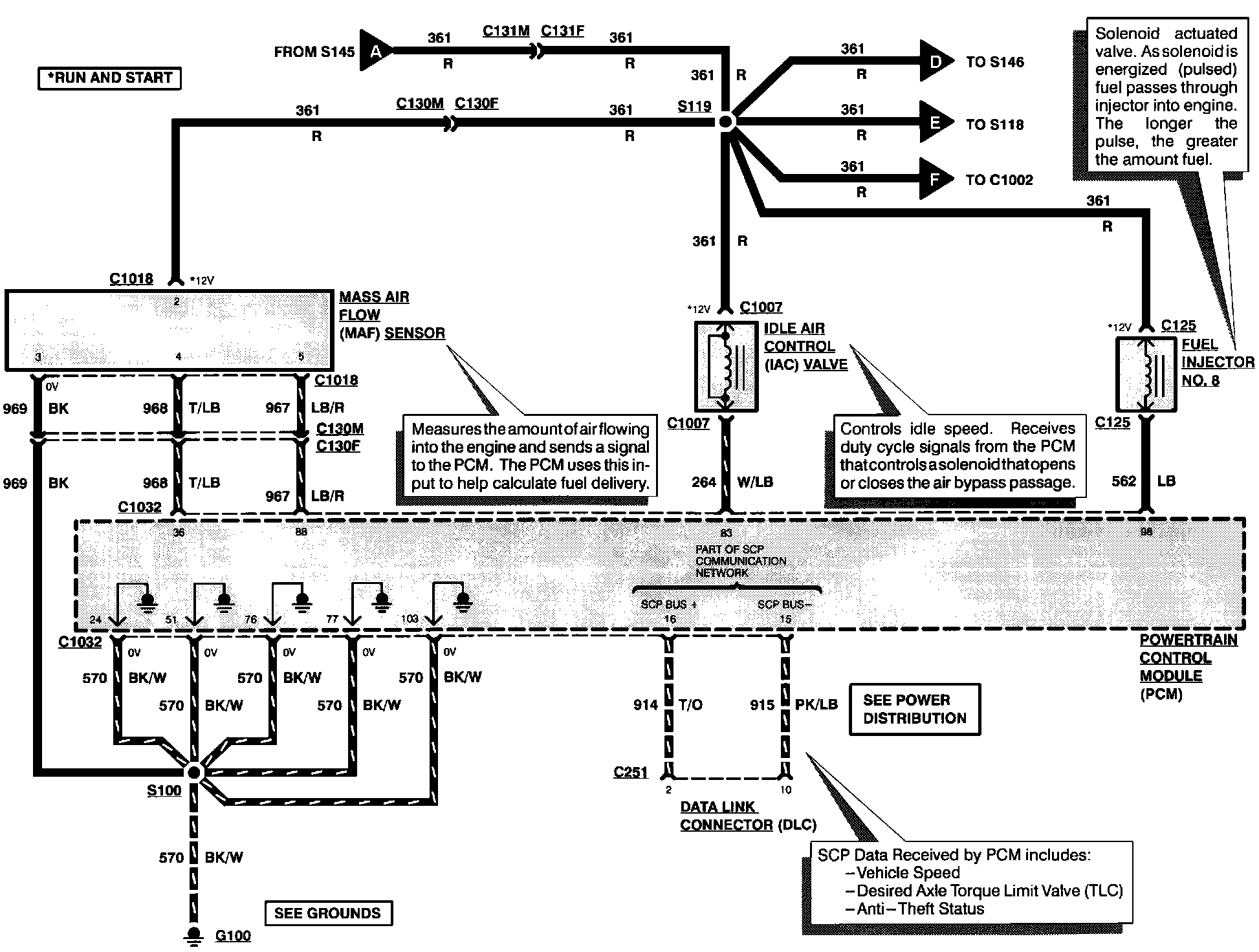
Engine Controls ( Part 2 Of 12 ):





FUEL INJECTOR NO. 8
IDLE AIR CONTROL VALVE
MASS AIR FLOW SENSOR

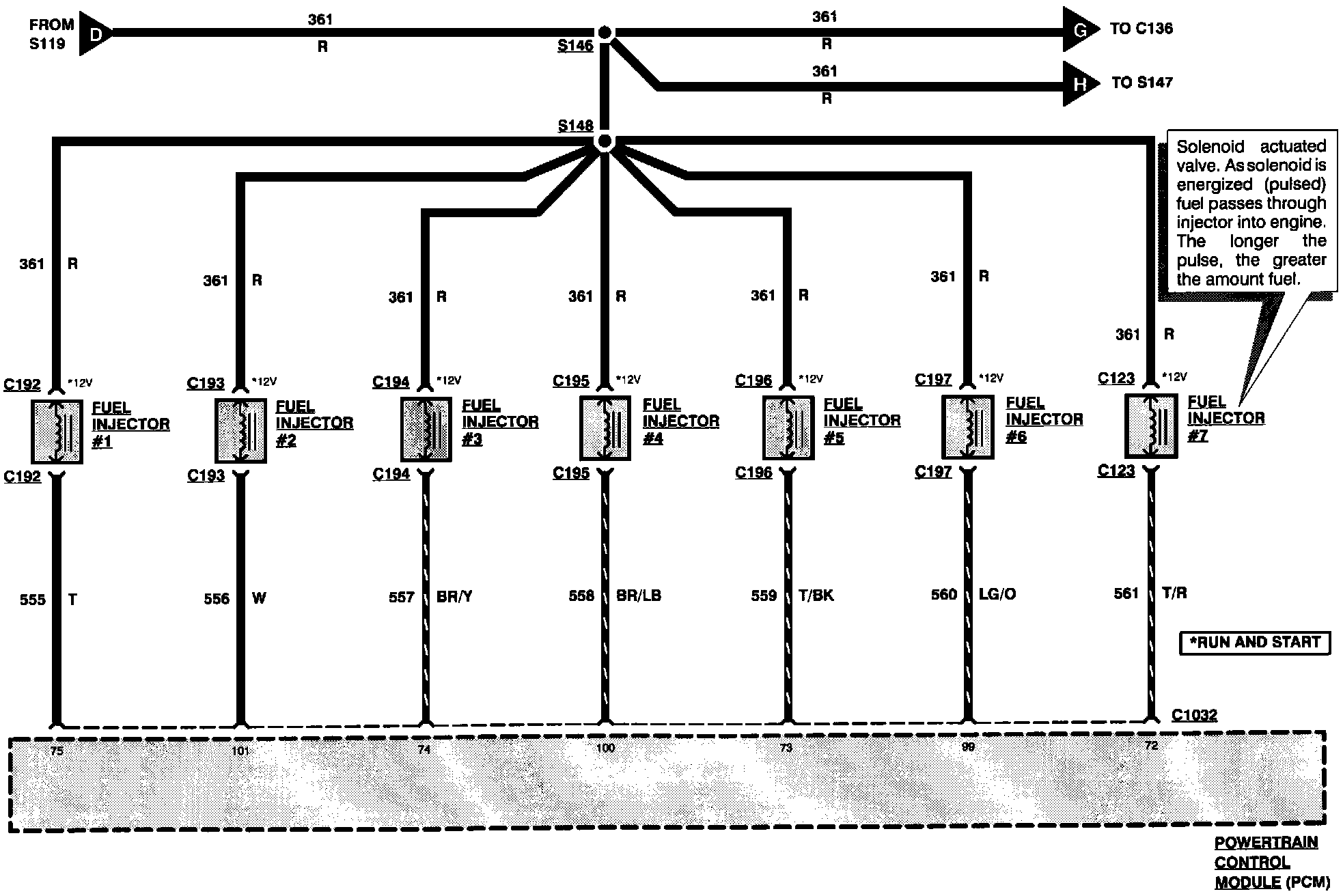
Engine Controls ( Part 3 Of 12 ):





FUEL INJECTOR #1
FUEL INJECTOR #2
FUEL INJECTOR #3
FUEL INJECTOR #4
FUEL INJECTOR #5
FUEL INJECTOR #6
FUEL INJECTOR #7

Engine Controls ( Part 4 Of 12 ):





OCTANE ADJUST PLUG
SERIES THROTTLE CONTROLLER MODULE
TRACTION CONTROL STEPPER MOTOR
TURBINE SHAFT SPEED SENSOR

Engine Controls ( Part 5 Of 12 ):





FRONT HEATED OXYGEN SENSOR #12
FRONT HEATED OXYGEN SENSOR #21
REAR HEATED OXYGEN SENSOR #11
REAR HEATED OXYGEN SENSOR #22

Engine Controls ( Part 6 Of 12 ):





CAMSHAFT POSITION SENSOR
EGR VACUUM REGULATOR
INTAKE MANIFOLD RUNNER CONTROL
POWER STEERING PRESSURE SWITCH
VAPOR MANAGEMENT VALVE

Engine Controls ( Part 7 Of 12 ):





ENGINE COOLANT TEMPERATURE SENSOR
DIFFERENTIAL PRESSURE FEEDBACK EGR SENSOR
INTAKE AIR TEMPERATURE SENSOR
THROTTLE POSITION SENSOR

Engine Controls ( Part 8 Of 12 ):





A/C PRESSURE TRANSDUCER
KNOCK SENSOR #1
KNOCK SENSOR #2
TRACTION CONTROL THROTTLE POSITION SENSOR

Engine Controls ( Part 9 Of 12 ):





A/C CLUTCH CONTROL
A/C COMPRESSOR CLUTCH COIL
ELECTRO-DRIVE FAN RELAY
ELECTRO-DRIVE FAN RELAY CONTROL
ENGINE COOLING FAN
HIGH SPEED ELECTRO-DRIVE FAN RELAY

Engine Controls ( Part 10 Of 12 ):





FUEL PUMP RELAY

Engine Controls ( Part 11 Of 12 ):





FUEL PUMP MODULE
INERTIA FUEL SHUTOFF SWITCH

Engine Controls ( Part 12 Of 12 ):





AIR INJECTION REACTION ELECTRIC PUMP MOTOR
AIR INJECTION REACTION MANAGEMENT RELAY
BRAKE ON/OFF SWITCH
ELECTRIC AIR INJECTION REACTION MANAGEMENT SOLENOID