Operation CHARM: Car repair manuals for everyone.
Manuals through 2025 now available!

Our trusted friends have launched a new website named LEMON, which has newer manuals. It also contains all the CHARM manuals.

LEMON is the spiritual successor to CHARM, I recommend you try it!

Link: lemon-manuals.la or lemon-manuals.org.ua

(Some people have issue connecting. LEMON is investigating. For now, use Firefox or change your DNS server)

Or, hide this message: temporarily or permanently

General Module

Generic Electronic Module (Part 1 Of 5):





HEATED GRID RELAY
HEATED REAR WINDOW SWITCH
IGNITION KEY WARNING SWITCH
SEAT BELT WARNING SWITCH

Generic Electronic Module (Part 2 Of 5):





GLASS AJAR SWITCH
LEFT FRONT DOOR AJAR SWITCH
LEFT REAR DOOR AJAR SWITCH
LIFTGATE AJAR SWITCH
MAIN LIGHT SWITCH
RIGHT FRONT DOOR AJAR SWITCH
RIGHT REAR DOOR AJAR SWITCH

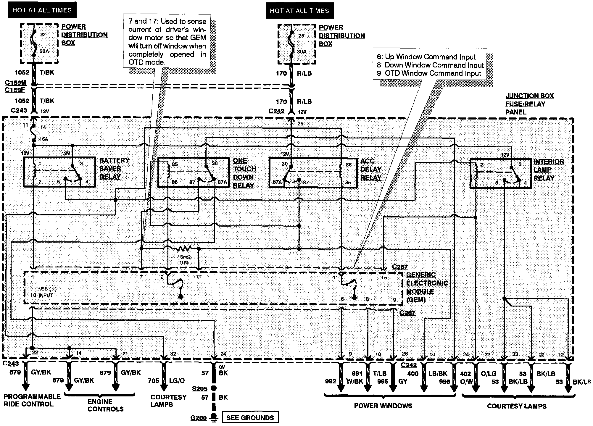
Generic Electronic Module (Part 3 Of 5):





ACCESSORY DELAY RELAY
BATTERY SAVER RELAY
INTERIOR LAMP RELAY
ONE TOUCH DOWN RELAY

Generic Electronic Module (Part 4 Of 5):





AIR SUSPENSION/ELECTRONIC VARIABLE ORIFICE STEERING MODULE
REMOTE ANTI-THEFT PERSONALITY MODULE

Generic Electronic Module (Part 5 Of 5):





4WHEEL ANTI-LOCK BRAKE SYSTEM MODULE
WASHER FLUID LEVEL SWITCH