Operation CHARM: Car repair manuals for everyone.
Manuals through 2025 now available!

Our trusted friends have launched a new website named LEMON, which has newer manuals. It also contains all the CHARM manuals.

LEMON is the spiritual successor to CHARM, I recommend you try it!

Link: lemon-manuals.la or lemon-manuals.org.ua

(Some people have issue connecting. LEMON is investigating. For now, use Firefox or change your DNS server)

Or, hide this message: temporarily or permanently

Timing Chain Guide: Service and Repair

REMOVAL
1. Remove the engine front cover.

CAUTION: Since the engine is not free wheeling, timing procedures must be followed exactly or piston and valve damage may occur.





2. Remove the (A) crankshaft sensor ring from the (B) crankshaft.





3. Rotate the crankshaft until both camshaft keyways are 90 degrees from the valve cover surface. Make sure the copper links line up with the dots on the camshaft sprocket.





4. Install the (A) Cam Positioning Tool and the Camshaft Positioning Tool Adapters on the (B) camshaft.





5. Remove the (A) bolts and the (B) LH timing chain tensioner.





6. Remove the (A) bolts and the (B) RH timing chain tensioner.





7. Remove the LH and RH timing chain tensioner arm from the dowel pins.
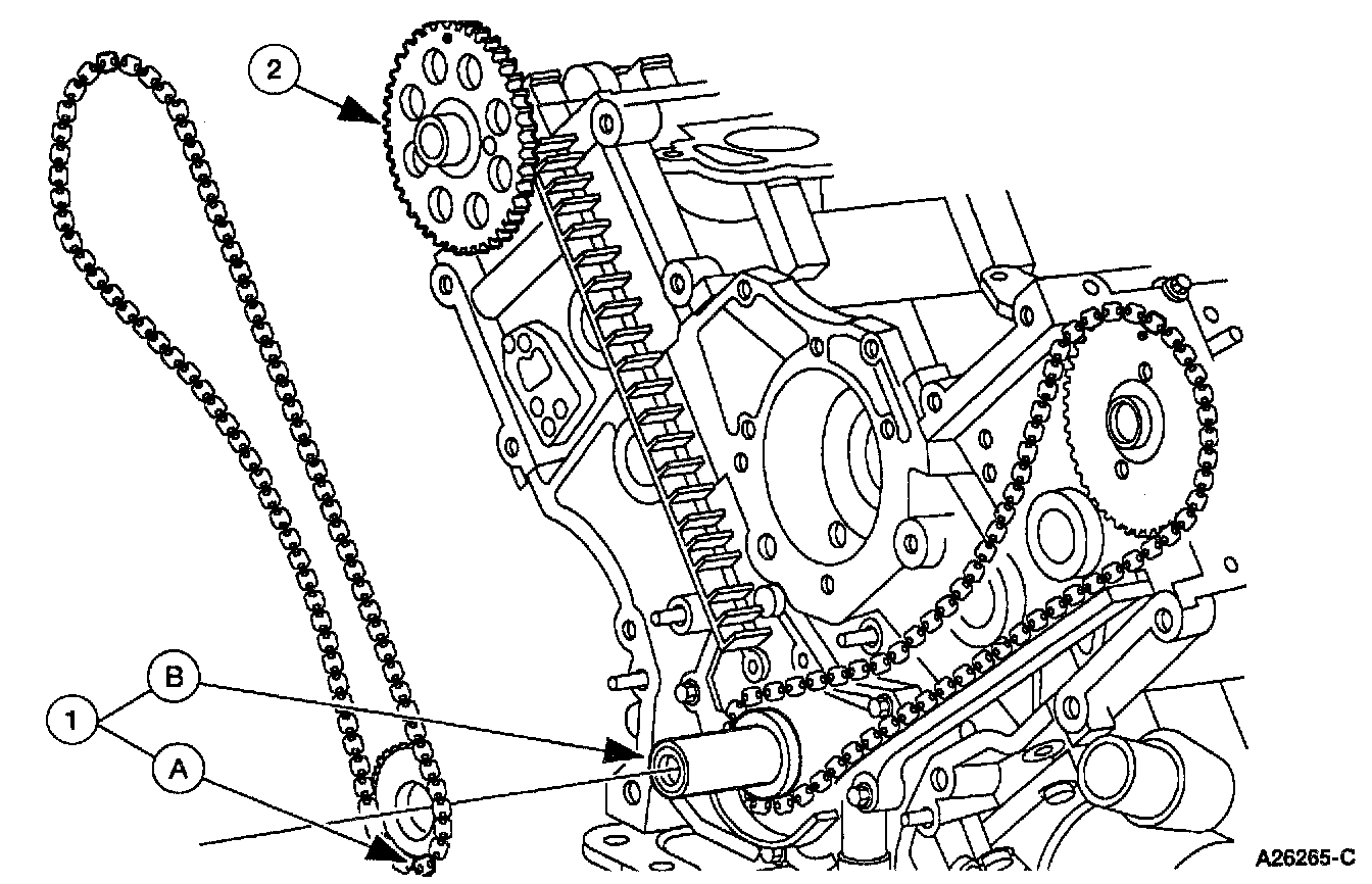
8. Remove the timing chains and crankshaft sprockets from the camshafts and crankshaft.





9. Remove the timing chain guide.
1 Remove the bolts.
2 Remove the LH timing chain guide.
3 Remove the bolts.
4 Remove the RH timing chain guide.

INSTALLATION





1. Compress the tensioner plunger, using an edge of a vise.

CAUTION:
- Timing chain procedures must be followed exactly or damage to valves and pistons will result.
- Do not compress the ratchet assembly. This will damage the ratchet assembly.





2. Using a small screwdriver or pick, push back and hold the ratchet mechanism.





3. While holding the ratchet mechanism, push the ratchet arm back into the tensioner housing.





4. Install a paper clip into the hole in the tensioner housing to hold the ratchet assembly and plunger in during installation.





5. If the copper links are not visible, mark two links on one end and one link on the other end, and use as timing marks.





6. Install the timing chain guide.
1 Position LH timing chain guide.
2 Install and tighten the bolts.
3 Position the RH timing chain guide.
4 Install and tighten the RH bolts.





7. Install the timing chain/belts and the crankshaft sprockets.
1 Slide the (A) crankshaft main bearing thrust washer onto the (B) crankshaft, aligning the copper link on the timing chain/belt with the dot on the crankshaft main bearing thrust washer.
2 Position the timing chain/belt over the camshaft sprocket, aligning the copper link with the dot on the camshaft sprocket.





8. Make sure that the (A) copper marks on the timing chain/belt are lined up with the corresponding dots on the crankshaft sprockets and the camshaft sprockets.





9. Make sure that the (A) camshaft sprocket keyway is 90 degrees from the (B) valve cover mounting surface.





10. Make sure that the (A) RH crankshaft main bearing thrust washer is on the front of the (B) LH crankshaft main bearing thrust washer with the long hubs facing each other.





11. Position the LH and RH timing chain tensioner arm on the dowel pins.





12. Position the RH timing chain tensioner and install the bolts.





13. Position the LH timing chain tensioner and install the belts.





14. Remove both the RH and LH retaining pins from the timing chain tensioner.





15. Remove (A) Cam Positioning Tool and the Camshaft Positioning Tool Adapters from the (B) camshaft.





16. Install the (A) crankshaft sensor ring on the (B) crankshaft sprocket.
17. Install the engine front cover.