Operation CHARM: Car repair manuals for everyone.
Manuals through 2025 now available!

Our trusted friends have launched a new website named LEMON, which has newer manuals. It also contains all the CHARM manuals.

LEMON is the spiritual successor to CHARM, I recommend you try it!

Link: lemon-manuals.la or lemon-manuals.org.ua

(Some people have issue connecting. LEMON is investigating. For now, use Firefox or change your DNS server)

Or, hide this message: temporarily or permanently

Axle-Aluminum (Assembly)

Assembly
All vehicles

1. CAUTION: Lubricate the differential side gear thrust washers with Premium Long-Life Grease XG-1-C or equivalent meeting Ford specification ESA-M1C75-B prior to installation.





Install the differential side gears in the differential case.

2. CAUTION: Lubricate the differential pinion thrust washers with Premium Long-Life Grease XG-1-C or equivalent meeting Ford specification ESA-M1C75-B prior to installation.





Install the differential pinion gears with the differential pinion thrust washers in the differential case.

3. Note: If a new pinion shaft lock bolt is unavailable, coat the threads with Threadlock09 and Sealer EOAZ-19554-AA or equivalent meeting Ford specifications WSK-M2G315-A5 prior to installation.





Install the differential pinion shaft and install a new differential pinion shaft lock bolt.





4. Use the special tool to install the differential bearing on the differential case. Repeat for the other side.





5. Press the ring gear on the differential case.
- Start two of the ring gear bolts through the differential case and into the ring gear to make sure the ring gear bolt holes align with the differential case bolt holes correctly.





6. Install the ring gear bolts.
- Apply Stud and Bearing Mount EOAZ-19554-BA or equivalent meeting Ford specification WSK-M2G349-A1 to the ring gear bolts.

7. Note: If the ring gear runout check (carried out before disassembly) exceeds specification, the cause may be a warped ring gear, a damaged differential case or loss of differential bearing preload.





With the pinion removed, place the differential case/gear subassembly with the differential bearing and the rear axle pinion bearing cups in the rear axle housing.





8. Install a differential bearing shim of the thickness shown on the LH side of the differential case.





9. Install the LH bearing cap finger-tight.

10. Note: Apply pressure toward the left side to fully seat the differential bearing cup.





Install progressively larger differential bearing shims on the RH side until the largest differential bearing shim selected can be assembled with a slight drag feel.





11. Install the RH bearing cap.
- Tighten both bearing caps to specification.





12. Rotate the differential assembly to make sure it rotates freely.





13. Install the special tool.
- Check and note the ring gear runout.
14. If the runout is within specification, the original out-of-specification runout was caused by insufficient bearing preload.
- If the runout exceeds specification, carry out the following steps.

Runout exceeds specification





15. Remove the differential case.





16. Remove the ring gear.





17. Install the differential case without the ring gear.
- Rotate the differential case to correctly seat the differential bearings.





18. Check the differential case flange runout using the special tool.
- If the runout is within specification, install a new ring gear and pinion. If the runout exceeds specification, the ring gear is true and the concern is due to either a damaged differential case or differential bearings.
- Inspect the differential bearings. If the differential bearings are not damaged, install a new differential case and the differential bearings.
- Recheck the runout with the new differential case and differential bearings.

Pinion bearing cup installation with special tools 205-153, 205-480, and 205-054





19. Install a new inner rear axle pinion bearing cup in the rear axle housing.





20. Install a new outer rear axle pinion bearing cup in the rear axle housing.

Pinion bearing cup installation with special tool
205-054


21. Note: Coat the new rear axle pinion bearing cup with SAE 5W-30 Super Premium Motor Oil XO-5W30-QSP or equivalent meeting Ford specification WSS-M2C153-G.

Install the pinion bearing cup.





1 Position the rear axle pinion bearing cup on the special tool.
2 Position the bearing cup replacer in the rear axle housing.
3 Tighten the special tool to fully seat the rear axle pinion bearing cup in the bore.

All vehicles

22. Note: A drive pinion bearing adjustment shim is used between the pinion bearing and the pinion head. The drive pinion bearing adjustment shim compensates for machining variations in the differential pinion and the pinion bearings. The correct drive pinion bearing adjustment shim size will locate the pinion for correct tooth contact with the ring gear. Selecting the correct drive pinion bearing adjustment shim can be done using a pinion depth gauge set.

Note: Apply a light film of SAE 75W140 Synthetic Rear Axle Lubricant F1TZ-19580-B or equivalent meeting Ford specification WSL-M2C192-A on the front differential pinion bearing and the rear differential pinion bearing assemblies.








Install the special tools.





23. Note: This step duplicates pinion bearing preload.

Thread the Handle onto the Screw and tighten to the specification shown.

24. Note: The special tool must be offset to obtain an accurate reading.

Note: Rotate the special tool several half turns to correctly seat the pinion bearings.





Position the special tool 45 degrees as shown.
25. Install the special tool.





1 Position the special tool on the differential bearing seat of the rear axle housing.
2 Install the differential bearing caps.
3 Install the differential bearing cap bolts and tighten to specification.





26. Note: A slight drag should be felt for the correct shim selection.
Note: Use a shim to determine shim thickness.

Select and check the correct shim size.
27. Remove the special tool.

28. Note: The same pinion bearings and drive pinion bearing adjustment shim used in the drive pinion shim selection procedure must be used in the final axle assembly.

Install the rear pinion bearing.





1 Position the drive pinion bearing adjustment shim on the pinion stem.
2 Position the pinion bearing on the pinion stem.
3 Position the special tool on the pinion stem.
4 Using a press, firmly seat the drive pinion bearing adjustment shim and pinion bearing on the pinion stem.
29. Install the front pinion bearing, the rear axle drive pinion shaft oil slinger and the rear axle drive pinion seal.





30. Note: Make sure the splines on the pinion stem are free of burrs. If burrs are evident, remove using a fine crocus cloth, work in a rotational motion.

Place a new drive pinion collapsible spacer on the pinion stem against the pinion stem shoulder.





31. Install the drive pinion and drive pinion collapsible spacer into the rear axle housing.





32. CAUTION: Take extreme care not to damage aluminum rear axle housing while carrying out these procedures.

CAUTION: Master bearings are marked LH and RH and must be installed as shown.

Remove the differential bearings and install the special tools on the differential case.





33. Note: Lubricate the rear axle pinion flange splines. Use SAE 75W140 Synthetic Rear Axle Lubricant F1TZ-19580-B or equivalent meeting Ford specification WSL-M2C192-A.

Install the rear axle pinion flange.

- Note: Disregard the scribe marks if a new rear axle pinion flange is being installed.

Align the rear axle pinion flange with the drive pinion shaft.





34. With the drive pinion in place in the rear axle housing, install the rear axle pinion flange using the special tools.

35. CAUTION: Do not under any circumstance loosen the pinion nut to reduce preload. If it is necessary to reduce preload, install a new collapsible spacer and pinion nut.





Note: Make sure to insert the cotter key in the special tool as shown.

Use the special tool to hold the pinion flange while tightening the pinion nut.





- Rotate the pinion occasionally to make sure the differential pinion bearings seat correctly. Take frequent differential pinion bearing torque preload readings by rotating the pinion with a Nm (inch/pound) torque wrench.





36. Place the differential case and the special tools into the rear axle housing.





37. Position the special tool on the outside mounting hole.

38. Note: Repeat this step until a consistent reading is obtained.





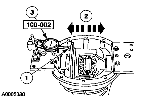
Measure the total end play.
1 Attach the special tool with the indicator tip positioned on the machined surface of the differential case flange.
2 Move the differential case to the left and the right (as far as possible).
3 Record the reading on the differential bearing shim selection procedure line A.





39. Remove the special tool and the differential case from the rear axle housing.





40. Drawable the differential ring gear mounting surface to remove any nicks or burrs.





41. install the ring gear.
1 Place the ring gear onto the differential case.
2 Hand start three bolts to align the holes in the ring gear and the differential case.
3 Place the differential case and ring gear onto the press bed blocks with the ring gear teeth facing down.
4 Press the ring gear into place.





42. Install the remaining ring gear bolts and tighten to specification.





43. Place the differential case, special tools and the ring gear into the rear axle housing.

44. Note: The ring gear bolt heads inside the rear axle housing may interfere. If so, remove three to five bolts to provide clearance.





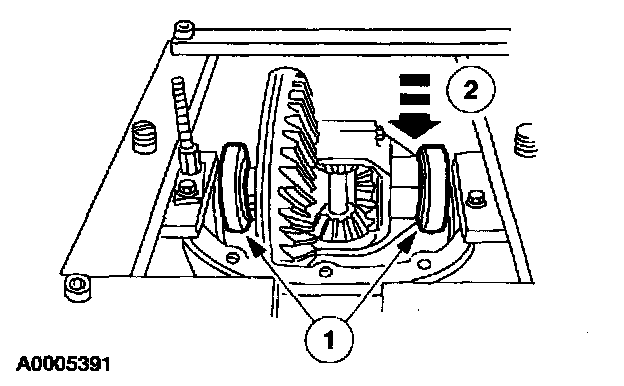
Measure the end play.
1 Attach the special tool with the indicator tip positioned on the machined surface of the differential case flange.
2 Rock the ring gear to allow full mesh with the pinion gear.
3 With the gears in full mesh, set the special tool to zero.
4 Move the differential case as far as possible to the left and note the reading.
5 Record the reading on the differential bearing shim selection procedure line B.

45. Remove the special tool and the differential case from the rear axle housing.





46. Note: The stand height of both differential bearings must be measured prior to installation.

Install the special tool.
1 Place the bearing preload tool base in a softjawed vise with the bearing mounting surface above the vise jaws.
2 Position the differential bearing on the bearing preload tool base.
3 Attach the bolt, spring, washers and spacer.
4 Tighten the bolt.





47. Note: Mark the differential bearings left and right before measuring.

Measure the differential bearing stand height.
1 Invert the special tool and clamp the bolt head - in a vise.
2 Position a depth micrometer flat on the differential bearing.
48. Measure the stand height of both differential bearings and record on the differential bearing shim selection procedure line D.





49. Press the left and right differential bearing on the differential case.





50. Install the special tools.

51. CAUTION: Overspreading may damage the rear axle housing.

Note: Tighten and loosen the housing spreader adapter screw to normalize the Housing Spreader Adapters prior to the final Dial Indicator reading.

Adjust the Dial Indicator to zero and tighten the Differential Carrier Spreader screw to spread the rear axle housing to specification.





- Remove the Dial Indicator.

52. Note: Apply a light coating of Premium Long-Life Grease XG-1-C or equivalent meeting Ford specification ESA-M1C75-B to the differential bearing shim to help hold in place.

Note: Select the correct size differential bearing shims by using the differential bearing shim selection chart.





Install the differential bearing shims.
- Place the differential bearing shims in the rear axle housing.





53. Install the differential case.
1 Position the differential bearing cups on the differential bearings.
2 Lower the differential case in place between the differential bearing shims.

54. Note: Tighten the bearing cap bolts prior to releasing the housing spreader.





Install the bearing caps in their original positions and tighten the bolts to specification.





55. Remove the Differential Carrier Spreader and move the Dial Indicator to the 12 o'clock position.

56. Note: Measure the ring gear backlash at four places to obtain a consistent reading.





Measure the backlash.
1 Attach the special tool.
2 Position the indicator needle centrally on a drive tooth.
3 Zero the indicator.
- Turn the ring gear without turning the pinion gear. Record the indicator reading.
57. If the backlash is not to specification, correct by increasing the thickness of one differential bearing shim and decreasing the thickness the other differential bearing shim by the same amount. Refer to the following tables.











Differential Bearing Shim Selection Chart











Differential Shim Size Chart-4067-





58. CAUTION: Make sure the machined surfaces on both the rear axle housing and the differential housing cover are clean and free of oil before installing the new silicone sealant. The inside of the rear axle must be covered when cleaning the machined surface to prevent contamination.

If the backlash is within specification, install the differential housing cover.
- Apply a new continuous bead of sealant to the differential housing cover. Use Silicone Rubber D6AZ-19562-AA or equivalent meeting Ford specifications ESB-M4G92-A.

59. Install the rear axle.

60. Refill the rear axle.
- Fill the rear axle 3 - 5 mm (1/8 - 3/16 inch) from the bottom of the filler hole with SAE 75W140 Synthetic Rear Axle Lubricant FlTZ-19580-B or equivalent meeting Ford specification WSL-M2C192-A.