Operation CHARM: Car repair manuals for everyone.
Manuals through 2025 now available!

Our trusted friends have launched a new website named LEMON, which has newer manuals. It also contains all the CHARM manuals.

LEMON is the spiritual successor to CHARM, I recommend you try it!

Link: lemon-manuals.la or lemon-manuals.org.ua

(Some people have issue connecting. LEMON is investigating. For now, use Firefox or change your DNS server)

Or, hide this message: temporarily or permanently

Front Fender: Service and Repair

FENDER - FRONT, NAVIGATOR

Removal and Installation
1. Remove the cowl grille.







2. Remove the jack handle.
3. Remove the air deflector.
1 Remove the screws.
2 Remove the air deflector.







4. Remove the headlamp (13008).
1 Remove the headlamp mounting clips (13N129).
2 Remove the headlamp.
3 Disconnect the electrical connectors.







5. Remove the radiator opening cover.
1 Remove the pin-type retainers.
2 Remove the radiator opening cover.







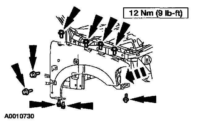
6. Remove the LH radiator grille opening panel reinforcement bolts.







7. Remove the center radiator grille opening panel reinforcement bolts.







8. Remove the RH radiator grille opening panel reinforcement bolts.







9. Remove the radiator grille opening panel reinforcement to front fender bolt.







10. Remove the lower rear screw from the front wheel opening moulding.







11. Remove the lower rear pin-type retainer from the front wheel opening moulding.







12. Remove the front fender splash shield (16102).
1 Remove the screws.
2 Remove the pin-type retainers.
3 Remove the front fender splash shield.







13. Remove the front bumper cover to front fender nuts.







14. Remove the concealed radiator grille opening panel reinforcement nut.
15. Carefully position the radiator grille opening panel slightly forward.







16. Remove the inner fender stuffer.
1 Remove the pin-type retainer.
2 Remove the inner fender stuffer.







17. Remove the front fender (16005).
- Remove the bolts.

18. To install, reverse the removal procedure.