Operation CHARM: Car repair manuals for everyone.
Manuals through 2025 now available!

Our trusted friends have launched a new website named LEMON, which has newer manuals. It also contains all the CHARM manuals.

LEMON is the spiritual successor to CHARM, I recommend you try it!

Link: lemon-manuals.la or lemon-manuals.org.ua

(Some people have issue connecting. LEMON is investigating. For now, use Firefox or change your DNS server)

Or, hide this message: temporarily or permanently

Removal and Replacement

REMOVAL

WARNING:
^ TO AVOID ACCIDENTAL DEPLOYMENT AND POSSIBLE PERSONAL INJURY, THE BACKUP POWER SUPPLY MUST BE DEPLETED BEFORE REPAIRING OR REPLACING ANY FRONT OR SIDE AIR BAG SUPPLEMENTAL RESTRAINT SYSTEM (SRS) COMPONENTS AND BEFORE SERVICING, REPLACING, ADJUSTING OR STRIKING COMPONENTS NEAR THE FRONT OR SIDE AIR BAG SENSORS, SUCH AS DOORS, INSTRUMENT PANEL, CONSOLE, DOOR LATCHES, STRIKERS, SEATS AND HOOD LATCHES.
^ PLEASE REFER TO THE APPROPRIATE COMPONENT OR SYSTEM TO DETERMINE LOCATION OF THE FRONT AIR BAG SENSORS.
^ THE SIDE AIR BAG SENSORS ARE LOCATED AT OR NEAR THE BASE OF THE B-PILLAR.
^ TO DEPLETE THE BACKUP POWER SUPPLY ENERGY, DISCONNECT THE BATTERY GROUND CABLE AND WAIT AT LEAST ONE MINUTE. BE SURE TO DISCONNECT AUXILIARY BATTERIES AND POWER SUPPLIES (IF EQUIPPED).
^ THE RESTRAINTS CONTROL MODULE (RCM) ORIENTATION IS CRITICAL FOR CORRECT SYSTEM OPERATION. IF A VEHICLE EQUIPPED WITH AN AIR BAG SUPPLEMENTAL RESTRAINT SYSTEM (SRS) HAS BEEN INVOLVED IN A COLLISION IN WHICH THE RIGHT COWL A-PILLAR AREA HAS BEEN DAMAGED, INSPECT THE MOUNTING AND BRACKET FOR DEFORMATION. IF DAMAGED, THE RCM MUST BE REPLACED WHETHER OR NOT THE AIR BAGS HAVE DEPLOYED. IN ADDITION, MAKE SURE THE AREA OF THE RCM MOUNTING IS RESTORED TO ITS ORIGINAL CONDITION.


CAUTION: Electronic modules are sensitive to static electrical charges. If exposed to these charges, damage can result.

NOTE: Repair is made by installing a new part only. If the new part does not correct the condition, install the original part and perform the diagnostic procedure again.

1. Disconnect the battery ground cable and wait at least one minute.







2. Remove the RH sill plate.
3. Position the carpet out of the way.







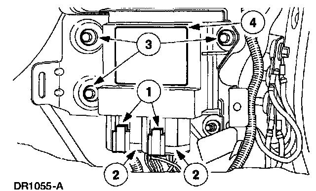
4. Remove the RCM.
1 Disconnect the RCM electrical connector locking clips.
2 Disconnect the RCM electrical connectors.
3 Remove the three retaining bolts.
4 Remove the RCM.

INSTALLATION







1. Follow the removal procedure in reverse order.

WARNING: THE TIGHTENING TORQUE OF THE RESTRAINTS CONTROL MODULE (RCM) RETAINING BOLTS IS CRITICAL FOR PROPER SYSTEM OPERATION.

NOTE: A repair is made by installing a new part only. If the new part does not correct the condition, install the original part and perform the diagnostic procedure again.

2. Prove out the air bag system.

WARNING: THE RESTRAINT SYSTEM DIAGNOSTIC TOOL IS FOR RESTRAINT SYSTEM SERVICE ONLY. REMOVE FROM VEHICLE PRIOR TO ROAD USE. FAILURE TO REMOVE COULD RESULT IN INJURY AND POSSIBLE VIOLATION OF VEHICLE SAFETY STANDARDS.