Operation CHARM: Car repair manuals for everyone.
Manuals through 2025 now available!

Our trusted friends have launched a new website named LEMON, which has newer manuals. It also contains all the CHARM manuals.

LEMON is the spiritual successor to CHARM, I recommend you try it!

Link: lemon-manuals.la or lemon-manuals.org.ua

(Some people have issue connecting. LEMON is investigating. For now, use Firefox or change your DNS server)

Or, hide this message: temporarily or permanently

Basic Principles

WARNING:
Before attempting any diagnosis or repair procedures, read and become familiar with all WARNINGS and Cautions. Please refer to: Heating and Air Conditioning; Service Precautions.
Service Precautions

The electronic automatic temperature control system maintains the selected vehicle interior temperature by heating and/or cooling the air.
- During A/C operation the system also reduces the relative humidity of the air.
- The driver may override the automatic mode of operation.

PRINCIPLES OF OPERATION
There are four main principles involved with the basic theory of operation:
- heat transfer
- latent heat of vaporization
- relative humidity
- effect of pressure on boiling or condensation

Heat Transfer
If two substances of different temperature are placed near each other, the heat in the warmer substance will transfer to the colder substance.

Latent Heat of Vaporization
When a liquid boils (converts to gas) it absorbs heat without raising the temperature of the resulting gas. When the gas condenses (converts back to a liquid), it gives off heat without lowering the temperature of the resulting liquid.

Relative Humidity
The amount of moisture (water vapor content) that the air can hold is directly related to the air temperature. The more heat there is in the air, the more moisture the air can hold. The lower the moisture content in the air, the more comfortable you feel. Removing moisture from the air lowers its relative humidity and improves personal comfort.

Effects of Pressure on Boiling or Condensation
As the pressure is increased on a liquid, the temperature at which the liquid boils (converts to gas) also increases. Conversely, when the pressure on a liquid is reduced, its boiling point is also reduced. When in the gas state, an increase in pressure causes an increase in temperature, while a decrease in pressure will decrease the temperature of the gas.


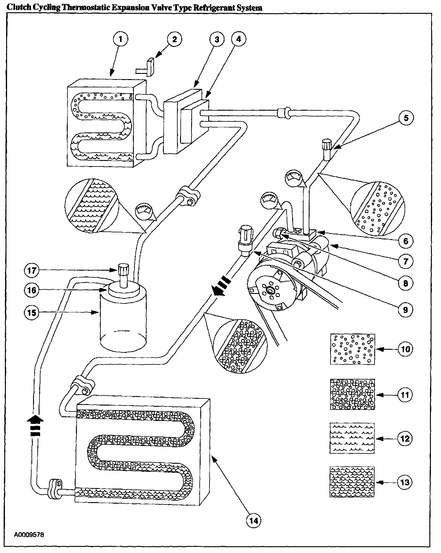
Clutch Cycling Thermostatic Expansion Valve Type Refrigerant System, Part 1:






Clutch Cycling Thermostatic Expansion Valve Type Refrigerant System, Part 2:






THE REFRIGERANT CYCLE
During stabilized conditions (air conditioning system shutdown), the refrigerant is in a vaporized state and pressures are equal throughout the system. When the A/C compressor is in operation it increases pressure on the refrigerant vapor, raising its temperature. The high-pressure and high-temperature vapor is then released into the top of the A/C condenser core.

The A/C condenser, being close to ambient temperature, causes the refrigerant vapor to condense into a liquid when heat is removed from the refrigerant by ambient air passing over the fins and tubing. The now liquid refrigerant, still at high pressure, exits from the bottom of the A/C condenser and enters the inlet side of the A/C receiver/drier. The receiver/drier is designed to remove moisture from the refrigerant.

The outlet of the receiver/drier is connected to the Thermostatic Expansion Valve (TXV). The TXV provides the orifice which is the restriction in the refrigerant system and separates the high and low pressure sides of the A/C system. As the liquid refrigerant passes across this restriction, its pressure and boiling point are reduced.

The liquid refrigerant is now at its lowest pressure and temperature. As it passes through the A/C evaporator, it absorbs heat from the airflow passing over the plate/fin sections of the A/C evaporator. This addition of heat causes the refrigerant to boil (convert to gas). The now cooler air can no longer support the same humidity level of the warmer air and this excess moisture condenses on the exterior of the evaporator coils and fins and drains outside the vehicle.

The refrigerant cycle is now repeated with the A/C compressor again increasing the pressure and temperature of the refrigerant.

A thermistor which monitors the temperature of the air that has passed through the evaporator core controls A/C clutch cycling. If the temperature of the evaporator core discharge air is low enough to cause the condensed water vapor to freeze, the A/C clutch is disengaged by the vehicle Powertrain Control Module (PCM).

The high-side line pressure is also monitored so that A/C compressor operation will be interrupted if the system pressure becomes too high or is determined to be too low (low charge condition).

The A/C compressor thermal protection switch will interrupt compressor operation if the compressor housing exceeds temperature limits.

The A/C compressor relief valve will open and vent refrigerant to relieve unusually high system pressure.

DUAL AUTOMATIC TEMPERATURE CONTROL (DATC) MODULE DESCRIPTION
The DATC system automatically maintains a selected temperature for vehicle interior comfort and regulates the volume of airflow between the instrument panel registers and rear seat panel registers, front and rear floor ducts, windshield defroster nozzle and side window demisters. The system will automatically select between fresh and recirculated air with an optional manual override. The DATC system will also include a manual A/C override, blower speed override, and airflow direction overrides.

The dual temperature zone feature provides the driver and the front seat passenger with their own independent temperature set points. The DATC system provides both the driver and front seat passenger with their selected temperature for interior comfort. In situations where the difference between the driver and the front seat passenger set points are very large, the DATC will tend to favor the driver's setting and make the front seat passenger as comfortable as possible.

The driver and front seat passenger will not have independent air distribution mode or fan controls so the system is dual temperature only. In some cases the passenger temperature set point may influence the air distribution mode or blower speed in automatic mode.