Radiator Cooling Fan Control Module: Service and Repair
Cooling ModuleSpecial Tool(s)
1. Drain the cooling system.
2. Recover the refrigerant.
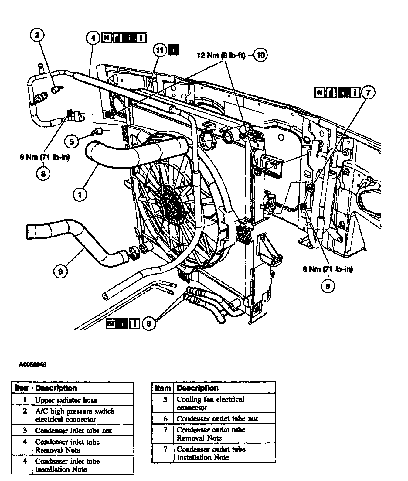
3. Remove the fan shroud.
4. Remove the components in the order indicated in the illustration and table.
5. To install, reverse the removal procedure.
^ Fill and bleed the cooling system.
Item 4: Condenser Inlet Tube Removal Note
1. Release the condenser inlet tube from the retaining clips and position aside.
Item 7: Condenser Outlet Tube Removal Note
1. Disconnect and position aside.
Item 8: Transmission Oil Cooler Lines Removal Note
1. NOTE: If equipped, remove the safety retainer from the connectors.
Using the special tool, disconnect the quick couplers.
Item 11: Cooling Module Removal Note
1. Lift the cooling module Lip and toward the engine to remove it from the vehicle.
Item 8: Transmission Oil Cooler Lines Installation Note
1. NOTE: If equipped, install the safety retainer on the connectors.
Connect the fittings and pull on them to make sure they are fully engaged.
Item 7: Condenser Outlet Tube Installation Note
1. Install new O-rings lubricated in clean PAG oil.
Item 4: Condenser Inlet Tube Installation Note
1. Install new O-rings lubricated in clean PAG oil.