Operation CHARM: Car repair manuals for everyone.
Manuals through 2025 now available!

Our trusted friends have launched a new website named LEMON, which has newer manuals. It also contains all the CHARM manuals.

LEMON is the spiritual successor to CHARM, I recommend you try it!

Link: lemon-manuals.la or lemon-manuals.org.ua

(Some people have issue connecting. LEMON is investigating. For now, use Firefox or change your DNS server)

Or, hide this message: temporarily or permanently

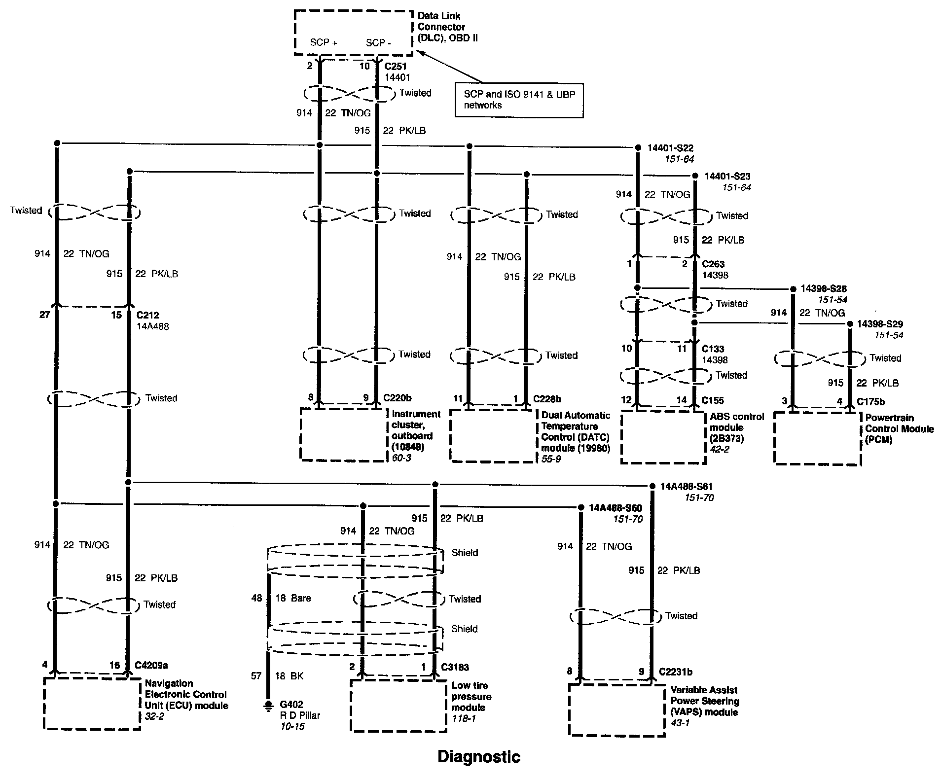
Electrical Diagrams

PLEASE NOTE: Some diagrams may appear to be missing because of gaps in the number sequences. These "gaps" are actually for diagrams that do not apply to the vehicle model selected.


14-1:






14-2:






14-3:






Diagrams -- Other diagrams referred to by number (i.e. 10-1, 13-12, 131-2, etc.) within these diagrams can be found at Diagrams by Number. Diagrams By Number

Locations -- Location views (reference numbers starting with 151-) referred to within these diagrams can be found at Component Location Views. Component Location Views