Operation CHARM: Car repair manuals for everyone.
Manuals through 2025 now available!

Our trusted friends have launched a new website named LEMON, which has newer manuals. It also contains all the CHARM manuals.

LEMON is the spiritual successor to CHARM, I recommend you try it!

Link: lemon-manuals.la or lemon-manuals.org.ua

(Some people have issue connecting. LEMON is investigating. For now, use Firefox or change your DNS server)

Or, hide this message: temporarily or permanently

Parking Brake System: Service and Repair

Parking Brake

Special Tools:





Special Tool(s)

NOTE: The electronic parking brake (EPB) module must be configured if it is installed new. Follow the diagnostic tool instructions for configuring the EPB module.

NOTE: The electronic parking brake (EPB) system must be reset following the EPB system reset procedure if the battery has been discontinued.

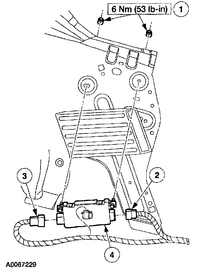
NOTE: The electronic parking brake (EPB) module is located above the subwoofer amplifier on the rear quarter panel reinforcement.





1. To remove the electronic parking brake (EPB) module only, follow these steps:
1. Disconnect the battery ground cable.
2. Fold the LH side luggage compartment trim aside.
3. Remove the components in the following order:
^ Nuts.
^ The electrical connector.
^ The electrical connector.
^ The electronic parking brake (EPB) module.





2. To remove the electronic parking brake (EPB) switch only, follow these steps:
1. Disconnect the battery ground cable.
2. Remove the components in the following order:
^ The cup holder.
^ The electrical connector.
^ Screws (4 req'd).
^ The electronic parking brake (EPB) switch.








3. Remove the components in the order indicated in the table.
4. To install, reverse the removal procedure.

Item 1: Parking Brake Cable End (RH/LH) Removal Note
1. Connect the diagnostic tool cable adapter into the vehicle data link connector (DLC) under the dash and follow the diagnostic tool instructions to slacken the electronic parking brake cables.

Items 2, 7 and 8: Parking Brake Cable And Conduit (RH/LH) Removal Note





1. Compress the conduit retaining prongs and remove the parking brake cable and conduit from the brake caliper.

Item 9: Electronic Parking Brake Actuator Assembly Connector Installation Note
1. Connect the electronic parking brake connector. Reset the system as follows:
1. Turn the ignition switch ON without the engine running.
2. Press the brake pedal.

3. NOTE: The red brake warning lamp will illuminate for ten seconds and go out if the system is functioning correctly.

If the system is not functioning correctly, refer to diagnosis and testing of the EPB system.

Apply the parking brake. The electronic parking brake system is reset.