Operation CHARM: Car repair manuals for everyone.
Manuals through 2025 now available!

Our trusted friends have launched a new website named LEMON, which has newer manuals. It also contains all the CHARM manuals.

LEMON is the spiritual successor to CHARM, I recommend you try it!

Link: lemon-manuals.la or lemon-manuals.org.ua

(Some people have issue connecting. LEMON is investigating. For now, use Firefox or change your DNS server)

Or, hide this message: temporarily or permanently

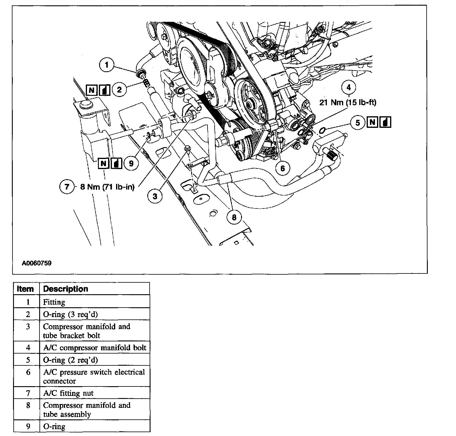
Compressor Fitting HVAC: Service and Repair

COMPRESSOR MANIFOLD AND TUBE ASSEMBLY

NOTE:
- Installation of a new receiver drier is not required when repairing the air conditioning system except when there is physical evidence of contamination from a failed A/C compressor or damage to the receiver drier.
- New O-ring seals, lubricated in clean PAG oil, must be installed before reconnecting any A/C fitting that has been disconnected.

REMOVAL
1. Recover the refrigerant.
2. Position the vehicle on a hoist with the gear selector in NEUTRAL.
3. Remove the center deflector shield.







4. Remove the components in the order indicated in the illustration and table.

INSTALLATION
1. To install, reverse the removal procedure.
2. Lubricate the refrigerant system with the correct amount of clean PAG oil.
3. Evacuate, leak test and charge the refrigerant system.