Operation CHARM: Car repair manuals for everyone.
Manuals through 2025 now available!

Our trusted friends have launched a new website named LEMON, which has newer manuals. It also contains all the CHARM manuals.

LEMON is the spiritual successor to CHARM, I recommend you try it!

Link: lemon-manuals.la or lemon-manuals.org.ua

(Some people have issue connecting. LEMON is investigating. For now, use Firefox or change your DNS server)

Or, hide this message: temporarily or permanently

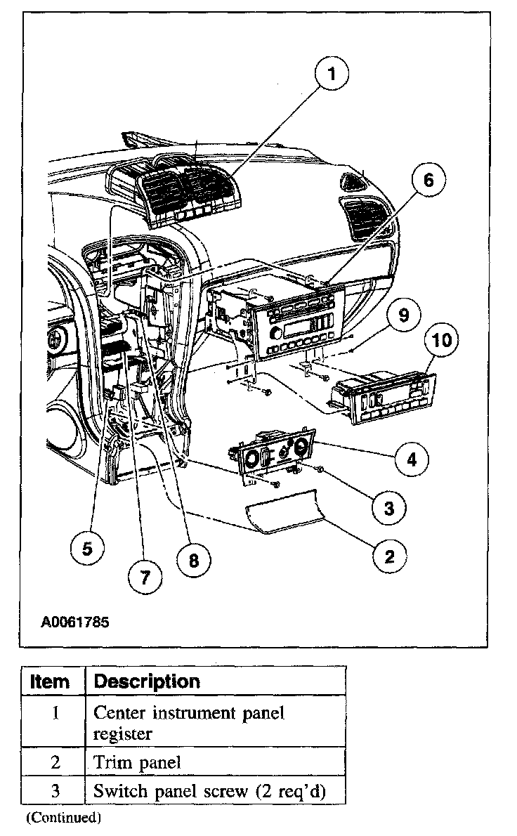
Control Assembly: Service and Repair

CLIMATE CONTROL ASSEMBLY

NOTE: If installing a new climate control assembly (DATC module), the new module must be configured for the vehicle.

REMOVAL












1. Remove the components in the order indicated in the illustration and table.

INSTALLATION
1. To install, reverse the removal procedure.