Operation CHARM: Car repair manuals for everyone.
Manuals through 2025 now available!

Our trusted friends have launched a new website named LEMON, which has newer manuals. It also contains all the CHARM manuals.

LEMON is the spiritual successor to CHARM, I recommend you try it!

Link: lemon-manuals.la or lemon-manuals.org.ua

(Some people have issue connecting. LEMON is investigating. For now, use Firefox or change your DNS server)

Or, hide this message: temporarily or permanently

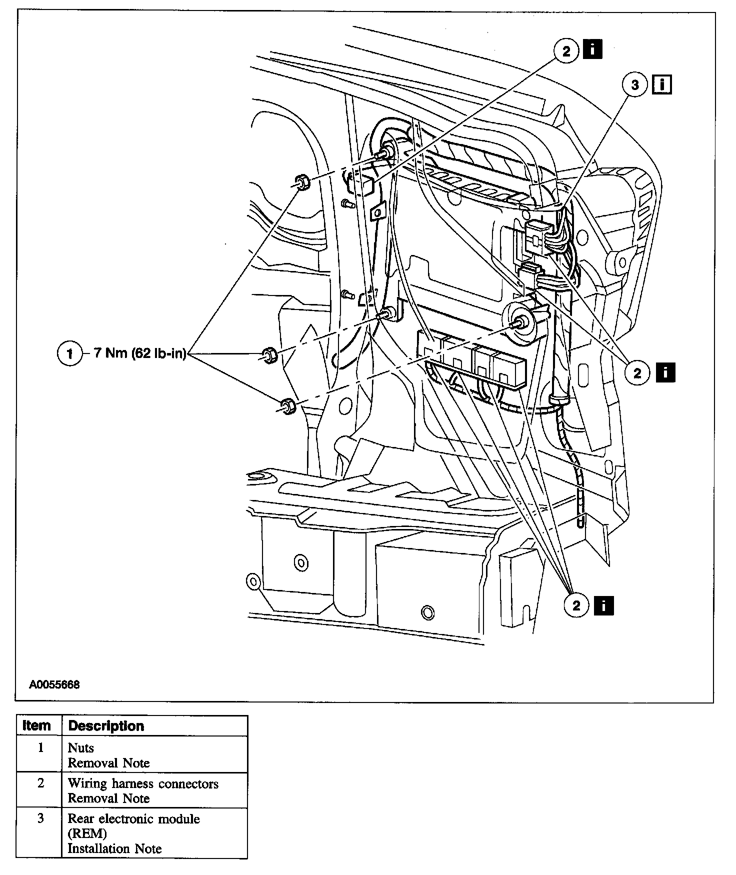
Rear Electronic Module (REM)

REAR ELECTRONIC MODULE (REM)

REMOVAL

1. CAUTION:
- Prior to the removal of the module, it is necessary to upload module configuration information to the appropriate diagnostic equipment. This information needs to be downloaded into the new module once installed.
- Electronic modules are sensitive to static electrical charges. If exposed to these charges, damage may result.


Disconnect the battery ground cable.

2. Position the RH rear luggage compartment trim panel aside.







3. Remove the components in the order indicated in the illustration and table.

Item 2: Rear Electronic Module (REM) Wiring Harness Connector Removal Note
1. It may be necessary to position the REM rearward to access some of the connectors.

INSTALLATION
1. To install, reverse the removal procedure.

Item 3: Rear Electronic Module (REM) Installation Note
1. Once the REM is installed, it is necessary to download the module configuration information from the diagnostic tool into the new module. Refer to Module Configuration.