Operation CHARM: Car repair manuals for everyone.
Manuals through 2025 now available!

Our trusted friends have launched a new website named LEMON, which has newer manuals. It also contains all the CHARM manuals.

LEMON is the spiritual successor to CHARM, I recommend you try it!

Link: lemon-manuals.la or lemon-manuals.org.ua

(Some people have issue connecting. LEMON is investigating. For now, use Firefox or change your DNS server)

Or, hide this message: temporarily or permanently

EGR Valve: Service and Repair

Exhaust Gas Recirculation (EGR) Valve
1. Remove the engine appearance cover.
2. To remove individual components, carry out only the individual steps.





3. Remove the components in the order indicated in the illustration and table.








4. To install, reverse the removal procedure.





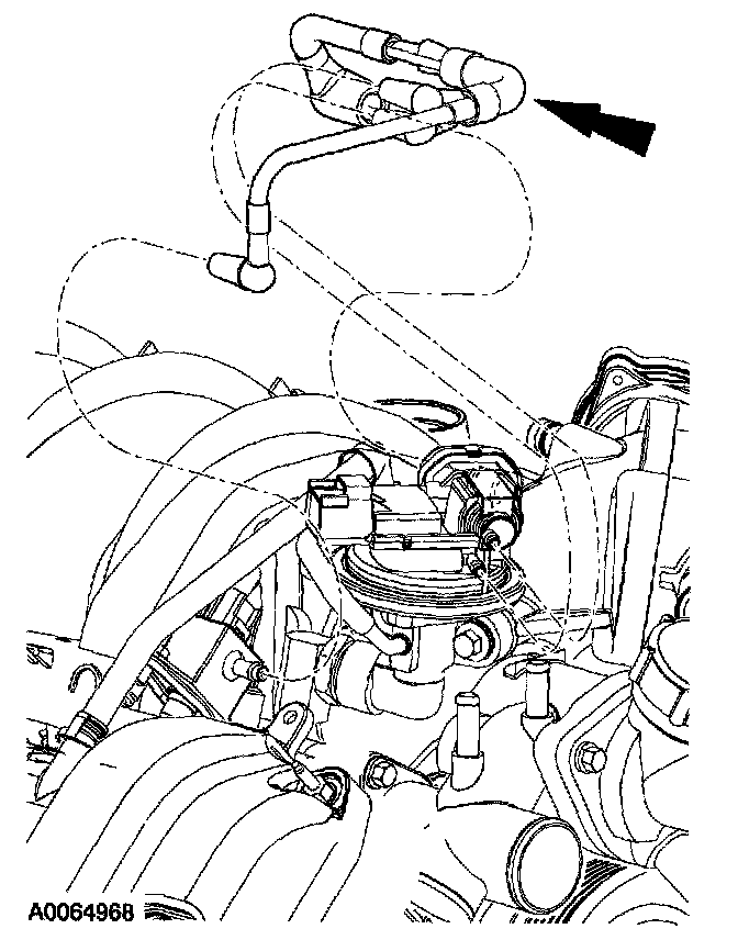
Item 3: EGR System Module Removal Note
1. Remove the vacuum harness.





2. Disconnect the EGR system module-to-exhaust manifold tube from the EGR system module.

Item 5: Intake Manifold Removal Note
1. Remove the intake manifold.

Item 5: Intake Manifold Installation Note
1. Install the intake manifold.





Item 3: EGR System Module Installation Note
1. Connect the EGR system module-to-exhaust manifold tube to the EGR system module.





2. Install the vacuum harness.