Operation CHARM: Car repair manuals for everyone.
Manuals through 2025 now available!

Our trusted friends have launched a new website named LEMON, which has newer manuals. It also contains all the CHARM manuals.

LEMON is the spiritual successor to CHARM, I recommend you try it!

Link: lemon-manuals.la or lemon-manuals.org.ua

(Some people have issue connecting. LEMON is investigating. For now, use Firefox or change your DNS server)

Or, hide this message: temporarily or permanently

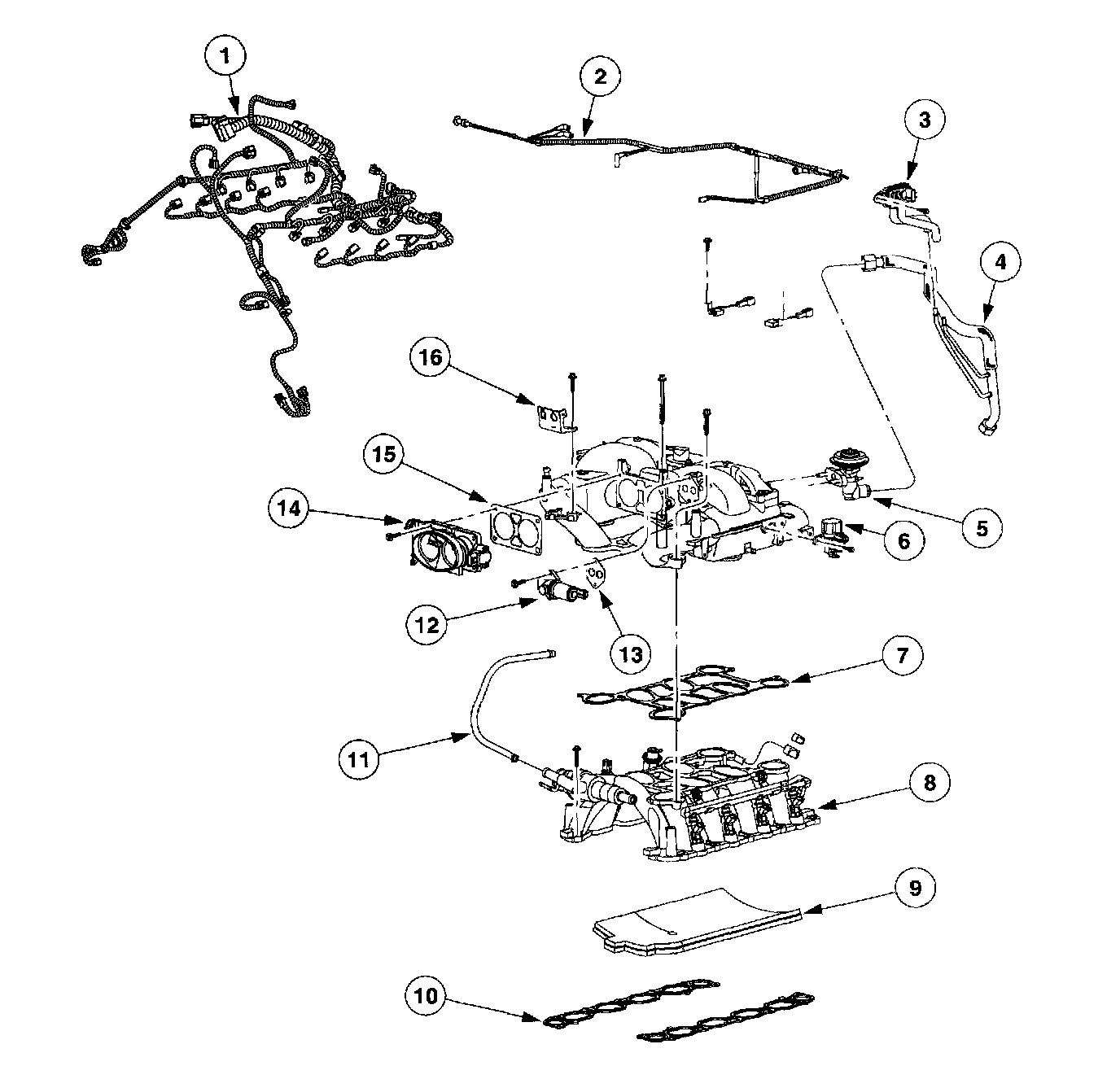
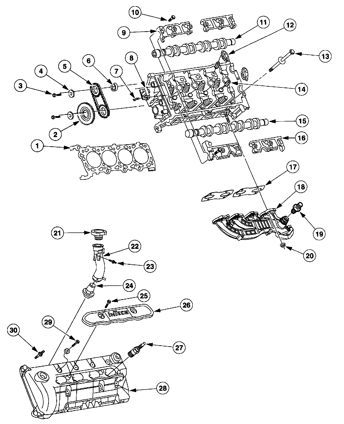
Engine

Part 1 Of 14:




Part 2 Of 14:




Part 3 Of 14:




Part 4 Of 14:




Part 5 Of 14:




Part 6 Of 14:




Part 7 Of 14:




Part 8 Of 14:




Part 9 Of 14:




Part 10 Of 14:




Part 11 Of 14:




Part 12 Of 14:




Part 13 Of 14:




Part 14 Of 14: