Operation CHARM: Car repair manuals for everyone.
Manuals through 2025 now available!

Our trusted friends have launched a new website named LEMON, which has newer manuals. It also contains all the CHARM manuals.

LEMON is the spiritual successor to CHARM, I recommend you try it!

Link: lemon-manuals.la or lemon-manuals.org.ua

(Some people have issue connecting. LEMON is investigating. For now, use Firefox or change your DNS server)

Or, hide this message: temporarily or permanently

Part 1

Engine








Special Tool(s)





Material








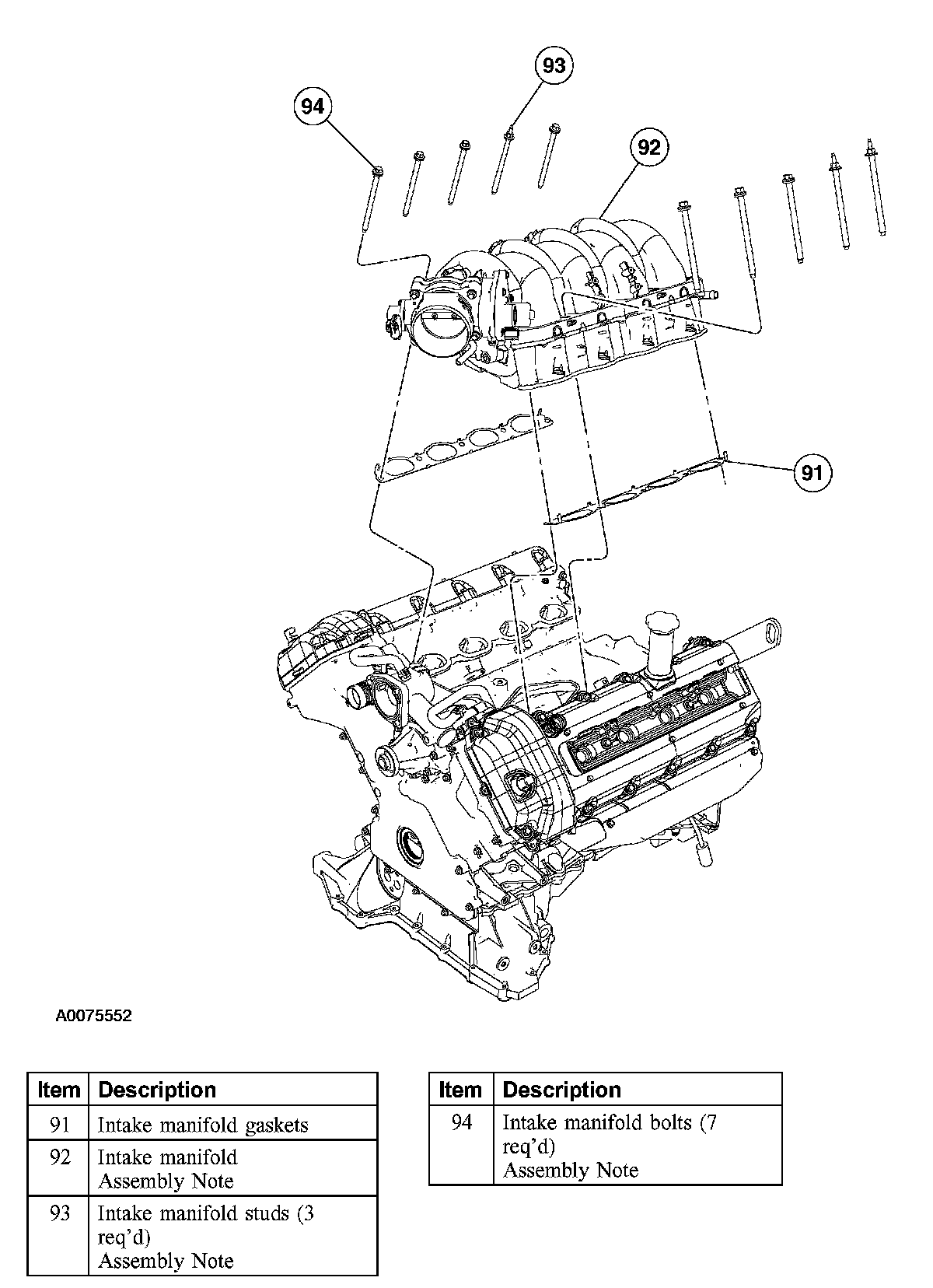
1. Illustration 1 of 23. Install the components in the order indicated in the illustration and table.











2. Illustration 2 of 23. Install the components in the order indicated in the illustration and table.











3. Illustration 3 of 23. Install the components in the order indicated in the illustration and table.





4. Illustration 4 of 23. Remove the components in the order indicated in the illustration and table.





5. Illustration 5 of 23. Install the components in the order indicated in the illustration and table.





6. Illustration 6 of 23. Install the components in the order indicated in the illustration and table.





7. Illustration 7 of 23. Install the components in the order indicated in the illustration and table.





8. Illustration 8 of 23. Install the components in the order indicated in the illustration and table.





9. Illustration 9 of 23. Install the components in the order indicated in the illustration and table.





10. Illustration 10 of 23. Install the components in the order indicated in the illustration and table.











11. Illustration 11 of 23. Install the components in the order indicated in the illustration and table.





12. Illustration 12 of 23. Install the components in the order indicated in the illustration and table.





13. Illustration 13 of 23. Install the components in the order indicated in the illustration and table.





14. Illustration 14 of 23. Install the components in the order indicated in the illustration and table.











15. Illustration 15 of 23. Install the components in the order indicated in the illustration and table.





16. Illustration 16 of 23. Install the components in the order indicated in the illustration and table.





17. Illustration 17 of 23. Install the components in the order indicated in the illustration and table.





18. Illustration 18 of 23. Install the components in the order indicated in the illustration and table.





19. Illustration 19 of 23. Install the components in the order indicated in the illustration and table.





20. Illustration 20 of 23. Install the components in the order indicated in the illustration and table.





21. Illustration 21 of 23. Install the components in the order indicated in the illustration and table.








22. Illustration 22 of 23. Install the components in the order indicated in the illustration and table.








23. Illustration 23 of 23. Install the components in the order indicated in the illustration and table.

Items 2-7: Cylinder Head Assembly Note





1. Install the knock sensors.





2. Position the cylinder heads.
^ Install new gaskets.