Operation CHARM: Car repair manuals for everyone.
Manuals through 2025 now available!

Our trusted friends have launched a new website named LEMON, which has newer manuals. It also contains all the CHARM manuals.

LEMON is the spiritual successor to CHARM, I recommend you try it!

Link: lemon-manuals.la or lemon-manuals.org.ua

(Some people have issue connecting. LEMON is investigating. For now, use Firefox or change your DNS server)

Or, hide this message: temporarily or permanently

Fuel Level Sensor: Service and Repair

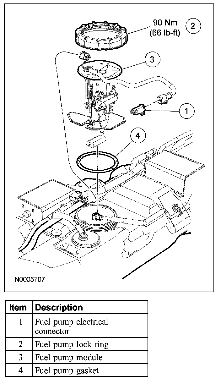
FUEL PUMP MODULE


Wrench, Fuel Tank Lock Ring:






Special Tool(s)







Removal and Installation

WARNING:
- Do not smoke or carry lighted tobacco or open flame of any type when working on or near any fuel related component. Highly flammable mixtures are always present and may be ignited, resulting in possible personal injury.
- Fuel in the fuel system remains under high pressure even when the engine is not running. Before servicing or disconnecting any of the fuel lines or fuel system components, the fuel system pressure must be relieved to prevent accidental spraying of fuel, causing personal injury or a fire hazard.


NOTE: During the repair or replacement of fuel-related components, all liquid and vapor fuel openings shall be capped, taped or otherwise appropriately protected to prevent the ingress of dirt or other contamination. All caps, tape and other protective materials shall be removed prior to installation.

1. With the vehicle in NEUTRAL, position it on a hoist.
2. Disconnect the battery ground cable.
3. Release the fuel system pressure.
4. Remove the driveshaft.







5. Disconnect the fuel filler hose from the fuel filler intermediate pipe.







6. Using the special tool and a suitable tanker, siphon the fuel through the fuel filler hose.
7. Remove the fuel tank skid plate, if equipped.
8. Remove the fuel tank.







9. Using the special tool, remove the fuel pump module and gasket from the fuel tank.
- Clean and inspect gasket and replace if necessary.
- To install, tighten to 90 Nm (66 lb-ft).

10. To install, reverse the removal procedure.