Electronic Brake Control Module: Service and Repair
Anti-Lock Brake System (ABS) ModuleRemoval and Installation
WARNING: Brake fluid contains polyglycol ethers and polyglycols. Avoid contact with eyes. Wash hands thoroughly after handling. If brake fluid contacts eyes, flush eyes with running water for 15 minutes. Get medical attention if irritation persists. If taken internally, drink water and induce vomiting. Get medical attention immediately. Failure to follow these instructions may result in personal injury.
CAUTION: Brake fluid is harmful to painted and plastic surfaces. If brake fluid is spilled onto a painted or plastic surface, immediately wash it with water.
CAUTION: Electronic modules are sensitive to electrical charges. The ABS module can be damaged if exposed to these charges.
NOTE: When installing a new ABS module, it must be configured (using vehicle as-built data) and calibrated. Follow the diagnostic tool directions for the calibration procedures. For module configuration, refer to information Bus.
1. Remove the hydraulic control unit (HCU).
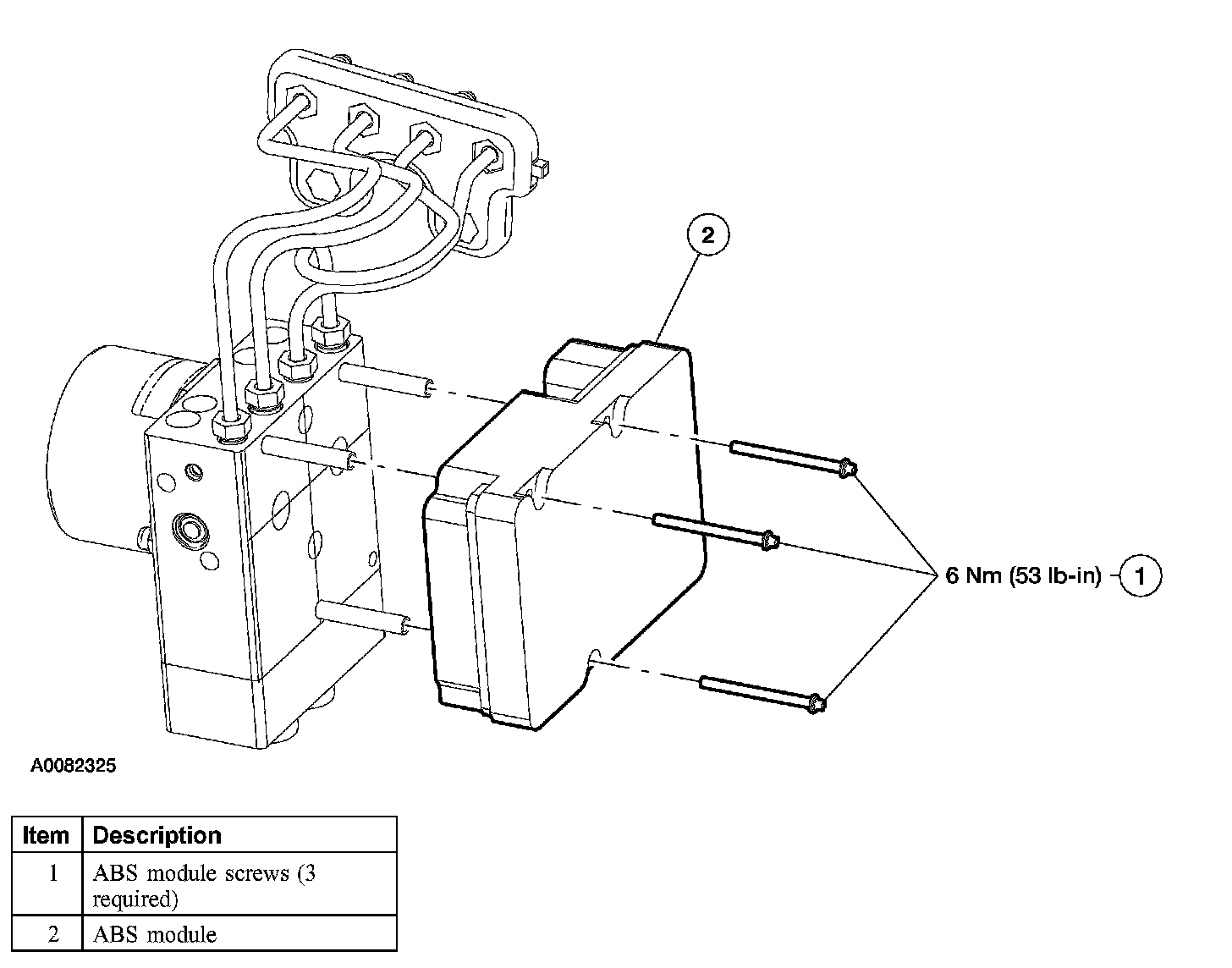
2. Remove the 3 screws and the ABS module.
^ To install, tighten to 6 Nm (53 inch lbs.).
3. To install, reverse the removal procedure.