Operation CHARM: Car repair manuals for everyone.
Manuals through 2025 now available!

Our trusted friends have launched a new website named LEMON, which has newer manuals. It also contains all the CHARM manuals.

LEMON is the spiritual successor to CHARM, I recommend you try it!

Link: lemon-manuals.la or lemon-manuals.org.ua

(Some people have issue connecting. LEMON is investigating. For now, use Firefox or change your DNS server)

Or, hide this message: temporarily or permanently

Timing Cover: Service and Repair

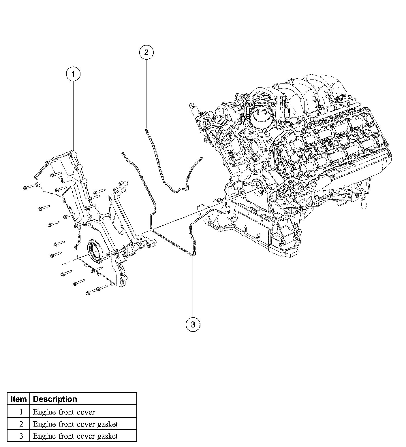
Engine Front Cover





Material





Removal

CAUTION: During engine repair procedures, cleanliness is extremely important. Any foreign material, including any material created while cleaning gasket surfaces that enters the oil passages, coolant passages or the oil pan, can cause engine failure.

1. With the vehicle in NEUTRAL, position it on a hoist.
2. Disconnect the battery ground cable.

3. CAUTION: The cooling system filling and bleeding procedure must be followed exactly or damage to the engine can occur.

Drain the engine cooling system.
4. Drain the engine oil.
5. Remove the LH valve cover.
6. Remove the RH valve cover.
7. Remove the engine cooling fan assembly.
8. Remove the accessory drive belt idler pulley.
9. Remove the crankshaft front seal.
10. Remove the A/C compressor.





11. Remove the lower radiator hose bracket nut.





12. Disconnect the lower radiator, upper radiator and heater hose.





13. Disconnect the 2 oil cooler hoses, if equipped.
14. Disconnect the power steering reservoir hose.
15. Disconnect the Power steering pressure (PSP) switch.

16. NOTE: One bolt is blocked by the power steering pressure hose and must be removed with the power steering pump.

Remove the 4 bolts and position the power steering pump aside.
17. Remove the 5 bolts and the power steering pump bracket.





18. Detach the wiring harness clips.





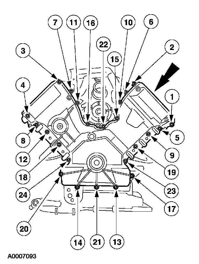
19. Remove the engine front cover bolts in the sequence shown.
^ Remove the engine front cover.

Installation





1. CAUTION: Do not use metal scrapers, wire brushes, power abrasive discs or other abrasive means to clean the sealing surfaces. These tools cause scratches and gouges, which make leak paths. Use a plastic scraping tool to remove all traces of sealant.

Clean the sealing surfaces with metal surface cleaner.





2. Install new gaskets.





3. NOTE: If the front cover is not secured within 4 minutes of sealant application, the sealant must be removed and the sealing area cleaned with metal surface cleaner. Allow to dry until there is no sign of wetness, or 4 minutes, whichever is longer. Failure to follow this procedure can cause future oil leakage.

Apply silicone gasket and sealant in the 8 places shown.





4. Install the engine front cover.
^ Position the engine front cover on the cylinder block.
^ Loosely install the bolts.
^ Tighten the bolts in 2 stages in the sequence shown.
- Stage 1: Tighten to 5 Nm (44 inch lbs.).
- Stage 2: Tighten to 10 Nm (89 inch lbs.).





5. Attach the wiring harness clips.

6. NOTE: The wiring harness is positioned behind the bracket.

Install the power steering pump bracket and the 5 bolts.
^ Tighten to 25 Nm (18 ft. lbs.).

7. NOTE: One bolt is blocked by the power steering pressure line and must be installed with the power steering pump.

Install the power steering pump and 4 bolts.
^ Tighten to 25 Nm (18 ft. lbs.).

8. Connect the Power Steering Pressure (PSP) switch.
9. Connect the power steering reservoir hose.





10. Connect the 2 oil cooler hoses, if equipped.





11. Connect the lower radiator, upper radiator and heater hose.





12. Install the lower radiator hose bracket nut.
^ Tighten to 10 Nm (89 inch lbs.).

13. Install the A/C compressor.
14. Install the crankshaft front seal.
15. Install the accessory drive belt idler pulley.
16. Install the engine cooling fan assembly.
17. Install the RH valve cover.
18. Install the LH valve cover.
19. Fill the engine with clean engine oil.
20. Connect the battery ground cable.
21. Fill and bleed the power steering system.

22. CAUTION: The cooling system filling and bleeding procedure must be followed exactly or damage to the engine can occur.

Fill and bleed the engine cooling system.
23. Evacuate and recharge the A/C system.