Operation CHARM: Car repair manuals for everyone.
Manuals through 2025 now available!

Our trusted friends have launched a new website named LEMON, which has newer manuals. It also contains all the CHARM manuals.

LEMON is the spiritual successor to CHARM, I recommend you try it!

Link: lemon-manuals.la or lemon-manuals.org.ua

(Some people have issue connecting. LEMON is investigating. For now, use Firefox or change your DNS server)

Or, hide this message: temporarily or permanently

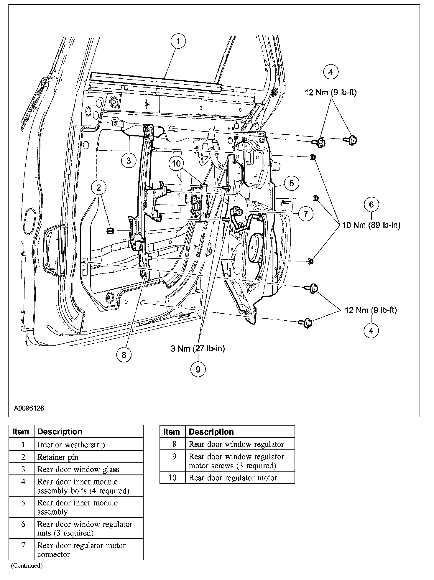
Rear Door Window Regulator: Service and Repair

REAR DOOR WINDOW REGULATOR AND MOTOR






Removal and Installation
1. Remove the rear door trim panel.
2. Remove the watershield.
3. Remove the interior weatherstrip.
4. Connect the window control switch electrical connector.
5. Connect the battery.







6. Using the window control switch, position the rear door window glass to access the 2-part retainer.
7. Manually raise and support the glass in the full up position.
8. Remove the 4 bolts and the rear door inner module assembly.
- To install, tighten to 12 Nm (9 lb-ft).

9. Disconnect the electrical connector.
10. Position the rear door inner module assembly aside to access the rear window regulator.
11. Remove the 3 rear door window regulator nuts.
- To install, tighten to 10 Nm (89 lb-in).

12. Disconnect the regulator motor electrical connector.
13. Remove the rear door window regulator.
14. If necessary, remove the 3 screws and the rear door window regulator motor.
- To install, tighten to 3 Nm (27 lb-in).

15. NOTE: Prior to attaching the rear window glass to the regulator, reinstall the outer and center portions of the retainer pin into the rear door window glass. The retainer pin should protrude an equal distance on both sides of the window glass.

To install, reverse the removal procedure.
- Install the retainer pin into the rear door window glass.
- Operate the rear door window regulator to the full up position until an audible click is heard when the retaining pin is engaged with the regulator.
- Operate the rear door window glass and regulator for correct operation.