Operation CHARM: Car repair manuals for everyone.
Manuals through 2025 now available!

Our trusted friends have launched a new website named LEMON, which has newer manuals. It also contains all the CHARM manuals.

LEMON is the spiritual successor to CHARM, I recommend you try it!

Link: lemon-manuals.la or lemon-manuals.org.ua

(Some people have issue connecting. LEMON is investigating. For now, use Firefox or change your DNS server)

Or, hide this message: temporarily or permanently

Part 2

Engine

Disassembly (Steps 37-72)





37. Remove the heated oxygen sensor (HO2S) electrical connectors from the brackets.
38. Remove the engine wiring harness from the engine.





39. Remove the bolt and the CKP sensor.





40. Remove the nut and the oil level indicator tube.
^ Discard the O-ring seal.





41. Remove the 8 bolts and ignition coils.





42. Remove the crankcase vent tube.





43. Remove the bolt, the 2 nuts and the generator.





44. Remove the 4 bolts and the generator bracket.





45. Remove the 2 bolts and the starter motor.





46. Remove the 2 EGR system module bolts and loosen the EGR tube nut.
^ Remove the EGR system module.
^ Discard the gasket.

47. NOTE: RH shown, LH similar.





Remove the 2 nuts and the 2 radio interference capacitors.





48. Remove the 4 bolts and the fuel rail with fuel injector assembly.

49. NOTE: Remove and discard the 16 O-ring seals from the fuel injectors.





Remove the clips and the 8 fuel injectors from the fuel rail.





50. Disconnect the 2 throttle body coolant hoses.

51. NOTE: The throttle body and adapter are shown removed for clarity. It is not necessary to remove the throttle body and adapter to remove the intake manifold.





Remove the 7 bolts and 3 studs in the sequence shown.
^ Remove the intake manifold.
^ Discard the gaskets.

52. CAUTION: Do not use metal scrapers, wire brushes, power abrasive discs or other abrasive means to clean the sealing surfaces. These tools cause scratches and gouges, which make leak paths. Use a plastic scraping tool to clean the surfaces.





Clean the sealing surfaces.





53. Remove the 4 bolts and the coolant bypass housing.
^ Discard the O-ring seals.





54. Remove the 4 bolts and the coolant inlet housing.
^ Discard the O-ring seal.





55. Remove the throttle body coolant hose.





56. Remove the 5 bolts and the coolant pump.
^ Discard the gasket.





57. Remove the bolts in the sequence shown and remove the RH valve cover.
^ Discard the gasket.





58. Remove the bolts in the sequence shown and remove the LH valve cover.
^ Discard the gasket.

59. CAUTION: Do not use metal scrapers, wire brushes, power abrasive discs or other abrasive means to clean the sealing surfaces. These tools cause scratches and gouges, which make leak paths. Use a plastic scraping tool to clean the surfaces.





Remove the gaskets and all silicone sealer. Clean the mating surfaces with silicone gasket remover.





60. Remove the 2 nuts and the EGR tube.
^ Discard the gasket.

61. NOTE: LH shown, RH similar.





Remove the 8 bolts and the 2 exhaust manifold heat shields.

62. NOTE: LH shown, RH similar.





Remove the nuts and exhaust manifolds.
^ Discard the nuts.

63. NOTE: LH shown, RH similar.





Remove the 2 exhaust manifold heat shield stud bolts.
^ Discard the 2 exhaust manifold gaskets.
64. Remove the 16 exhaust manifold studs and discard.
65. Clean and inspect the exhaust manifolds.

66. NOTE: Hold the crankshaft pulley with the special tool while removing the bolt and washer.





Remove and discard the bolt and washer.





67. Using the special tool, remove the crankshaft damper.





68. Using the special tool, remove and discard the front crankshaft seal.





69. Remove the engine front cover bolts in the sequence shown.
^ Remove the engine front cover.
^ Discard the gaskets.

70. CAUTION: Do not use metal scrapers, wire brushes, power abrasive discs or other abrasive means to clean the sealing surfaces. These tools cause scratches and gouges, which make leak paths. Use a plastic scraping tool to remove all traces of sealant.





Clean the sealing surfaces.





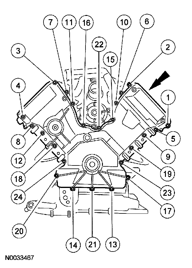
71. Remove the 17 bolts and the oil pan.
^ Discard the gasket.

72. CAUTION: Use only hand tools to remove the oil pump screen and tube.





Remove the oil pump screen and tube, and the seal.