Operation CHARM: Car repair manuals for everyone.
Manuals through 2025 now available!

Our trusted friends have launched a new website named LEMON, which has newer manuals. It also contains all the CHARM manuals.

LEMON is the spiritual successor to CHARM, I recommend you try it!

Link: lemon-manuals.la or lemon-manuals.org.ua

(Some people have issue connecting. LEMON is investigating. For now, use Firefox or change your DNS server)

Or, hide this message: temporarily or permanently

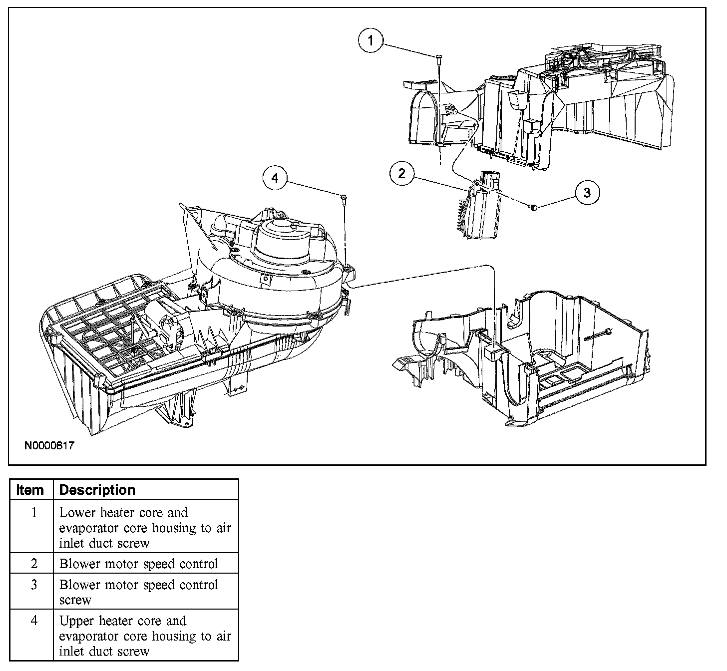
Blower Motor Switch: Service and Repair

BLOWER MOTOR SPEED CONTROL







Removal and Installation
1. Remove the heater core and evaporator core housing.







2. Disconnect the blower motor speed control electrical connector.
3. Remove the lower heater core and evaporator core housing to air inlet duct screw.
4. Remove the upper heater core and evaporator core housing to air inlet duct screw.
5. Remove the blower motor speed control screw.







6. Disengage the clip, separate the air inlet and evaporator housings and remove the blower motor speed control.
7. To install, reverse the removal procedure.