Operation CHARM: Car repair manuals for everyone.
Manuals through 2025 now available!

Our trusted friends have launched a new website named LEMON, which has newer manuals. It also contains all the CHARM manuals.

LEMON is the spiritual successor to CHARM, I recommend you try it!

Link: lemon-manuals.la or lemon-manuals.org.ua

(Some people have issue connecting. LEMON is investigating. For now, use Firefox or change your DNS server)

Or, hide this message: temporarily or permanently

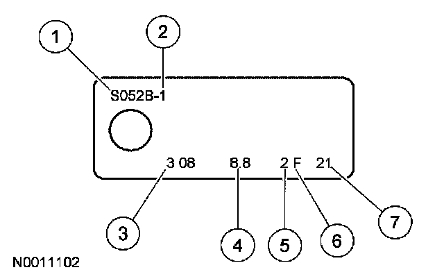
Differential Assembly: Application and ID

Driveline System

The drivetrain's power is generated by the engine and delivered to the transmission. The driveline transfers the engine torque through the driveshaft to the axle.

The driveshaft is connected to the output shaft flange on the transmission and to the axle pinion flange. Flex couplers and alignment bushings are used at the ends of the driveshaft to allow for any angular motion. The 2-piece driveshaft has a slip spline, the spline connects the driveshaft halves and is supported by a center bearing. Engine torque enters the axle through the drive pinion, which rotates the ring gear. The ring gear is mounted to the differential case, which contains the gears that transmit power to the axle halfshafts. The differential case is retained by two differential carrier bearings. There is one differential bearing cap, while the right carrier bearing is enclosed by the differential housing. A selective snap ring is used instead of shims on the right side of the differential housing. The axle halfshafts rotate the drive wheels.

The engine angle is built into the engine mounts. If the flex coupler operating angles are out of specification, the engine mounts must be inspected for damage.

Vehicle Certification (VC) Label Example:






Part 1:





Part 2:






The vehicle certification (VC) label is located in the driver door jamb. The first 2 digits of the axle code indicate the axle and ratio.

A metal axle identification tag is attached to the differential by a housing cover bolt.

CAUTION: The axle identification tag is the official service identifier. Do not damage the tag. Always reinstall the tag after removing it for axle inspection/repair.

The axle identification tag identifies a particular axle design and a specific ratio. In addition, the plant code will not change as long as that particular axle assembly never undergoes an external design change. If, however, an internal design change takes place during the production life of the axle and that internal change affects parts interchangeability, a dash and numerical suffix is added to the plant code. This means that as an assembly both axles are interchangeable; however, internally they are different. Therefore, each requires different internal parts at the time of repair.