Operation CHARM: Car repair manuals for everyone.
Manuals through 2025 now available!

Our trusted friends have launched a new website named LEMON, which has newer manuals. It also contains all the CHARM manuals.

LEMON is the spiritual successor to CHARM, I recommend you try it!

Link: lemon-manuals.la or lemon-manuals.org.ua

(Some people have issue connecting. LEMON is investigating. For now, use Firefox or change your DNS server)

Or, hide this message: temporarily or permanently

Wiper Pivot: Service and Repair

REAR WINDOW STRIKER AND WIPER PIVOT SHAFT ASSEMBLY

Removal
1. Remove the rear wiper pivot arm.







2. Remove the dust boot cover.







3. Remove the nut and the rear window glass handle.







4. Remove the nuts and the rear window striker and wiper pivot shaft assembly.

Installation
1. Remove the liftgate trim panel.







2. NOTE: An audible click should be heard as the striker engages the latch.

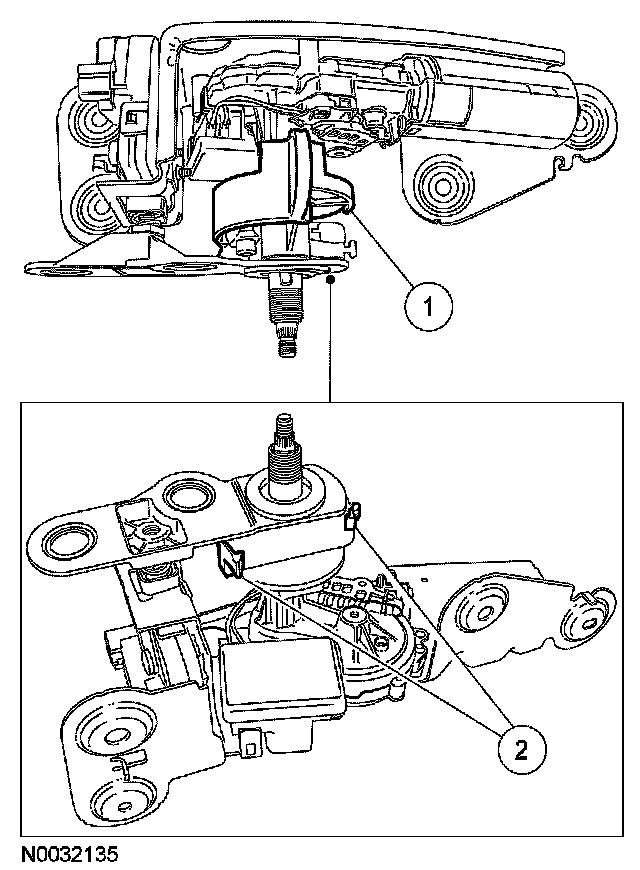
Push the rear window wiper striker and pivot shaft assembly into the wiper motor. The pivot shaft pin should be aligned with the hole in the motor disc.







3. Install the rear window wiper motor alignment tool. If installing a new rear wiper motor, one is provided with the motor assembly.
1 Make sure the alignment tool fits over the motor disc and striker assembly.
2 Make sure the alignment tool clips are securely engaged.

4. Carefully close the liftgate glass.







5. Open the liftgate. Install the rear window wiper striker and wiper pivot arm mounting assembly nuts. Tighten to 6 Nm (53 lb-in).







6. Remove the rear window wiper motor alignment tool.
7. Close the liftgate.







8. Install the rear window wiper pivot shaft nut and handle. Tighten to 18 Nm (13 lb-ft).







9. Install the dust boot cover.

10. NOTE: This step makes sure that the wiper motor is in the PARK position.

Turn the rear window wiper switch ON and allow the motor to operate for at least one cycle. Turn the rear window wiper switch to OFF.







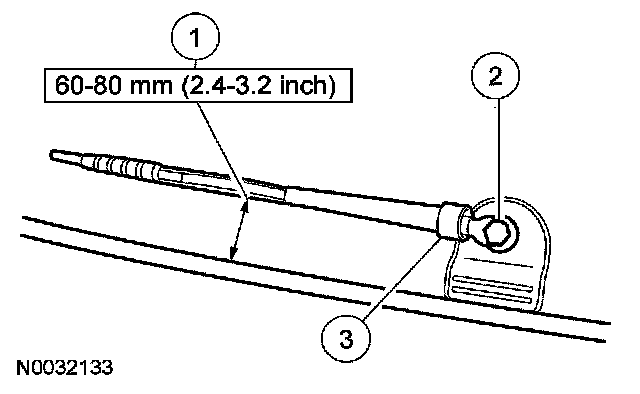
11. Install the rear wiper pivot arm onto the rear window wiper motor shaft.
1 Position the wiper pivot arm onto the rear window wiper motor shaft.
2 Tighten the nut to 15 Nm (11 lb-ft).
3 Install the cover.

12. Open the liftgate.
13. Install the liftgate trim panel.
14. Test the liftgate and liftgate glass for normal operation.