Operation CHARM: Car repair manuals for everyone.
Manuals through 2025 now available!

Our trusted friends have launched a new website named LEMON, which has newer manuals. It also contains all the CHARM manuals.

LEMON is the spiritual successor to CHARM, I recommend you try it!

Link: lemon-manuals.la or lemon-manuals.org.ua

(Some people have issue connecting. LEMON is investigating. For now, use Firefox or change your DNS server)

Or, hide this message: temporarily or permanently

Transmission Position Sensor/Switch: Service and Repair

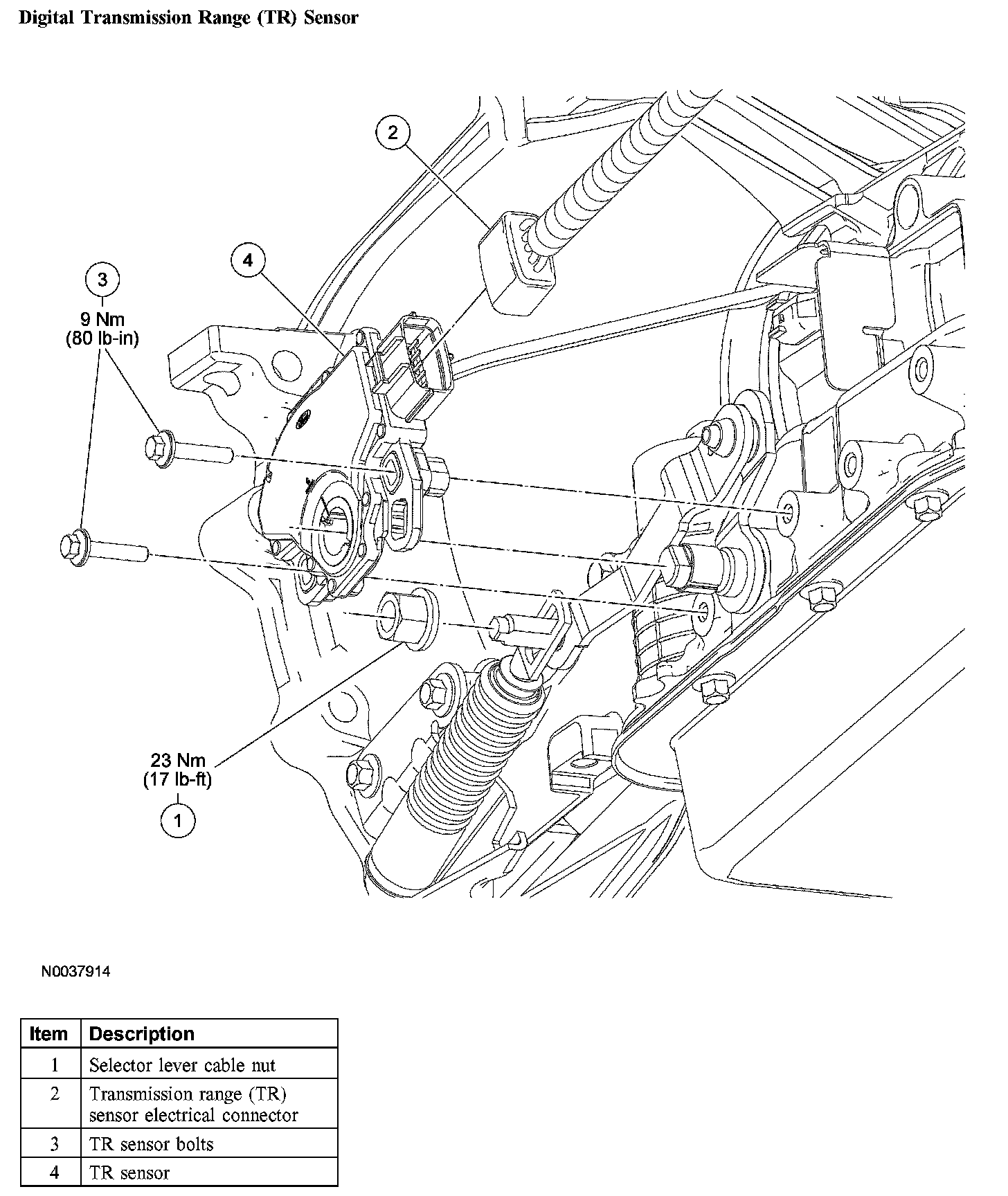
Digital Transmission Range (TR) Sensor

Special Tool(s):




Digital Transmission Range (TR) Sensor:





Removal
1. With the vehicle in NEUTRAL, position it on a hoist.





2. Disconnect the manual lever shift control cable.





3. Disconnect the digital TR sensor connector.





4. Remove the bolts and remove the digital TR sensor.

Installation





1. Install the digital TR sensor and loosely install the bolts.

2. NOTE: Manual shift lever shaft must be in the NEUTRAL position.





Using the special tool, align the digital TR sensor slots. The tool is designed to fit snugly.

3. CAUTION: Tightening one screw before tightening the other may cause the sensor to bind or become damaged.





Tighten the screws in an alternating sequence.
^ Tighten to 9 Nm (80 inch lbs.).





4. With the manual lever in overdrive, connect the shift lever control cable.
^ Tighten to 23 Nm (17 ft. lbs.).





5. Connect the digital TR sensor electrical connector.