Operation CHARM: Car repair manuals for everyone.
Manuals through 2025 now available!

Our trusted friends have launched a new website named LEMON, which has newer manuals. It also contains all the CHARM manuals.

LEMON is the spiritual successor to CHARM, I recommend you try it!

Link: lemon-manuals.la or lemon-manuals.org.ua

(Some people have issue connecting. LEMON is investigating. For now, use Firefox or change your DNS server)

Or, hide this message: temporarily or permanently

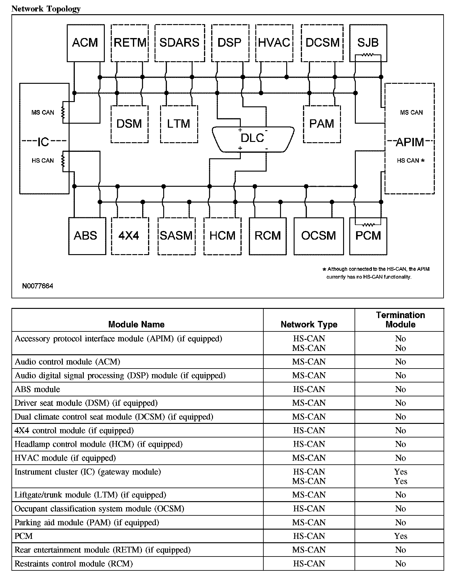
Information Bus: Description and Operation

COMMUNICATIONS NETWORK

NOTE: The smart junction box (SJB) is also known as the generic electronic module (GEM).

Vehicle communication utilizes both the medium and high speed controller area network (CAN) communications. CAN is used for many modules to communicate with each other on a common network. CAN in-vehicle networking, is a method for transferring data among distributed electronic modules via a serial data bus. Without serial networking, intermodule communication requires dedicated, point to point wiring resulting in bulky, expensive, complex, and difficult to install wiring harnesses. Applying a serial data network reduces the number of wires combining the signals on a single network. Information is sent to the individual control modules that control each function.

The vehicle has 2 module communication networks:
- Medium speed (MS) CAN
- High speed (HS) CAN

Both networks are connected to the data link connector (DLC). This makes diagnosis and testing of these systems easier by allowing one scan tool to be able to diagnose and control any module on both networks from one connector. The DLC can be found under the instrument panel between the steering column and the audio control module (ACM).


Network Topology (Part 1):






Network Topology (Part 2):






MS-CAN Operation
The MS-CAN communicates using bussed messages. The MS-CAN has an unshielded twisted pair cable, data bus (+) and data bus (-) circuits. In addition to scan tool communication, this network allows sharing of information between all modules on the network.

The MS-CAN is a medium speed communication network used for the following modules:
- ACM
- APIM
- DCSM (if equipped)
- DSM (if equipped)
- DSP module (if equipped)
- HVAC module (if equipped)
- IC
- LTM (if equipped)
- PAM (if equipped)
- RETM (if equipped)
- SDARS module (if equipped)
- SJB

HS-CAN Operation
The HS-CAN communicates using bussed messages. The HS-CAN uses an unshielded twisted pair cable, data bus (+) and data bus (-) circuits. In addition to scan tool communication, this network allows sharing of information between all modules on the network.

The HS-CAN is a high speed communication network used for the following modules:
- ABS module
- HCM (if equipped)
- IC
- OCSM
- PCM
- RCM
- SASM (if equipped)
- 4X4 control module (if equipped)

Network Termination
The CAN uses a network termination circuit to improve communication reliability. The network termination of the CAN bus takes place inside the termination modules by termination resistors. Termination modules are located at either end of the bus network. As network messages are broadcast in the form of voltage signals, the network voltage signals are stabilized by the termination resistors. Each termination module has a 120 ohm resistor across the positive and negative bus connection in the termination module. With 2 termination modules on each network, and the 120 ohm resistors located in a parallel circuit configuration, the total network impedance, or total resistance is 60 ohms.

Network termination improves bus message reliability by:
- stabilizing bus voltage.
- eliminating electrical interference.

Gateway Module
The instrument cluster is the gateway module, translating HS-CAN to MS-CAN and vice versa. This information allows a message to be distributed throughout both networks. The instrument cluster is the only module on this vehicle that has this ability.