Operation CHARM: Car repair manuals for everyone.
Manuals through 2025 now available!

Our trusted friends have launched a new website named LEMON, which has newer manuals. It also contains all the CHARM manuals.

LEMON is the spiritual successor to CHARM, I recommend you try it!

Link: lemon-manuals.la or lemon-manuals.org.ua

(Some people have issue connecting. LEMON is investigating. For now, use Firefox or change your DNS server)

Or, hide this message: temporarily or permanently

Pinpoint Test N: The Front Controls Interface Module (FCIM) Does Not Respond To The Scan Tool




Communications Network

Pinpoint Tests

Pinpoint Test N: The Front Controls Interface Module (FCIM) Does Not Respond To The Scan Tool

Refer to Wiring Diagram Set 14, Module Communications Network for schematic and connector information. Diagrams By Number

Refer to Wiring Diagram Set 60, Instrument Cluster for schematic and connector information. Diagrams By Number

Normal Operation

The Front Controls Interface Module (FCIM) communicates with the scan tool through the Medium Speed Controller Area Network (MS-CAN).

This pinpoint test is intended to diagnose the following:

- Fuse
- Wiring, terminals or connectors
- FCIM



PINPOINT TEST N: THE FCIM DOES NOT RESPOND TO THE SCAN TOOL

NOTICE: Use the correct probe adapter(s) when making measurements. Failure to use the correct probe adapter(s) may damage the connector.

-------------------------------------------------
N1 CHECK THE FCIM VOLTAGE SUPPLY CIRCUIT FOR AN OPEN


- Ignition OFF.
- Disconnect: FCIM C2403 .
- Ignition ON.
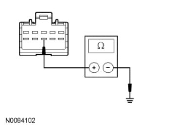
- Measure the voltage between the FCIM C2403-5, circuit SBP15 (WH/RD), harness side and ground.




- Is the voltage greater than 10 volts?

Yes
GO to N2.

No
VERIFY the Smart Junction Box (SJB) fuse 15 (10A) is OK. If OK, REPAIR the circuit in question. If not OK, REFER to the Wiring Diagrams to identify the possible causes of the circuit short. CLEAR the DTCs. REPEAT the network test with the scan tool. Diagrams By Number

-------------------------------------------------
N2 CHECK THE FCIM GROUND CIRCUIT FOR AN OPEN


- Ignition OFF.
- Measure the resistance between the FCIM C2403-8, circuit GD114 (BK/BU), harness side and ground.




- Is the resistance less than 5 ohms?

Yes
GO to N3.

No
REPAIR the circuit. CLEAR the DTCs. REPEAT the network test with the scan tool.

-------------------------------------------------
N3 CHECK THE MS-CAN CIRCUITS BETWEEN THE FCIM AND THE DLC FOR AN OPEN


- Measure the resistance between the FCIM C2403-1, circuit VDB06 (GY/OG), harness side and the DLC C251-3, circuit VDB06 (GY/OG), harness side.




- Measure the resistance between the FCIM C2403-2, circuit VDB07 (VT/OG), harness side and the DLC C251-11, circuit VDB07 (VT/OG), harness side.




- Are the resistances less than 5 ohms?

Yes
GO to N4.

No
REPAIR the circuit in question. CLEAR the DTCs. REPEAT the network test with the scan tool.

-------------------------------------------------
N4 CHECK FOR CORRECT FCIM OPERATION


- Disconnect the FCIM connector.
- Check for:
- corrosion
- damaged pins
- pushed-out pins
- Connect the FCIM connector and make sure it seats correctly.
- Operate the system and verify the concern is still present.
- Is the concern still present?

Yes
INSTALL a new FCIM. REFER to Accessories and Optional Equipment. CLEAR the DTCs. REPEAT the network test with the scan tool.

No
The system is operating correctly at this time. The concern may have been caused by a loose or corroded connector.

-------------------------------------------------