Operation CHARM: Car repair manuals for everyone.
Manuals through 2025 now available!

Our trusted friends have launched a new website named LEMON, which has newer manuals. It also contains all the CHARM manuals.

LEMON is the spiritual successor to CHARM, I recommend you try it!

Link: lemon-manuals.la or lemon-manuals.org.ua

(Some people have issue connecting. LEMON is investigating. For now, use Firefox or change your DNS server)

Or, hide this message: temporarily or permanently

Pinpoint Test B: DTC P1703




Cruise Control

Pinpoint Tests

Pinpoint Test B: DTC P1703

Refer to Wiring Diagram Set 31, Cruise Control for schematic and connector information. Diagrams By Number

Normal Operation

When the brake pedal is applied, the normally open stoplamp switch closes and sends a voltage signal to the PCM disengaging the cruise control.

The normally closed cruise control deactivator switch (part of the stoplamp switch), opens and removes the voltage signal to the PCM when the brake pedal is applied firmly. This is a redundant cruise control deactivation signal to the PCM.

- DTC P1703 (Brake Switch Out Of Self Test Range) - sets when there is an open or short in the deactivator switch circuits or when there is an open or short in the stoplamp circuits.

This pinpoint test is intended to diagnose the following:

- Wiring, terminals or connectors
- Stoplamps system concern
- Cruise control deactivator switch (integral to the stoplamp switch)
- ABS module
- PCM



PINPOINT TEST B: DTC P1703

NOTICE: Use the correct probe adapter(s) when making measurements. Failure to use the correct probe adapter(s) may damage the connector.

-------------------------------------------------
B1 CHECK THE STOPLAMPS


- Verify the stoplamps and high mounted stoplamp operate correctly.
- Do the stoplamps and high mounted stoplamp operate correctly?

Yes
GO to B2.

No
REFER to Lighting and Horns to continue diagnosis of the stoplamps.

-------------------------------------------------
B2 CHECK FOR ABS DTCs


- Review the recorded DTCs from the ABS self-test.
- Are any DTCs recorded?

Yes
REFER to Antilock Brakes / Traction Control Systems. REPAIR all ABS module DTCs and RETEST the cruise control system.

No
GO to B3.

-------------------------------------------------
B3 CHECK THE STOPLAMP SWITCH (BOO AND BPA) PIDs


- Enter the following diagnostic mode on the scan tool: PCM DataLogger.
- Monitor the PCM PIDs BOO (top travel) and BPA (bottom travel) while applying and releasing the brake pedal as follows:





- Do the PID values agree with the brake pedal positions?

Yes
GO to B8.

No
For an incorrect BOO PID value, GO to B4.

If the BPA PID value reads On, GO to B6.

If the BPA PID value reads Off, GO to B5.

-------------------------------------------------
B4 CHECK THE STOP LAMP SWITCH CIRCUIT FOR VOLTAGE


- Ignition OFF.
- Disconnect: PCM C175b (Non-Gasoline Turbocharged Direct Injection (GTDI)) or PCM C1381b (GTDI).
- Ignition ON.
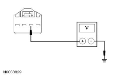
- For vehicles with non- GTDI engines, while applying the brake pedal, measure the voltage between the PCM C175b-46, circuit CCB08 (VT/WH), harness side and ground.




- For vehicles with GTDI engines, while applying the brake pedal, measure the voltage between the PCM C1381b-13, circuit CCB08 (VT/WH), harness side and ground.




- Is the voltage greater than 10 volts with the brake pedal applied and 0 volts with the brake pedal released?

Yes
GO to B8.

No
REPAIR the circuit for an open. CLEAR the DTCs. TEST the system for normal operation.

-------------------------------------------------
B5 CHECK THE CRUISE CONTROL DEACTIVATOR SWITCH CIRCUIT FOR A SHORT TO VOLTAGE


- Ignition OFF.
- Disconnect: Stoplamp Switch C278.
- Ignition ON.
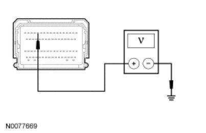
- Measure the voltage between the stoplamp switch C278-2, circuit CES09 (VT/OG), harness side and ground.




- Is any voltage present?

Yes
REPAIR the circuit. CLEAR the DTCs. TEST the system for normal operation.

No
INSTALL a new stoplamp switch. CLEAR the DTCs. TEST the system for normal operation.

-------------------------------------------------
B6 CHECK THE CRUISE CONTROL DEACTIVATOR SWITCH VOLTAGE SUPPLY CIRCUIT FOR AN OPEN


- Ignition OFF.
- Disconnect: Stoplamp Switch C278.
- Measure the voltage between the stoplamp switch C278-3, circuit CBB46 (WH/BU), harness side and ground.




- Is the voltage greater than 10 volts?

Yes
GO to B7.

No
REPAIR the circuit. CLEAR the DTCs. TEST the system for normal operation.

-------------------------------------------------
B7 CHECK THE CRUISE CONTROL DEACTIVATOR SWITCH CIRCUIT FOR AN OPEN


- Ignition OFF.
- Disconnect: PCM C175b (Non-GTDI) or PCM C1381b (GTDI).
- For vehicles with non- GTDI engines, measure the resistance between the PCM C175b-47, circuit CES09 (VT/OG), harness side and the stoplamp switch C278-2, circuit CES09 (VT/OG), harness side.




- For vehicles with GTDI engines, measure the resistance between the PCM C1381b-46, circuit CES09 (VT/OG), harness side and the stoplamp switch C278-2, circuit CES09 (VT/OG), harness side.




- Is the resistance less than 5 ohms?

Yes
INSTALL a new stoplamp switch. CLEAR the DTCs. TEST the system for normal operation.

No
REPAIR the circuit. CLEAR the DTCs. TEST the system for normal operation.

-------------------------------------------------
B8 CHECK FOR CORRECT PCM OPERATION


- Disconnect all the PCM connectors.
- Check for:
- corrosion
- damaged pins
- pushed-out pins
- Connect all the PCM connectors and make sure they are seated correctly.
- Operate the system and verify the concern is still present.
- Is the concern still present?

Yes
INSTALL a new PCM. REFER to Computers and Control Systems. TEST the system for normal operation.

No
The system is operating correctly at this time. The concern may have been caused by a loose or corroded connector. CLEAR the DTCs. REPEAT the self-test.

-------------------------------------------------